0
ETI    SIEMENS    ABB    WIKA    IFM    ELKO EP    HYUNDAI    VEGA    KSR KUEBLER    Johnson Controls    Siemens IA/DT (CA01)    Bosch Rexroth    Alfa Laval    SICK    Others  

A3M60B-BBPB013X13

Код: 1051016
Связатся с нами: 067 285 7770

В корзину

Показать всё Скрыть всё

  • Производительность
    Количество шагов на один оборот8.192 (макс.)
    Количество оборотов8.192 (макс.)
    Макс. разрешение (в однооборотном, многооборотном исполнении)8.192 (13 bit), 8.192 (13 bit)
    Допуски G0,5° (при комнатной температуре) 1)
    Повторяющееся стандартное отклонение σr0,25° (при комнатной температуре) 2)
    • 1) Согласно DIN ISO 1319-1, верхний и нижний допуск зависят от условий монтажа, указанное значение приводится для симметричного расположения, то есть отклонения в верхнем и нижнем направлении одинаковы.
    • 2) По DIN ISO 55350-13, 68,3 % измеренных величин не выходят за рамки указанного диапазона.
  • Интерфейсы
    Интерфейс связиPROFIBUS DP
    Коммуникационный интерфейс, детальное описаниеDPV0
    Скорость передачи данных (в бодах)12 MBaud
    Заглушка шиныDIP-переключатель
    Время инициализацииОк. 1 s
  • Электрические данные
    Тип подключенияРазъем, 3 x M12, 5-контактный, осевая
    Диапазон напряжения питания10 V ... 32 V
    Защита от инверсии полярности
    MTTFd: время до опасного выхода из строя60 лет (EN ISO 13849-1) 1)
    • 1) Данный продукт является стандартным изделием, а не предохранительным устройством, в соответствии с директивой по машиностроению. Расчет на основе номинальной нагрузки компонентов, средней температуры окружающей среды 40 °C, частота применения 8760 ч./год. Все выходы из строя электрических систем рассматриваются как опасные выходы из строя. Более подробная информация приведена в документе № 8015532.
  • Механические данные
    Механическое исполнениеГлухой полый вал
    Диаметр вала8 mm
    Вес0,28 kg
    Материал, валНержавеющая сталь
    Материал, фланецАлюминий
    Материал, корпусАлюминий
    Пусковой момент1 Ncm
    Рабочий крутящий момент0,8 Ncm
    Допустимое перемещение вала осевое, статическое/динамическое± 0,5 mm, ± 0,2 mm
    Допустимое перемещение вала радиальное, статическое/динамическое± 0,3 mm, ± 0,1 mm
    Срок службы подшипника3,0 x 10^9 оборотов
    Угловое ускорение≤ 500.000 rad/s²
    Рабочая частота вращения≤ 6.000 min⁻¹ Собственный нагрев 45 К при максимальной частоте вращения
  • Данные окружающей среды
    ЭМСПо EN 61000-6-2 и EN 61000-6-3
    Тип защиты

    IP67, Корпус (согласно IEC 60529) 1)

    IP65, Вал (согласно IEC 60529)

    Допустимая относительная влажность воздуха95 % (Образование конденсата не допускается)
    Диапазон рабочей температуры–10 °C ... +70 °C
    Диапазон температуры при хранении–40 °C ... +100 °C
    Ударопрочность100 g, 6 ms (согласно EN 60068-2-27)
    Вибростойкость30 g, 10 Hz ... 2.000 Hz (согласно EN 60068-2-6)
    • 1) С установленным ответным разъемом.
  • Классификации
    ECl@ss 5.027270502
    ECl@ss 5.1.427270502
    ECl@ss 6.027270590
    ECl@ss 6.227270590
    ECl@ss 7.027270502
    ECl@ss 8.027270502
    ECl@ss 8.127270502
    ECl@ss 9.027270502
    ETIM 5.0EC001486
    ETIM 6.0EC001486
    UNSPSC 16.090141112113
Показать всё Скрыть всё

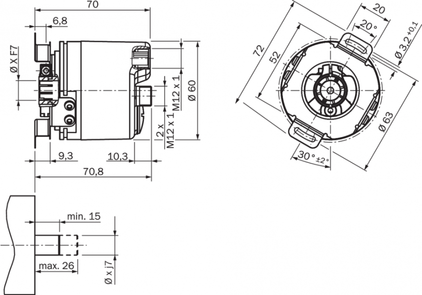
Технические чертежи

Габаритный чертеж Вид: Галерея Список Показать всё Скрыть всё
Показать всё Скрыть всё