0
ETI    SIEMENS    ABB    WIKA    IFM    ELKO EP    HYUNDAI    VEGA    KSR KUEBLER    Johnson Controls    Siemens IA/DT (CA01)    Bosch Rexroth    Alfa Laval    SICK    Others  

ACM60B-S1LE13x06

Код: 6045313
Связатся с нами: 067 285 7770

В корзину

Показать всё Скрыть всё

  • Производительность
    Количество шагов на один оборот13.107 (макс.)
    Количество оборотов64 (макс.)
    Макс. разрешение (в однооборотном, многооборотном исполнении)13.107, 64
    Разрешение на один измерительный шаг0,8 μA ... 5,5 μA 1)
    Длина измерения0° ... 23.040°, программируемый
    Минимальный диапазон измерения≥ 640°
    Точность± 0,1 % в отношении запрограммированного угла
    • 1) Подробную информацию см. в диаграмме измерительных шагов/расчетной формуле.
  • Интерфейсы
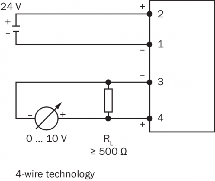
    Интерфейс связиАналоговый
    Коммуникационный интерфейс, детальное описаниеНапряжение
    SSI
    Параметрируемая кодовая характеристикаCW (по часовой стрелке) 1)
    Sin/Cos
    Нагрузочное сопротивление≤ 10 kΩ
    • 1) Настройка по умолчанию по часовой стрелке/против часовой стрелки возможна путем программирования на энкодере.
  • Электрические данные
    Тип подключенияРазъем, M12, 5-контактный, радиальная
    Диапазон напряжения питания18 V DC ... 33 V DC
    Потребление тока< 80 mA
    Защита от инверсии полярности
    MTTFd: время до опасного выхода из строя600 лет (EN ISO 13849-1) 1)
    Электрическое исполнение4-жильный кабель, см. рис.
    • 1) Данный продукт является стандартным изделием, а не предохранительным устройством, в соответствии с директивой по машиностроению. Расчет на основе номинальной нагрузки компонентов, средней температуры окружающей среды 40 °C, частота применения 8760 ч./год. Все выходы из строя электрических систем рассматриваются как опасные выходы из строя. Более подробная информация приведена в документе № 8015532.
  • Механические данные
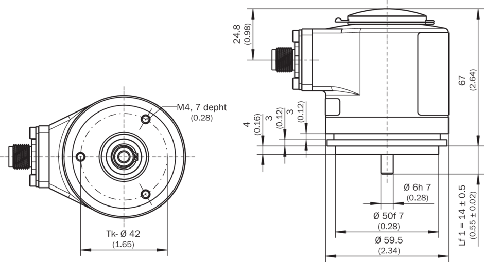
    Механическое исполнениеСплошной вал, Сервофланец
    Диаметр вала6 mm x 10 mm
    Длина вала10 mm
    Вес0,4 kg
    Материал, валНержавеющая сталь
    Материал, фланецАлюминий
    Материал, корпусАлюминиевое литье
    Пусковой момент0,05 Ncm
    Рабочий крутящий момент0,3 Ncm
    Допустимая нагрузка на вал

    30 N / осевая

    60 N / радиальная

    Момент инерции ротора30 gcm²
    Срок службы подшипника2 x 10^9 оборотов
    Угловое ускорение≤ 500.000 rad/s²
    Рабочая частота вращения≤ 10.000 min⁻¹
  • Данные окружающей среды
    ЭМС

    EN 61000-6-2

    EN 61000-6-4

    Тип защитыIP67, со стороны корпуса (согласно IEC 60529) 1)
    Допустимая относительная влажность воздуха90 %
    Диапазон рабочей температуры–30 °C ... +80 °C
    Диапазон температуры при хранении–40 °C ... +100 °C, без упаковки
    Ударопрочность50 g, 6 ms (EN 60068-2-27)
    Вибростойкость4 g, 5 Hz ... 100 Hz (EN 60068-2-6)
    • 1) При установленном ответном штекере.
  • Классификации
    ECl@ss 5.027270502
    ECl@ss 5.1.427270502
    ECl@ss 6.027270590
    ECl@ss 6.227270590
    ECl@ss 7.027270502
    ECl@ss 8.027270502
    ECl@ss 8.127270502
    ECl@ss 9.027270502
    ETIM 5.0EC001486
    ETIM 6.0EC001486
    UNSPSC 16.090141112113
Показать всё Скрыть всё

Технические чертежи

Габаритный чертеж Схема контактов Электрическое исполнение Выход напряжения Вид: Галерея Список Показать всё Скрыть всё
Показать всё Скрыть всё