0
ETI    SIEMENS    ABB    WIKA    IFM    ELKO EP    HYUNDAI    VEGA    KSR KUEBLER    Johnson Controls    Siemens IA/DT (CA01)    Bosch Rexroth    Alfa Laval    SICK    Others  

AFM60E-BHAC004096

Код: 1058476
Связатся с нами: 067 285 7770

В корзину

Показать всё Скрыть всё

  • Производительность
    Количество шагов на один оборот4.096 1)
    Количество оборотов4.096
    Макс. разрешение (в однооборотном, многооборотном исполнении)4.096 (12 bit), 4.096 (12 bit)
    Допуски G0,2° 2)
    Повторяющееся стандартное отклонение σr0,002° 3)
    • 1) См. анализ максимальной частоты вращения.
    • 2) Согласно DIN ISO 1319-1, верхний и нижний допуск зависят от условий монтажа, указанное значение приводится для симметричного расположения, то есть отклонения в верхнем и нижнем направлении одинаковы.
    • 3) По DIN ISO 55350-13, 68,3 % измеренных величин не выходят за рамки указанного диапазона.
  • Интерфейсы
    Интерфейс связиSSI
    Время инициализации50 ms 1)
    Время построения позиции< 1 µs
    SSI
    Тип кодаGray
    Не программируемый
    Параметрируемая кодовая характеристикаCW/CCW параметрируется
    Тактовая частота≤ 1 MHz 2)
    Set (электронная настройка)H-активный (L = 0 - 3 V, H = 4,0 - Us V)
    V/R (последовательность шагов в направлении вращения)L-активный (L = 0 - 1,5 V, H = 2,0 - Us V)
    Инкрементный
    Ток нагрузки≤ 30 mA
    • 1) После истечения этого времени можно считывать действительные положения.
    • 2) Минимальный, LOW-уровень (часы+): 500 нс.
  • Электрические данные
    Тип подключенияРазъем, M12, 8-контактный, радиальная
    Диапазон напряжения питания4,5 V DC ... 32 V DC
    Потребляемая мощность0,5 W (без нагрузки)
    Защита от инверсии полярности
    MTTFd: время до опасного выхода из строя250 лет (EN ISO 13849-1) 1)
    • 1) Данный продукт является стандартным изделием, а не предохранительным устройством, в соответствии с директивой по машиностроению. Расчет на основе номинальной нагрузки компонентов, средней температуры окружающей среды 40 °C, частота применения 8760 ч./год. Все выходы из строя электрических систем рассматриваются как опасные выходы из строя. Более подробная информация приведена в документе № 8015532.
  • Механические данные
    Механическое исполнениеГлухой полый вал
    Диаметр вала15 mm
    Вес0,2 kg 1)
    Материал, валНержавеющая сталь
    Материал, фланецАлюминий
    Материал, корпусАлюминиевое литье
    Пусковой момент< 0,8 Ncm 2)
    Рабочий крутящий момент< 0,6 Ncm 2)
    Допустимое перемещение вала, статическое

    ± 0,5 mm (осевая)

    ± 0,3 mm (радиальная)

    Допустимое перемещение вала, динамическое

    ± 0,2 mm (осевая)

    ± 0,1 mm (радиальная)

    Момент инерции ротора40 gcm²
    Срок службы подшипника3,0 x 10^9 оборотов
    Угловое ускорение+ 500.000 rad/s²
    Рабочая частота вращения≤ 6.000 min⁻¹
    • 1) Относится к устройствам с штепсельным разъемом.
    • 2) При 20 °C.
  • Данные окружающей среды
    ЭМСПо EN 61000-6-2 и EN 61000-6-3 1)
    Тип защиты

    IP65, со стороны вала (согласно IEC 60529)

    IP67, со стороны корпуса (согласно IEC 60529) 2)

    Допустимая относительная влажность воздуха90 % (Образование конденсата на оптических сканирующих элементах не допускается)
    Диапазон рабочей температуры0 °C ... +85 °C
    Диапазон температуры при хранении–40 °C ... +100 °C, без упаковки
    Ударопрочность50 g, 6 ms (согласно EN 60068-2-27)
    Вибростойкость20 g, 10 Hz ... 2.000 Hz (согласно EN 60068-2-6)
    • 1) Электромагнитная совместимость в соответствии с приведенными стандартами обеспечивается при условии применения экранированных кабелей.
    • 2) При установленном ответном штекере.
  • Классификации
    ECl@ss 5.027270502
    ECl@ss 5.1.427270502
    ECl@ss 6.027270590
    ECl@ss 6.227270590
    ECl@ss 7.027270502
    ECl@ss 8.027270502
    ECl@ss 8.127270502
    ECl@ss 9.027270502
    ETIM 5.0EC001486
    ETIM 6.0EC001486
    UNSPSC 16.090141112113
Показать всё Скрыть всё

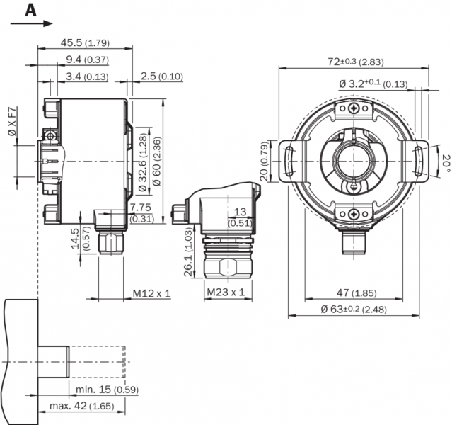
Технические чертежи

Габаритный чертеж Глухой полый вал, радиальное штекерное соединение M12 и M23 Схема контактов Вид приборного штекера M12 на энкодере Схема контактов Анализ частоты вращения Диаграммы Диаграммы Анализ частоты вращения Вид: Галерея Список Показать всё Скрыть всё
Показать всё Скрыть всё