0
ETI    SIEMENS    ABB    WIKA    IFM    ELKO EP    HYUNDAI    VEGA    KSR KUEBLER    Johnson Controls    Siemens IA/DT (CA01)    Bosch Rexroth    Alfa Laval    SICK    Others  

AFM60I-BDPC262144

Код: 1083996
Связатся с нами: 067 285 7770

В корзину

Показать всё Скрыть всё

  • Производительность
    Количество шагов на один оборот262.144 (Интерфейс SSI) 1)
    Количество оборотов4.096
    Макс. разрешение (в однооборотном, многооборотном исполнении)262.144 (18 bit), 4.096 (12 bit)
    Допуски G± 0,03° 2)
    Повторяющееся стандартное отклонение σr≤ 0,002° 3)
    • 1) См. анализ максимальной частоты вращения.
    • 2) Согласно DIN ISO 1319-1, верхний и нижний допуск зависят от условий монтажа, указанное значение приводится для симметричного расположения, то есть отклонения в верхнем и нижнем направлении одинаковы.
    • 3) По DIN ISO 55350-13, 68,3 % измеренных величин не выходят за рамки указанного диапазона.
  • Интерфейсы
    Интерфейс связиSSI
    Время инициализации50 ms 1)
    Время построения позиции< 1 µs
    SSI
    Тип кодаGray
    Параметрируемая кодовая характеристикаCW/CCW
    Тактовая частота2 MHz 2)
    Set (электронная настройка)H-активный (L = 0 - 3 V, H = 4,0 - Us V)
    V/R (последовательность шагов в направлении вращения)L-активный (L = 0 - 1,5 V, H = 2,0 - Us V)
    • 1) После истечения этого времени можно считывать действительные положения.
    • 2) SSI макс. тактовая частота 2 МГц, или мин. LOW-уровень (часы+): 500 нс.
  • Электрические данные
    Тип подключенияРазъем, M12, 8-контактный, радиальная
    Диапазон напряжения питания4,5 V DC ... 32 V DC
    Защита от инверсии полярности
    MTTFd: время до опасного выхода из строя250 лет 1)
    • 1) Данный продукт является стандартным изделием, а не предохранительным устройством, в соответствии с директивой по машиностроению. Расчет на основе номинальной нагрузки компонентов, средней температуры окружающей среды 40 °C, частота применения 8760 ч./год. Все выходы из строя электрических систем рассматриваются как опасные выходы из строя. Более подробная информация приведена в документе № 8015532.
  • Механические данные
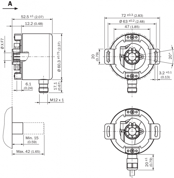
    Механическое исполнениеГлухой полый вал
    Диаметр вала10 mm
    Вес0,5 kg 1)
    Материал, валНержавеющая сталь
    Материал, фланецНержавеющая сталь
    Материал, корпусНержавеющая сталь
    Пусковой момент1 Ncm
    Рабочий крутящий момент0,5 Ncm
    Допустимое перемещение вала осевое, статическое/динамическое± 0,5 mm, ± 0,1 mm
    Допустимое перемещение вала радиальное, статическое/динамическое± 0,3 mm, ± 0,1 mm
    Допустимая нагрузка на вал

    80 N / радиальная

    40 N / осевая

    Момент инерции ротора40 gcm²
    Срок службы подшипника3,0 x 10^9 оборотов
    Угловое ускорение≤ 500.000 rad/s²
    Рабочая частота вращения≤ 6.000 min⁻¹ 2)
    • 1) Относится к устройствам с штепсельным разъемом.
    • 2) При расчете диапазона рабочей температуры учитывайте собственный нагрев 3,3 K на 1 000 об/мин.
  • Данные окружающей среды
    ЭМСПо EN 61000-6-2 и EN 61000-6-3 1)
    Тип защиты

    IP67, со стороны вала

    IP67, со стороны корпуса, отвод с разъемом, глухой полый вал, сплошной вал 2)

    IP67, кабельный отвод со стороны корпуса

    Допустимая относительная влажность воздуха90 % (Образование конденсата на оптических сканирующих элементах не допускается)
    Диапазон рабочей температуры

    –40 °C ... +100 °C 3)

    –30 °C ... +100 °C 4)

    Диапазон температуры при хранении–40 °C ... +100 °C, без упаковки
    Ударопрочность100 g, 6 ms (согласно EN 60068-2-27)
    Вибростойкость10 g, 10 Hz ... 2.000 Hz (согласно EN 60068-2-6)
    • 1) Электромагнитная совместимость в соответствии с приведенными стандартами обеспечивается при условии применения экранированных кабелей.
    • 2) При установленном ответном штекере.
    • 3) При стационарной прокладке кабеля.
    • 4) При нестационарной прокладке кабеля.
  • Классификации
    ECl@ss 5.027270502
    ECl@ss 5.1.427270502
    ECl@ss 6.027270590
    ECl@ss 6.227270590
    ECl@ss 7.027270502
    ECl@ss 8.027270502
    ECl@ss 8.127270502
    ECl@ss 9.027270502
    ETIM 5.0EC001486
    ETIM 6.0EC001486
    UNSPSC 16.090141112113
Показать всё Скрыть всё

Технические чертежи

Габаритный чертеж Глухой полый вал Схема контактов Разъем M12, 8-контактный и кабельное соединение, кабель 8-жильный, SSI/Gray Анализ частоты вращения Диаграммы Диаграммы Анализ частоты вращения Вид: Галерея Список Показать всё Скрыть всё
Показать всё Скрыть всё