0
ETI    SIEMENS    ABB    WIKA    IFM    ELKO EP    HYUNDAI    VEGA    KSR KUEBLER    Johnson Controls    Siemens IA/DT (CA01)    Bosch Rexroth    Alfa Laval    SICK    Others  

AFS60A-S1IB262144

Код: 1055362
Связатся с нами: 067 285 7770

В корзину

Показать всё Скрыть всё

  • Производительность
    Количество шагов на один оборот262.144 (макс.)
    Количество оборотов1 (макс.)
    Макс. разрешение (в однооборотном, многооборотном исполнении)262.144, 1
    Допуски G0,03° 1)
    Повторяющееся стандартное отклонение σr0,002° 2)
    • 1) Согласно DIN ISO 1319-1, верхний и нижний допуск зависят от условий монтажа, указанное значение приводится для симметричного расположения, то есть отклонения в верхнем и нижнем направлении одинаковы.
    • 2) По DIN ISO 55350-13, 68,3 % измеренных величин не выходят за рамки указанного диапазона.
  • Интерфейсы
    Интерфейс связиEtherNet/IP™
    Профиль энкодера0 x 22
    Скорость передачи данных (в бодах)

    10 Mbit/s

    100 Mbit/s

    Среда передачиКабель CAT 5e
    RPI (requested packet interval)5 ms ... 750 ms
    DLR (Device Level Ring)
    Время инициализацииОк. 12 s
  • Электрические данные
    Тип подключенияРазъем, 3 x M12, 4-контактный, осевая
    Диапазон напряжения питания10 V DC ... 30 V DC
    Защита от инверсии полярности
    MTTFd: время до опасного выхода из строя80 лет (EN ISO 13849-1) 1)
    • 1) Данный продукт является стандартным изделием, а не предохранительным устройством, в соответствии с директивой по машиностроению. Расчет на основе номинальной нагрузки компонентов, средней температуры окружающей среды 40 °C, частота применения 8760 ч./год. Все выходы из строя электрических систем рассматриваются как опасные выходы из строя. Более подробная информация приведена в документе № 8015532.
  • Механические данные
    Механическое исполнениеСплошной вал, Сервофланец
    Диаметр вала6 mm x 10 mm
    Длина вала10 mm
    Вес0,2 kg
    Материал, валНержавеющая сталь
    Материал, фланецАлюминий
    Материал, корпусАлюминий
    Пусковой момент0,5 Ncm
    Рабочий крутящий момент0,3 Ncm
    Допустимое перемещение вала осевое, статическое/динамическое± 0,1 mm
    Допустимая нагрузка на вал

    80 N / радиальная

    40 N / осевая

    Момент инерции ротора6,2 gcm²
    Срок службы подшипника3,0 x 10^9 оборотов
    Угловое ускорение≤ 500.000 rad/s²
  • Данные окружающей среды
    ЭМСПо EN 61000-6-2 и EN 61000-6-3 1)
    Тип защиты

    IP65, со стороны вала (согласно IEC 60529)

    IP67, со стороны корпуса (согласно IEC 60529) 2)

    Допустимая относительная влажность воздуха90 % (Образование конденсата на оптических сканирующих элементах не допускается)
    Диапазон рабочей температуры–40 °C ... +85 °C
    Диапазон температуры при хранении–40 °C ... +100 °C, без упаковки
    Ударопрочность100 g, 6 ms (согласно EN 60068-2-27)
    Вибростойкость30 g, 10 Hz ... 2.000 Hz (согласно EN 60068-2-6)
    • 1) Электромагнитная совместимость в соответствии с приведенными стандартами обеспечивается при условии применения экранированных кабелей.
    • 2) При установленном ответном штекере.
  • Классификации
    ECl@ss 5.027270502
    ECl@ss 5.1.427270502
    ECl@ss 6.027270590
    ECl@ss 6.227270590
    ECl@ss 7.027270502
    ECl@ss 8.027270502
    ECl@ss 8.127270502
    ECl@ss 9.027270502
    ETIM 5.0EC001486
    ETIM 6.0EC001486
    UNSPSC 16.090141112113
Показать всё Скрыть всё

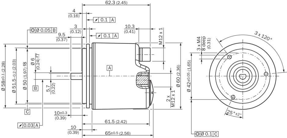
Технические чертежи

Габаритный чертеж Montagehinweis Рекомендации по установке сервозажима, получаша (артикул 2029165) Схема контактов Montagehinweis Рекомендации по установке малого сервозажима (артикул 2029166) Вид: Галерея Список Показать всё Скрыть всё
Показать всё Скрыть всё