0
ETI    SIEMENS    ABB    WIKA    IFM    ELKO EP    HYUNDAI    VEGA    KSR KUEBLER    Johnson Controls    Siemens IA/DT (CA01)    Bosch Rexroth    Alfa Laval    SICK    Others  

AHM36A-S1PC014x12

Код: 1066009
Связатся с нами: 067 285 7770

В корзину

Показать всё Скрыть всё

  • Производительность
    Количество шагов на один оборот16.384 (макс.)
    Количество оборотов4.096 (макс.)
    Макс. разрешение (в однооборотном, многооборотном исполнении)16.384 (14 bit), 4.096 (12 bit)
    Допуски G0,35° (при 20 °C) 1)
    Повторяющееся стандартное отклонение σr0,25° (при 20 °C) 2)
    • 1) Согласно DIN ISO 1319-1, верхний и нижний допуск зависят от условий монтажа, указанное значение приводится для симметричного расположения, то есть отклонения в верхнем и нижнем направлении одинаковы.
    • 2) По DIN ISO 55350-13, 68,3 % измеренных величин не выходят за рамки указанного диапазона.
  • Интерфейсы
    Интерфейс связиSSI
    Данные параметрирования

    Количество шагов на один оборот

    Количество оборотов (только для многооборотных версий)

    PRESET

    Направление отсчета

    Тип кода

    Смещение позиционного бита

    Позиция бита ошибки

    Функция «круглые оси» (только многооборотная версия)

    Режим SSI

    Время инициализации100 ms 1)
    SSI
    Тип кодаGray, двоичный
    Программируемый
    Параметрируемая кодовая характеристикаCW/CCW параметрируется через программный инструментарий или по кабелю
    Тактовая частота2 MHz 2)
    Set (электронная настройка)H-активный (L = 0 - 3 V, H = 4,0 - Us V)
    V/R (последовательность шагов в направлении вращения)L-активный (L = 0 - 1 V, H = 2,0 - Us V)
    • 1) После истечения этого времени можно считывать действительные положения.
    • 2) Минимальный, LOW-уровень (часы+): 500 нс.
  • Электрические данные
    Тип подключенияРазъем, M12, 8-контактный, универсальный
    Диапазон напряжения питания4,5 V DC ... 32 V DC
    Потребляемая мощностьБез нагрузки
    Защита от инверсии полярности
    MTTFd: время до опасного выхода из строя230 лет (EN ISO 13849-1) 1)
    • 1) Данный продукт является стандартным изделием, а не предохранительным устройством, в соответствии с директивой по машиностроению. Расчет на основе номинальной нагрузки компонентов, средней температуры окружающей среды 40 °C, частота применения 8760 ч./год. Все выходы из строя электрических систем рассматриваются как опасные выходы из строя. Более подробная информация приведена в документе № 8015532.
  • Механические данные
    Механическое исполнениеСплошной вал, Сервофланец
    Диаметр вала6 mm x 12 mm
    Длина вала12 mm
    Вес0,12 kg, относится к шифратору с штепсельным разъемом
    Материал, валНержавеющая сталь
    Материал, фланецАлюминий
    Материал, корпусЦинк
    Пусковой момент1 Ncm 1)
    Рабочий крутящий момент< 1 Ncm 1)
    Допустимая нагрузка на вал

    40 N / радиальная

    20 N / осевая

    Момент инерции ротора2,5 gcm²
    Срок службы подшипника3,6 x 10^8 оборотов
    Угловое ускорение≤ 500.000 rad/s²
    • 1) Для энкодеров усовершенствованного типа необходимо регулярно выполнять техническое обслуживание уплотнения вала.
  • Данные окружающей среды
    ЭМСПо EN 61000-6-2 и EN 61000-6-3
    Тип защиты

    IP66 / IP67, со стороны корпуса (согласно IEC 60529) 1)

    IP66 / IP67, со стороны вала (согласно IEC 60529) 2)

    Допустимая относительная влажность воздуха90 % (Образование конденсата не допускается)
    Диапазон рабочей температуры–40 °C ... +100 °C
    Диапазон температуры при хранении–40 °C ... +100 °C, без упаковки
    Ударопрочность100 g, 6 ms (согласно EN 60068-2-27)
    Вибростойкость20 g, 10 Hz ... 2.000 Hz (согласно EN 60068-2-6)
    • 1) При установленном ответном штекере.
    • 2) Для энкодеров усовершенствованного типа необходимо регулярно выполнять техническое обслуживание уплотнения вала.
  • Классификации
    ECl@ss 5.027270502
    ECl@ss 5.1.427270502
    ECl@ss 6.027270590
    ECl@ss 6.227270590
    ECl@ss 7.027270502
    ECl@ss 8.027270502
    ECl@ss 8.127270502
    ECl@ss 9.027270502
    ETIM 5.0EC001486
    ETIM 6.0EC001486
    UNSPSC 16.090141112113
Показать всё Скрыть всё

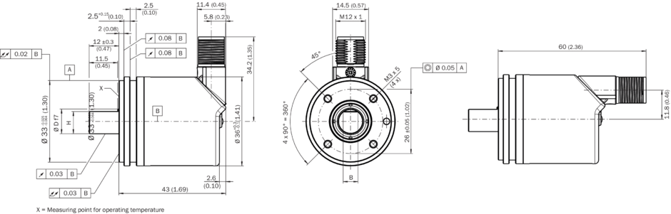
Технические чертежи

Сплошной вал, сервофланец, штепсельный разъем Схема контактов Вид приборного штекера M12 на энкодере Схема контактов Вид: Галерея Список Показать всё Скрыть всё
Показать всё Скрыть всё