0
ETI    SIEMENS    ABB    WIKA    IFM    ELKO EP    HYUNDAI    VEGA    KSR KUEBLER    Johnson Controls    Siemens IA/DT (CA01)    Bosch Rexroth    Alfa Laval    SICK    Others  

ARS60-A1K32768

Код: 1031504
Связатся с нами: 067 285 7770

В корзину

Показать всё Скрыть всё

  • Производительность
    Количество шагов на один оборот32.768 (возможно любое количество шагов от 00002 до 32768 В виде обычного текста, всегда 5 позиций.)
    Количество оборотов1
    Макс. разрешение (в однооборотном, многооборотном исполнении)32.768, 1
    Допуски G0,035°, 0,046° (бинарное значение шагов, небинарное значение шагов) 1)
    Повторяющееся стандартное отклонение σr0,005° 2)
    • 1) Согласно DIN ISO 1319-1, верхний и нижний допуск зависят от условий монтажа, указанное значение приводится для симметричного расположения, то есть отклонения в верхнем и нижнем направлении одинаковы.
    • 2) По DIN ISO 55350-13, 68,3 % измеренных величин не выходят за рамки указанного диапазона.
  • Интерфейсы
    Интерфейс связиSSI
    Время инициализации80 ms 1)
    SSI
    Параметрируемая кодовая характеристикаCW (по часовой стрелке), С возрастанием, при вращении вала. По часовой стрелке, если смотреть в направлении A (см. размерный чертеж). если смотреть на вал, который вращается по часовой стрелке
    • 1) После истечения этого времени можно считывать действительные положения.
  • Электрические данные
    Тип подключенияКабель, 11 жил, радиальная, 1,5 m
    Диапазон напряжения питания10 V DC ... 32 V DC
    Рабочий ток без нагрузки60 mA
    MTTFd: время до опасного выхода из строя300 лет (EN ISO 13849-1) 1)
    • 1) Данный продукт является стандартным изделием, а не предохранительным устройством, в соответствии с директивой по машиностроению. Расчет на основе номинальной нагрузки компонентов, средней температуры окружающей среды 40 °C, частота применения 8760 ч./год. Все выходы из строя электрических систем рассматриваются как опасные выходы из строя. Более подробная информация приведена в документе № 8015532.
  • Механические данные
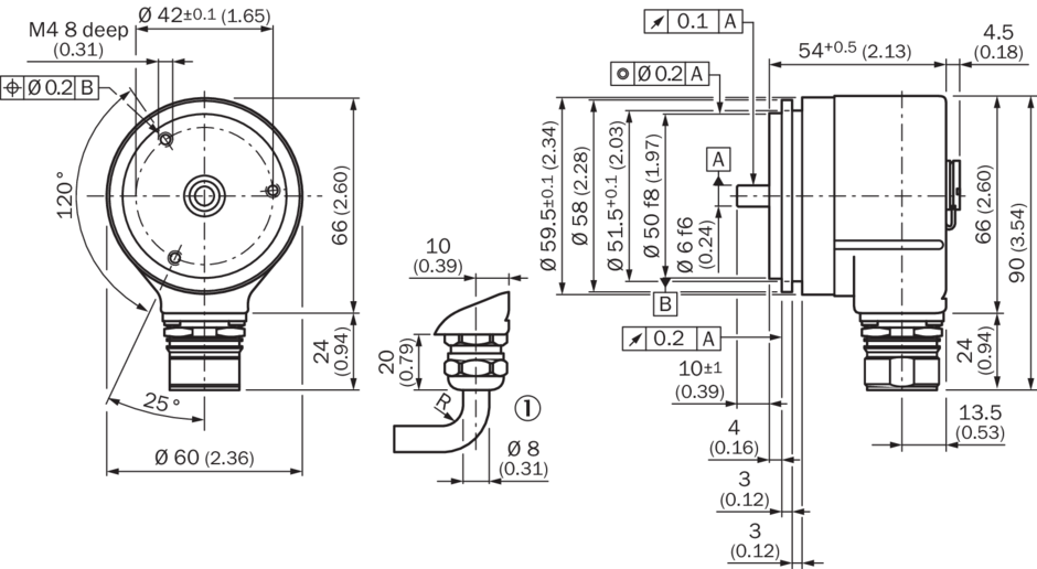
    Механическое исполнениеСплошной вал, Сервофланец
    Диаметр вала6 mm x 10 mm
    Длина вала10 mm
    Пусковой момент0,25 Ncm
    Рабочий крутящий момент0,2 Ncm
    Допустимая нагрузка на вал

    20 N / радиальная

    10 N / осевая

    Момент инерции ротора48 gcm²
    Срок службы подшипника3,6 x 10^9 оборотов
    Угловое ускорение≤ 500.000 rad/s²
  • Данные окружающей среды
    ЭМСПо EN 61000-6-2 и EN 61000-6-3 1)
    Тип защитыIP66 (согласно IEC 60529)
    Допустимая относительная влажность воздуха90 % (Образование конденсата на оптических сканирующих элементах не допускается)
    Диапазон рабочей температуры–20 °C ... +85 °C
    Диапазон температуры при хранении–40 °C ... +100 °C
    Ударопрочность50 g, 11 ms (согласно EN 60068-2-27)
    Вибростойкость20 g, 10 Hz ... 2.000 Hz (согласно EN 60068-2-6)
    • 1) Электромагнитная совместимость в соответствии с приведенными стандартами обеспечивается при условии применения экранированных кабелей.
  • Классификации
    ECl@ss 5.027270502
    ECl@ss 5.1.427270502
    ECl@ss 6.027270590
    ECl@ss 6.227270590
    ECl@ss 7.027270502
    ECl@ss 8.027270502
    ECl@ss 8.127270502
    ECl@ss 9.027270502
    ETIM 5.0EC001486
    ETIM 6.0EC001486
    UNSPSC 16.090141112113
Показать всё Скрыть всё

Технические чертежи

Габаритный чертеж Сервофланец, радиальное штекерное соединение M12 и M23 Вид: Галерея Список Показать всё Скрыть всё
Показать всё Скрыть всё