0
ETI    SIEMENS    ABB    WIKA    IFM    ELKO EP    HYUNDAI    VEGA    KSR KUEBLER    Johnson Controls    Siemens IA/DT (CA01)    Bosch Rexroth    Alfa Laval    SICK    Others  

CDF600-2200

Код: 1062460
Связатся с нами: 067 285 7770

В корзину

Показать всё Скрыть всё

  • Характеристики
    Краткое описаниеПрокси-модуль / шлюз промышленной сети для интеграции датчика идентификации в сети на базе PROFINET-IO (интерфейс 2 x M12, гнездо/гнездо, 4-конт.)
    Поддерживаемые изделияСерия Lector®, Серия CLV6, RFH6xx, RFU62x, RFU63x, Ручные сканеры
    Поддержка модуля имитации (CMC)Интегрированный
    Поддержка модуля дисплея (CMD)Нет
    Поддержка модуля питания (CMP)Нет
    Поддержка модуля промышленной сети (CMF)Интегрированный (PROFINET)
  • Интерфейсы
    PROFINET
    ФункцияPROFINET Dual Port
    Скорость передачи данных2-Port Ethernet согласно IEEE 802.3 (скорость передачи данных 100 Мбит/с, полнодуплексная связь, двухпортовый коммутатор, автосогласование, автоопределение перекрещивания пар). Максимальная длина массива данных ограничивается режимом связи (протоколом фрагментации) на уровне 4000 байт.
    Последовательный✔ , RS-232
    ФункцияAUX
    Скорость передачи данных57,6 kBaud
    CAN
    ПримечаниеВ зависимости от подключенного датчика
    Переключающие входы1
    Переключающие выходы0
    Оптическая индикация6 LEDs
    Конфигурационное ПОSOPAS ET
  • Механика/электроника
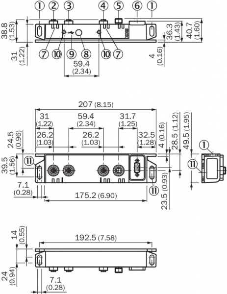
    Электрическое подключение

    1 x разъем «DEVICE», 15-конт. гнездо D-Sub-HD с уплотнением

    1 x разъем «POWER», 5-конт. штекер M12, A-кодир.

    1 x Разъем «EXT. IN 1», 5-конт. гнездо M12, A-кодир

    1 x разъем «PROFINET P1», 4-конт. гнездо M12, D-кодир.

    1 x разъем «PROFINET P2», 4-конт. гнездо M12, D-кодир.

    1 x USB-разъем, 5-конт. гнездо, тип Micro-B, для конфигурирования/диагностики, закрывается привинчивающейся крышкой

    Рабочее напряжение10 V DC ... 30 V DC
    Потребляемая мощность< 5 W, если нет подключенного датчика, и не подключен цифровой переключающий вход
    КорпусАлюминий (без покрытия)
    Цвет корпусаАлюминий (без покрытия)
    Тип защитыIP65
    Класс защитыIII
    Вес361 g
    Размеры (Д x Ш x В)207 mm x 49,5 mm x 40,7 mm
    Подключение сканераRS-232
  • Данные окружающей среды
    Электромагнитная совместимость (ЭМС)EN 61000-6-3/A1:2011-03 / EN 61000-6-2:2005-08
    ВиброустойчивостьEN 60068-2-6:2008-02
    УдаропрочностьEN 60068-2-27:2009-05
    Диапазон рабочих температур–35 °C ... +50 °C
    Температура хранения–35 °C ... +70 °C
    Допустимая относительная влажность воздуха< 90 %, без образования конденсата
  • Классификации
    ECl@ss 5.027242208
    ECl@ss 5.1.427242608
    ECl@ss 6.027242608
    ECl@ss 6.227242608
    ECl@ss 7.027242608
    ECl@ss 8.027242608
    ECl@ss 8.127242608
    ECl@ss 9.027242608
    ETIM 5.0EC001604
    ETIM 6.0EC001604
    UNSPSC 16.090132151705
Показать всё Скрыть всё

Технические чертежи

Габаритный чертеж Вид: Галерея Список Показать всё Скрыть всё
Показать всё Скрыть всё