0
ETI    SIEMENS    ABB    WIKA    IFM    ELKO EP    HYUNDAI    VEGA    KSR KUEBLER    Johnson Controls    Siemens IA/DT (CA01)    Bosch Rexroth    Alfa Laval    SICK    Others  

CFS50-AFV01X02

Код: 1060881
Связатся с нами: 067 285 7770

В корзину

Показать всё Скрыть всё

  • Производительность
    Количество штрихов на один оборот1.000 1)
    Измерительный шаг90° /количество штрихов
    Коммутационные сигналы2 Пары полюсов (см. диаграмму, другая коммутация по запросу)
    Базовый сигнал, количество1
    Базовый сигнал, положение90° электрические, логические соединения с A и B
    Рабочая частота вращения≤ 6.000 min⁻¹
    • 1) Количество штрихов от 1...1 000 и более 4 096...65 536 по запросу.
  • Интерфейсы
    Интерфейс связиTTL/RS422
  • Электрические данные
    Диапазон напряжения питания4,5 V DC ... 5,5 V DC
    Рабочий ток60 mA 1)
    Максимальная частота выходного сигнала≤ 820 kHz
    • 1) Без нагрузки.
  • Механические данные
    Исполнение валаКонический вал
    Тип фланца / статорная муфтаОпора на пружинную пластину
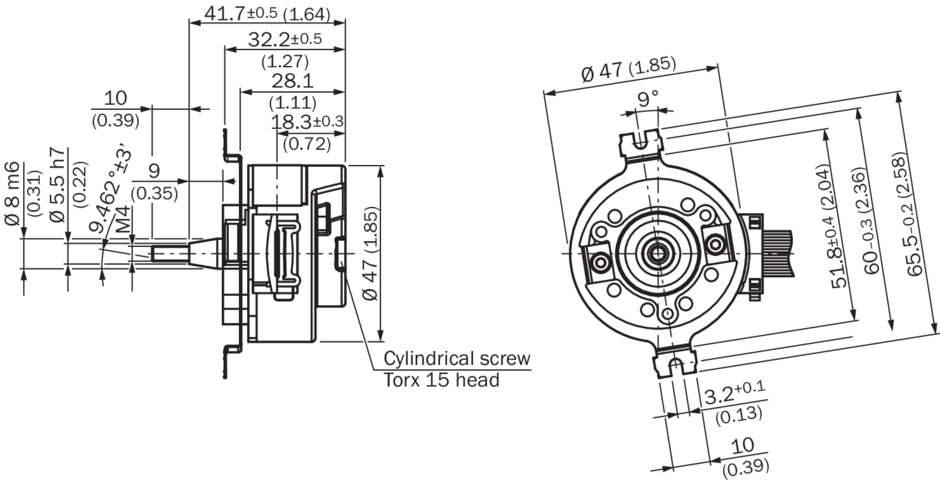
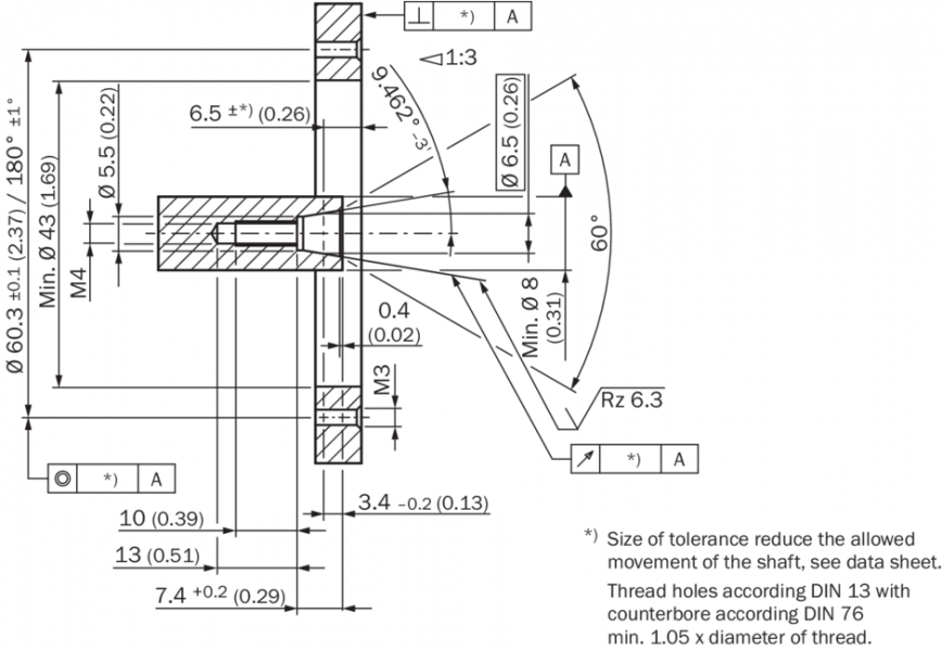
    РазмерыСм. размерный чертеж
    Вес0,1 kg
    Момент инерции ротора10 gcm²
    Рабочая частота вращения12.000 min⁻¹
    Угловое ускорение≤ 200.000 rad/s²
    Рабочий крутящий момент0,2 Ncm
    Пусковой момент0,4 Ncm
    Допустимое перемещение вала радиальное, статическое/динамическое± 0,5 mm / ± 0,1 mm
    Допустимое перемещение вала осевое, статическое/динамическое± 0,75 mm / ± 0,2 mm
    Угловое перемещение перпендикулярно оси вращения, статическое± 0,005 mm/mm
    Угловое перемещение перпендикулярно оси вращения, динамическое± 0,0025 mm/mm
    Срок службы шарикоподшипников3,6 x 10^9 оборотов
    Тип подключенияМногожильный гибкий провод, 15-конт., радиальная
  • Данные окружающей среды
    Диапазон рабочей температуры–20 °C ... +115 °C
    Диапазон температуры хранения–40 °C ... +125 °C, без упаковки
    Относительная влажность воздуха/образование конденсата90 %, Образование конденсата не допускается
    Ударопрочность100 g, 10 ms (согласно EN 60068-2-27)
    Диапазон частоты вибростойкости20 g, 10 Hz ... 2.000 Hz (согласно EN 60068-2-6)
    ЭМСПо EN 61000-6-2 и EN 61000-6-3 1)
    Тип защитыIP40 (согласно IEC 60529)
    • 1) Электромагнитная совместимость в соответствии с приведенными стандартами обеспечивается, если система обратной связи двигателя установлена в электропроводящем корпусе, который соединен экранированным кабелем с центральной точкой заземления регулятора двигателя. Соединение GND-(0 В) напряжения питания там также связано с землей. При применении другой концепции экранирования пользователь должен провести собственное тестирование.
  • Классификации
    ECl@ss 5.027270501
    ECl@ss 5.1.427270501
    ECl@ss 6.027270590
    ECl@ss 6.227270590
    ECl@ss 7.027270501
    ECl@ss 8.027270501
    ECl@ss 8.127270501
    ECl@ss 9.027270501
    ETIM 5.0EC001486
    ETIM 6.0EC001486
    UNSPSC 16.090141112113
Показать всё Скрыть всё

Технические чертежи

Габаритный чертеж Схема контактов Диаграммы Диаграммы При постоянном числе оборотов, со стороны входного вала, вращение по часовой стрелке Montagehinweis Вид: Галерея Список Показать всё Скрыть всё
Показать всё Скрыть всё