Показать всё Скрыть всё
- Характеристики
| Версия | Mid Range |
| Тип подключения | Кабель |
| Окно считывания | С лицевой стороны |
| Исполнение сканера | Линейный сканер |
| Фокус | Фиксированный фокус |
| Источник света | Видимый красный свет (655 nm) |
| Средняя наработка на отказ | 40.000 h |
| Класс лазера | 2 (IEC 60825-1:2014, EN 60825-1:2014) |
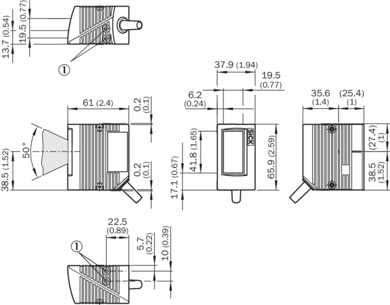
| Угол раскрытия | ≤ 50° |
| Частота сканирования | 400 Hz ... 1.000 Hz |
| Разрешение кода | 0,2 mm ... 1 mm |
| Расстояние считывания | 60 mm ... 365 mm 1) |
- Производительность
| Виды штрихкода | Все основные виды кода, Code 39, Code 128, Code 93, Codabar, UPC / GTIN / EAN, 2/5 Interleaved, Pharmacode |
| Степень сжатия | 2:1 ... 3:1 |
| Количество кодов на скан | 1 ... 10 (Стандартный декодер) 1 ... 6 (SMART620) |
| Количество кодов на считывающий проход | 1 ... 50 (с автоматическим распознаванием) |
| Количество символов на считывающий проход | 1.500 500 (с функцией CAN-мультиплексер) |
| Количество многократных считываний | 1 ... 99 |
- Интерфейсы
| Последовательный | ✔ , RS-232 | | Функция | Host, AUX | | Скорость передачи данных | 2.400 Baud ... 115,2 kBaud, AUX: 57,6 кбод |
|
| CAN | ✔ | | Функция | Сеть датчиков SICK CSN на базе CAN (мастер/слейв, мультиплексер/сервер) | | Скорость передачи данных | 20 kbit/s ... 1 Mbit/s |
|
| Переключающие входы | 4 («Датчик 1», «Датчик 2», 2 входа через опциональный накопитель параметров CMC600 в CDB620/CDM420) |
| Переключающие выходы | 4 («Результат 1», «Результат 2», 2 выхода через опциональный накопитель параметров CMC600 в CDB620/CDM420) |
| Тактирование сигналов считывания | Переключающие входы, свободно, Последовательный интерфейс, Автотактирование, CAN |
| Оптическая индикация | 1 RGB-LED (многофункциональные) |
| Акустическая индикация | Бипер/зуммер (отключаемый, с возможностью назначения функции сигнала о результате) |
| Конфигурационное ПО | SOPAS ET |
- Механика/электроника
| Электрическое подключение | 1 x 15-контактный разъем D-Sub-HD (0,9 м) |
| Рабочее напряжение | 10 V DC ... 30 V DC |
| Потребляемая мощность | 2,8 W |
| Корпус | Алюминиевое литье |
| Цвет корпуса | Светло-голубой (RAL 5012) |
| Лицевая панель | Стекло |
| Тип защиты | IP65 (DIN 40 050) |
| Класс защиты | III (VDE 0106/IEC 1010-1) |
| Вес | 265 g, с соединительным кабелем |
| Размеры (Д x Ш x В) | 61 mm x 66 mm x 38 mm |
- Данные окружающей среды
| Электромагнитная совместимость (ЭМС) | EN 61000-6-4 (2007-01) + A1 (2011) / EN 61000-6-2:2005-08 |
| Виброустойчивость | EN 60068-2-6:2008-02 |
| Ударопрочность | EN 60068-2-27:2009-05 |
| Диапазон рабочих температур | 0 °C ... +40 °C |
| Температура хранения | –20 °C ... +70 °C |
| Допустимая относительная влажность воздуха | 90 %, без образования конденсата |
| Нечувствительность ко внешним источникам света | 2.000 lx, на штрихкоде |
| Контраст печати штрихкода (PCS) | ≥ 60 % |
- Общие указания
| Комплект поставки | Одиночный сканер |
- Классификации
| ECl@ss 5.0 | 27280102 |
| ECl@ss 5.1.4 | 27280102 |
| ECl@ss 6.0 | 27280102 |
| ECl@ss 6.2 | 27280102 |
| ECl@ss 7.0 | 27280102 |
| ECl@ss 8.0 | 27280102 |
| ECl@ss 8.1 | 27280102 |
| ECl@ss 9.0 | 27280102 |
| ETIM 5.0 | EC002550 |
| ETIM 6.0 | EC002550 |
| UNSPSC 16.0901 | 43211701 |
Показать всё Скрыть всё Технические чертежи
Габаритный чертеж CLV61x стандарт, фронтальный
Диаграмма поля считывания
Вид: Галерея Список Показать всё Скрыть всё Показать всё Скрыть всё