0
ETI    SIEMENS    ABB    WIKA    IFM    ELKO EP    HYUNDAI    VEGA    KSR KUEBLER    Johnson Controls    Siemens IA/DT (CA01)    Bosch Rexroth    Alfa Laval    SICK    Others  

CLV615-D2410F0

Код: 1078175
Связатся с нами: 067 285 7770

В корзину

Показать всё Скрыть всё

  • Характеристики
    ВерсияLong Range
    Тип подключенияКабель
    Окно считыванияСбоку (105°)
    Исполнение сканераЛинейный сканер
    ФокусФиксированный фокус
    Источник светаВидимый красный свет (655 nm)
    Средняя наработка на отказ40.000 h
    Класс лазера2 (IEC 60825-1:2014, EN 60825-1:2014)
    Угол раскрытия≤ 50°
    Частота сканирования400 Hz ... 1.000 Hz
    Разрешение кода0,35 mm ... 0,5 mm
    Расстояние считывания25 mm ... 330 mm 1)
    Обогрев
    • 1) Подробности на диаграмме зоны считывания.
  • Производительность
    Виды штрихкодаВсе основные виды кода, Code 39, Code 128, Code 93, Codabar, UPC / GTIN / EAN, 2/5 Interleaved, Pharmacode
    Степень сжатия2:1 ... 3:1
    Количество кодов на скан

    1 ... 10 (Стандартный декодер)

    1 ... 6 (SMART620)

    Количество кодов на считывающий проход1 ... 50 (с автоматическим распознаванием)
    Количество символов на считывающий проход1.500
    Количество многократных считываний1 ... 99
  • Интерфейсы
    PROFINET
    ФункцияPROFINET Dual Port
    Скорость передачи данных2-Port Ethernet согласно IEEE 802.3 (скорость передачи данных 100 Мбит/с, полнодуплексная связь, двухпортовый коммутатор, автосогласование, автоопределение перекрещивания пар). Максимальная длина массива данных ограничивается режимом связи (протоколом фрагментации) на уровне 4000 байт.
    USB
    ФункцияAUX
    Переключающие входы1 (через биты управления PROFINET)
    Переключающие выходы4 (через биты управления PROFINET)
    Тактирование сигналов считыванияСвободно, Автотактирование, Вход промышленной сети, Команда
    Оптическая индикация5 LEDs
    Конфигурационное ПОSOPAS ET
  • Механика/электроника
    Электрическое подключение

    1 x разъем «POWER», 4-конт. штекер M12 (0,9 м), A-кодир.

    1 x разъем «PROFINET P1», 4-конт. гнездо M12, D-кодир.

    1 x разъем «PROFINET P2», 4-конт. гнездо M12, D-кодир.

    1 x Гнездо Micro-USB, тип B

    Рабочее напряжение18 V DC ... 30 V DC
    Потребляемая мощность15 W
    КорпусАлюминиевое литье
    Цвет корпусаСветло-голубой (RAL 5012)
    Лицевая панельСтекло
    Тип защитыIP65 (DIN 40 050)
    Класс защитыIII (VDE 0106/IEC 1010-1)
    Вес345,8 g
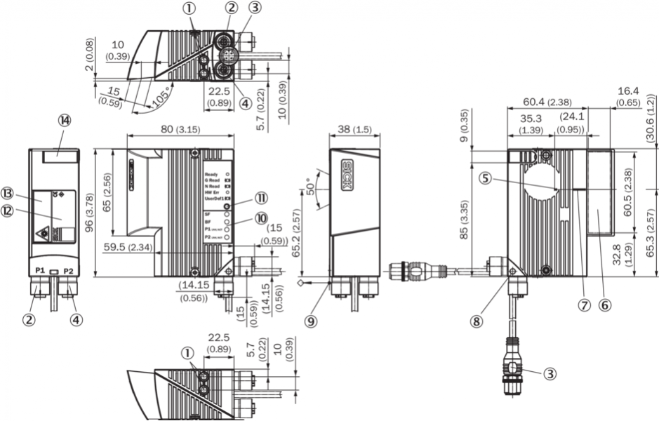
    Размеры (Д x Ш x В)80 mm x 96 mm x 38 mm
  • Данные окружающей среды
    Электромагнитная совместимость (ЭМС)EN 61000-6-4 (2007-01) + A1 (2011) / EN 61000-6-2:2005-08
    ВиброустойчивостьEN 60068-2-6:2008-02
    УдаропрочностьEN 60068-2-27:2009-05
    Диапазон рабочих температур–35 °C ... +40 °C
    Температура хранения–35 °C ... +70 °C
    Допустимая относительная влажность воздуха90 %, без образования конденсата
    Нечувствительность ко внешним источникам света2.000 lx, на штрихкоде
    Контраст печати штрихкода (PCS)≥ 60 %
  • Классификации
    ECl@ss 5.027280102
    ECl@ss 5.1.427280102
    ECl@ss 6.027280102
    ECl@ss 6.227280102
    ECl@ss 7.027280102
    ECl@ss 8.027280102
    ECl@ss 8.127280102
    ECl@ss 9.027280102
    ETIM 5.0EC002550
    ETIM 6.0EC002550
    UNSPSC 16.090143211701
Показать всё Скрыть всё

Технические чертежи

Габаритный чертеж Диаграмма поля считывания Вид: Галерея Список Показать всё Скрыть всё
Показать всё Скрыть всё