Показать всё Скрыть всё
- Характеристики
| Версия | Long Range |
| Тип подключения | Кабель |
| Окно считывания | Сбоку (105°) |
| Исполнение сканера | Линейный сканер |
| Фокус | Фиксированный фокус |
| Источник света | Видимый красный свет (655 nm) |
| Световое пятно | Круглой формы |
| Средняя наработка на отказ | 40.000 h |
| Класс лазера | 2 (IEC 60825-1:2014, EN 60825-1:2014) |
| Угол раскрытия | ≤ 50° |
| Частота сканирования | 400 Hz ... 1.200 Hz |
| Разрешение кода | 0,35 mm ... 1 mm |
| Расстояние считывания | 44 mm ... 683 mm 1) |
- Производительность
| Виды штрихкода | Все основные виды кода, Code 39, Code 128, Code 93, Codabar, GS1-128 / EAN 128, UPC / GTIN / EAN, 2/5 Interleaved, Pharmacode, GS1 DataBar, Telepen, MSI/Plessey |
| Степень сжатия | 2:1 ... 3:1 |
| Количество кодов на скан | 1 ... 20 (Стандартный декодер) 1 ... 6 (Декодер SMART) |
| Количество кодов на считывающий проход | 1 ... 50 (с автоматическим распознаванием) |
| Количество символов на считывающий проход | 5.000 500 (с функцией CAN-мультиплексер) |
| Количество многократных считываний | 1 ... 99 |
- Интерфейсы
| PROFINET | ✔ | | Функция | PROFINET Dual Port (опционально через внешний модуль промышленной сети CDF600-2) |
|
| EtherCAT® | ✔ | | Тип интеграции в шину | В качестве опции через внешний модуль промышленной сети CDF600 |
|
| Последовательный | ✔ , RS-232, RS-422, RS-485 | | Функция | Host, AUX | | Скорость передачи данных | 2.400 Baud ... 115,2 kBaud, AUX: 57,6 кбод (RS-232) |
|
| CAN | ✔ | | Функция | Сеть датчиков SICK CSN на базе CAN (мастер/слейв, мультиплексер/сервер) | | Скорость передачи данных | 20 kbit/s ... 1 Mbit/s |
|
| CANopen | ✔ | | Скорость передачи данных | 20 kbit/s ... 1 Mbit/s |
|
| PROFIBUS DP | ✔ | | Тип интеграции в шину | В качестве опции через внешний модуль промышленной сети CDF600-2 |
|
| DeviceNet™ | ✔ | | Тип интеграции в шину | В качестве опции через внешний соединительный модуль CDM + CMF |
|
| Переключающие входы | 4 («Датчик 1», «Датчик 2», 2 входа через опциональный накопитель параметров CMC600 в CDB620/CDM420) |
| Переключающие выходы | 4 («Результат 1», «Результат 2», 2 выхода через опциональный накопитель параметров CMC600 в CDB620/CDM420) |
| Тактирование сигналов считывания | Переключающие входы, свободно, Последовательный интерфейс, Автотактирование, CAN |
| Оптическая индикация | 6 LEDs (Ready, Result, Лазер, Data, CAN, LNK TX, Гистограмма для индикации процентного выражения качества считывания (10 светодиодов)) |
| Акустическая индикация | Бипер/зуммер (отключаемый, с возможностью назначения функции сигнала о результате) |
| Элементы управления | 2 клавиши (выбор и запуск / отключение функций) |
| Конфигурационное ПО | SOPAS ET |
| Карта памяти | Карта памяти MicroSD (флеш-накопитель), опция |
- Механика/электроника
| Электрическое подключение | 1 x 15-контактный разъем D-Sub-HD (0,9 м) |
| Рабочее напряжение | 18 V DC ... 30 V DC |
| Потребляемая мощность | 5 W |
| Корпус | Алюминиевое литье |
| Цвет корпуса | Светло-голубой (RAL 5012) |
| Лицевая панель | Стекло |
| Тип защиты | IP65 (EN 60529) |
| Класс защиты | III (EN 61140) |
| Вес | 340 g, с соединительным кабелем |
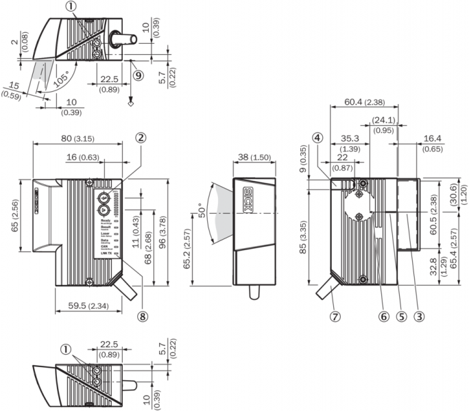
| Размеры (Д x Ш x В) | 80 mm x 96 mm x 38 mm |
- Данные окружающей среды
| Электромагнитная совместимость (ЭМС) | EN 61000-6-3 (2001-10) / EN 61000-6-2:2005 |
| Виброустойчивость | EN 60068-2-6 (1995) |
| Ударопрочность | EN 60068-2-27 (1993) |
| Диапазон рабочих температур | 0 °C ... +40 °C |
| Температура хранения | –20 °C ... +70 °C |
| Допустимая относительная влажность воздуха | 90 %, без образования конденсата |
| Нечувствительность ко внешним источникам света | 2.000 lx, на штрихкоде |
| Контраст печати штрихкода (PCS) | ≥ 60 % |
- Общие указания
| Указание по применению | Для подключения к Ethernet необходимо использовать вариант CLV6xx с Ethernet-интерфейсом. |
- Классификации
| ECl@ss 5.0 | 27280102 |
| ECl@ss 5.1.4 | 27280102 |
| ECl@ss 6.0 | 27280102 |
| ECl@ss 6.2 | 27280102 |
| ECl@ss 7.0 | 27280102 |
| ECl@ss 8.0 | 27280102 |
| ECl@ss 8.1 | 27280102 |
| ECl@ss 9.0 | 27280102 |
| ETIM 5.0 | EC002550 |
| ETIM 6.0 | EC002550 |
| UNSPSC 16.0901 | 43211701 |
Показать всё Скрыть всё Технические чертежи
Диаграмма поля считывания
Габаритный чертеж CLV63x/64x стандарт, боковой
Вид: Галерея Список Показать всё Скрыть всё Показать всё Скрыть всё