0
ETI    SIEMENS    ABB    WIKA    IFM    ELKO EP    HYUNDAI    VEGA    KSR KUEBLER    Johnson Controls    Siemens IA/DT (CA01)    Bosch Rexroth    Alfa Laval    SICK    Others  

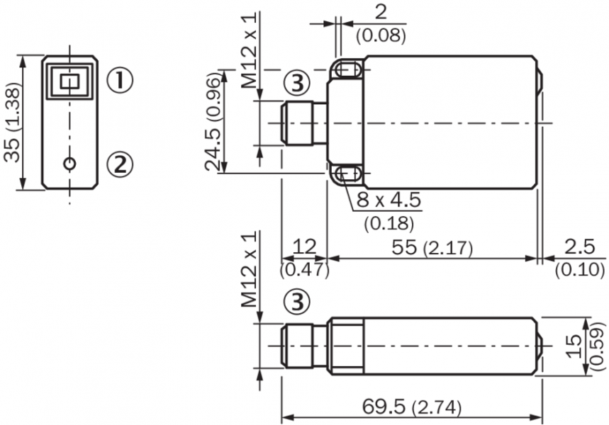
CQ35-25NNP-KC1

Код: 6021464
Связатся с нами: 067 285 7770

В корзину

Показать всё Скрыть всё

  • Характеристики
    Тип корпусаПрямоугольный
    Размеры (Ш x В x Г)35 mm x 69,5 mm x 15 mm
    Расстояние срабатывания Sn4 mm ... 25 mm
    Расстояние срабатывания обеспечено Sa18 mm
    МонтажС выступающей частью
    Частота переключения50 Hz
    Тип подключенияРазъем M12, 4-конт.
    Переключающий выходNPN
    Функция выходаКомплементарный
    Электрическое исполнениеПост. ток, 4-проводный
    НастройкаПотенциометр, 270° (Чувствительность)
    Тип защитыIP67 1)
    • 1) Согласно EN 60529.
  • Механика/электроника
    Напряжение питания10 V DC ... 36 V DC
    Остаточная пульсация≤ 10 % 1)
    Падение напряжения≤ 2,5 V DC 2)
    Потребление тока≤ 10 mA 3)
    Задержка готовности≤ 100 ms
    Гистерезис4 % ... 20 %
    Воспроизводимость≤ 5 % 4) 5)
    Отклонение температуры (от Sr)± 10 %
    ЭМССогласно EN 60947-5-2 6)
    Постоянный ток Ia≤ 200 mA
    Защита от короткого замыкания
    Защита от инверсии полярности
    Подавление импульса включения
    Ударопрочность и виброустойчивость30 г, 11 мс/10…55 Гц, 1 мм
    Диапазон температур при работе–25 °C ... +75 °C
    Материал корпусаПластик, PC
    Материал, активная поверхностьПластик
    № файла ULNRKH.E191603
    • 1) От Ub.
    • 2) При Ia max.
    • 3) Без нагрузки.
    • 4) От Sr.
    • 5) Ub и Ta постоянны.
    • 6) В случаях с критичной электромагнитной совместимостью по проводам может оказываться возмущающее воздействие в частотном диапазоне осциллятора. Это может привести к изменениям выходного сигнала. (см. руководство по эксплуатации).
  • Коэффициенты редукции
    ПримечаниеЗначения являются ориентировочными и могут изменяться
    Металл1
    Вода1
    PVCОк. 0,4
    МаслоОк. 0,25
    Стекло0,6
    Керамика0,5
    Спирт0,7
    Деревообрабатывающая промышленность0,2 ... 0,7
  • Указания по установке
    ПримечаниеСоответствующие графические материалы см. в разд. «Указания по установке»
    A35 mm
    B35 mm
  • Классификации
    ECl@ss 5.027270102
    ECl@ss 5.1.427270102
    ECl@ss 6.027270102
    ECl@ss 6.227270102
    ECl@ss 7.027270102
    ECl@ss 8.027270102
    ECl@ss 8.127270102
    ECl@ss 9.027270102
    ETIM 5.0EC002715
    ETIM 6.0EC002715
    UNSPSC 16.090139122230
Показать всё Скрыть всё

Технические чертежи

Указания по установке Схема соединений cd-006 Схема соединений Габаритный чертеж CQ35, штекер Вид: Галерея Список Показать всё Скрыть всё
Показать всё Скрыть всё