0
ETI    SIEMENS    ABB    WIKA    IFM    ELKO EP    HYUNDAI    VEGA    KSR KUEBLER    Johnson Controls    Siemens IA/DT (CA01)    Bosch Rexroth    Alfa Laval    SICK    Others  

DBS60E-BJEK02048

Код: 1069709
Связатся с нами: 067 285 7770

В корзину

Показать всё Скрыть всё

  • Производительность
    Количество импульсов на один оборот2.048
    Измерительный шаг90° электрический/импульсов на один оборот
    Отклонение измерительных шагов± 18° /импульсов на один оборот
    ДопускиОтклонение измерительного шага x 3
    Цикл нагрузки≤ 0,5 ± 5 %
    Время инициализации< 5 ms 1)
    • 1) После истечения этого времени можно считывать действительные сигналы.
  • Электрические данные
    Электрический интерфейс10 V ... 27 V, HTL/Push pull 1)
    Тип подключенияКабель, 8 жил, универсальный, 1,5 m 2)
    Потребляемая мощность≤ 1 W (без нагрузки)
    Ток нагрузки≤ 30 mA, на один канал
    Частота выходного сигнала300 kHz 3)
    Базовый сигнал, количество1
    Базовый сигнал, положение90°, электрические, логические соединения с A и B
    Защита от инверсии полярности
    Стойкость выходов при коротких замыканиях✔ 4)
    MTTFd: время до опасного выхода из строя500 лет (EN ISO 13849-1) 5)
    • 1) 6 каналов, если не указано иное.
    • 2) Универсальный кабельный отвод располагается так, чтобы обеспечить прокладку без излома в радиальном или осевом направлениях.
    • 3) До 450 кГц по запросу.
    • 4) Короткое замыкание относительно другого канала US или GND допускается максимально на 30 с.
    • 5) Данный продукт является стандартным изделием, а не предохранительным устройством, в соответствии с директивой по машиностроению. Расчет на основе номинальной нагрузки компонентов, средней температуры окружающей среды 40 °C, частота применения 8760 ч./год. Все выходы из строя электрических систем рассматриваются как опасные выходы из строя. Более подробная информация приведена в документе № 8015532.
  • Механические данные
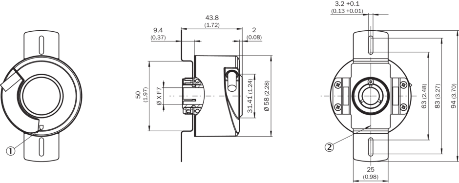
    Механическое исполнениеГлухой полый вал
    Диаметр вала5/8″
    Тип фланца / статорная муфтаСтаторная муфта 2-сторонняя, удлиненное отверстие, окружность центров отверстий 63–83 мм
    Вес0,25 kg 1)
    Материал, валНержавеющая сталь
    Материал, фланецАлюминий
    Материал, корпусАлюминий
    Материал, кабельPVC
    Пусковой момент0,5 Ncm (+20 °C)
    Рабочий крутящий момент0,4 Ncm (+20 °C)
    Допустимое перемещение вала осевое, статическое/динамическое± 0,5 mm / ± 0,2 mm
    Допустимое перемещение вала радиальное, статическое/динамическое± 0,3 mm / ± 0,1 mm
    Рабочая частота вращения6.000 min⁻¹ 2)
    Максимальная рабочая частота вращения9.000 min⁻¹ 3)
    Момент инерции ротора50 gcm²
    Срок службы подшипника3,6 x 10^9 оборотов
    Угловое ускорение≤ 500.000 rad/s²
    • 1) Относительно энкодера с отводом с разъемом или кабеля с отводом с разъемом.
    • 2) При расчете диапазона рабочей температуры учитывайте собственный нагрев 2,6 K на 1 000 об/мин.
    • 3) Максимальная скорость, которая не приводит к механическому повреждению энкодера. Возможно оказание влияния на срок службы и качество сигнала. Необходимо учитывать максимальную частоту выходного сигнала.
  • Данные окружающей среды
    ЭМСПо EN 61000-6-2 и EN 61000-6-3
    Тип защиты

    IP67, со стороны корпуса (согласно IEC 60529) 1)

    IP65, со стороны вала (согласно IEC 60529)

    Допустимая относительная влажность воздуха90 % (Образование конденсата на оптических сканирующих элементах не допускается)
    Диапазон рабочей температуры–20 °C ... +85 °C 2)
    Диапазон температуры при хранении–40 °C ... +100 °C, без упаковки
    Ударопрочность250 g, 3 ms (согласно EN 60068-2-27)
    Вибростойкость30 g, 10 Hz ... 2.000 Hz (согласно EN 60068-2-6)
    • 1) При установленном ответном штекере.
    • 2) Эти значения относятся к любому механическому исполнению, включая рекомендуемые аксессуары, если не указано иное.
  • Классификации
    ECl@ss 5.027270501
    ECl@ss 5.1.427270501
    ECl@ss 6.027270590
    ECl@ss 6.227270590
    ECl@ss 7.027270501
    ECl@ss 8.027270501
    ECl@ss 8.127270501
    ECl@ss 9.027270501
    ETIM 5.0EC001486
    ETIM 6.0EC001486
    UNSPSC 16.090141112113
Показать всё Скрыть всё

Технические чертежи

Габаритный чертеж Глухой полый вал, кабельный ввод, статорная муфта 2-сторонняя, удлиненные отверстия, окружность центров отверстий 63–83 мм Сигнальные выходы Сигнальные выходы для эл. интерфейсов TTL и HTL Рекомендации по установке Глухой полый вал Схема контактов Анализ частоты вращения Сигнальные выходы Сигнальные выходы для эл. интерфейсов TTL и HTL Анализ частоты вращения Рекомендации по установке Глухой полый вал Вид: Галерея Список Показать всё Скрыть всё
Показать всё Скрыть всё