0
ETI    SIEMENS    ABB    WIKA    IFM    ELKO EP    HYUNDAI    VEGA    KSR KUEBLER    Johnson Controls    Siemens IA/DT (CA01)    Bosch Rexroth    Alfa Laval    SICK    Others  

DBS60I-BHFM02048

Код: 1089720
Связатся с нами: 067 285 7770

В корзину

Показать всё Скрыть всё

  • Производительность
    Количество импульсов на один оборот2.048
    Измерительный шаг90° электрический/импульсов на один оборот
    Отклонение измерительных шагов± 18° /импульсов на один оборот
    ДопускиОтклонение измерительного шага x 3
    Цикл нагрузки≤ 0,5 ± 5 %
    Время инициализации< 5 ms 1)
    • 1) После истечения этого времени можно считывать действительные сигналы.
  • Электрические данные
    Электрический интерфейс4,5 V ... 30 V, TTL/HTL, универсальный 1) 2)
    Тип подключенияКабель, 8 жил, радиальная, 5 m 3)
    Потребляемая мощность≤ 0,5 W (без нагрузки)
    Ток нагрузки≤ 30 mA, на один канал
    Частота выходного сигнала≤ 300 kHz 4)
    Базовый сигнал, количество1
    Базовый сигнал, положение90°, электрические, логические соединения с A и B
    Защита от инверсии полярности
    Стойкость выходов при коротких замыканиях✔ 5)
    MTTFd: время до опасного выхода из строя500 лет (EN ISO 13849-1) 6)
    • 1) 6 каналов, если не указано иное.
    • 2) Уровень выхода зависит от напряжения питания.
    • 3) Другие по запросу.
    • 4) До 450 кГц по запросу.
    • 5) Короткое замыкание относительно другого канала US или GND допускается максимально на 30 с.
    • 6) Данный продукт является стандартным изделием, а не предохранительным устройством, в соответствии с директивой по машиностроению. Расчет на основе номинальной нагрузки компонентов, средней температуры окружающей среды 40 °C, частота применения 8760 ч./год. Все выходы из строя электрических систем рассматриваются как опасные выходы из строя. Более подробная информация приведена в документе № 8015532.
  • Механические данные
    Механическое исполнениеГлухой полый вал
    Диаметр вала15 mm
    Тип фланца / статорная муфтаСтаторная муфта 2-сторонняя, удлиненное отверстие, окружность центров отверстий 63–83 мм 1)
    Вес0,44 kg 2)
    Материал, валНержавеющая сталь V2A
    Материал, фланецНержавеющая сталь V2A
    Материал, корпусНержавеющая сталь V2A
    Материал, кабельПВХ
    Материал, кольцо для уплотнения валаFKM80
    Материал, Кабельный вводНержавеющая сталь V2A / никелированная латунь
    Пусковой момент2,1 Ncm (+20 °C)
    Рабочий крутящий момент2 Ncm (+20 °C)
    Допустимое перемещение вала осевое, статическое/динамическое± 0,5 mm / ± 0,2 mm
    Допустимое перемещение вала радиальное, статическое/динамическое± 0,3 mm / ± 0,1 mm
    Рабочая частота вращения≤ 6.000 min⁻¹ 3)
    Момент инерции ротора52 gcm²
    Срок службы подшипника3,6 x 10^9 оборотов
    Угловое ускорение≤ 500.000 rad/s²
    • 1) Другие по запросу.
    • 2) Относится к шифратору с штепсельным разъемом.
    • 3) Максимальная скорость, которая не приводит к механическому повреждению энкодера. Возможно оказание влияния на срок службы и качество сигнала. Необходимо учитывать максимальную частоту выходного сигнала.
  • Данные окружающей среды
    ЭМСПо EN 61000-6-2 и EN 61000-6-3
    Тип защитыIP67, Подключение к линии (согласно IEC 60529)
    Допустимая относительная влажность воздуха90 % (Образование конденсата на оптических сканирующих элементах не допускается)
    Диапазон рабочей температуры–30 °C ... +100 °C, не более 3 000 импульсов на один оборот
    Диапазон температуры при хранении–40 °C ... +100 °C, без упаковки
    Ударопрочность100 g, 6 ms (согласно EN 60068-2-27)
    Вибростойкость10 g, 10 Hz ... 2.000 Hz (согласно EN 60068-2-6)
  • Классификации
    ECl@ss 5.027270501
    ECl@ss 5.1.427270501
    ECl@ss 6.027270590
    ECl@ss 6.227270590
    ECl@ss 7.027270501
    ECl@ss 8.027270501
    ECl@ss 8.127270501
    ECl@ss 9.027270501
    ETIM 5.0EC001486
    ETIM 6.0EC001486
    UNSPSC 16.090141112113
Показать всё Скрыть всё

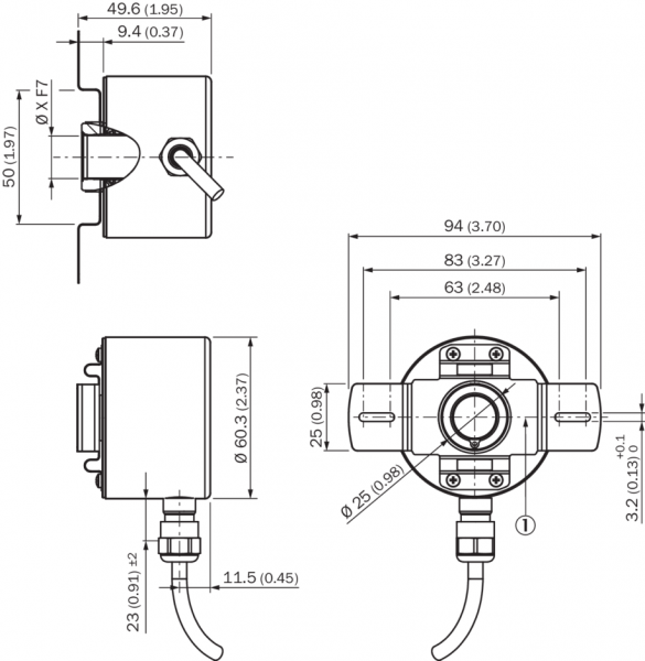
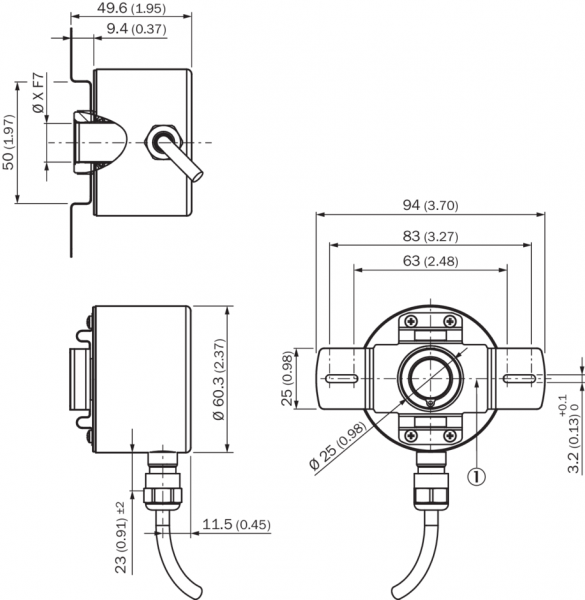
Технические чертежи

Габаритный чертеж Глухой полый вал, кабельный ввод, статорная муфта 2-сторонняя, удлиненные отверстия, окружность центров отверстий 63–83 мм Рекомендации по установке Глухой полый вал Схема контактов Анализ частоты вращения Сигнальные выходы Сигнальные выходы для эл. интерфейсов TTL и HTL Анализ частоты вращения Рекомендации по установке Глухой полый вал Сигнальные выходы Сигнальные выходы для эл. интерфейсов TTL и HTL Вид: Галерея Список Показать всё Скрыть всё
Показать всё Скрыть всё