0
ETI    SIEMENS    ABB    WIKA    IFM    ELKO EP    HYUNDAI    VEGA    KSR KUEBLER    Johnson Controls    Siemens IA/DT (CA01)    Bosch Rexroth    Alfa Laval    SICK    Others  

DFS21A-KCA1C000100

Код: DFS21A-KCA1C000100
Связатся с нами: 067 285 7770

В корзину

Показать всё Скрыть всё

  • Производительность
    Количество импульсов на один оборот100
    Измерительный шаг90° электрические / импульсы на один оборот
    Отклонение измерительных шагов± 0,008°
    Допуски± 0,03°
    Время инициализации40 ms
  • Электрические данные
    Электрический интерфейс4,5 V ... 5,5 V, TTL/RS422
    Тип подключенияРазъем, радиальная 1)
    Потребляемая мощность0,7 W (без нагрузки)
    Частота выходного сигнала820 kHz
    Базовый сигнал, количество1
    Базовый сигнал, положение180°, электрич., логическое соединение с A
    Кривая кодаПо часовой стрелке
    • 1) Возможна установка на нуль, не в программируемых устройствах.
  • Механические данные
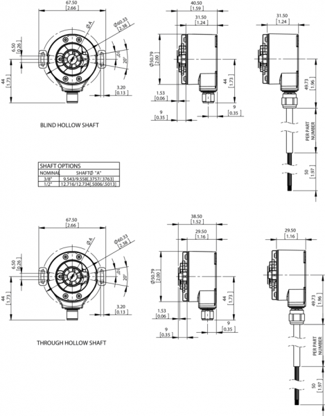
    Механическое исполнениеСквозной полый вал
    Диаметр вала3/8″
    Тип фланца / статорная муфтаОпора крутящего момента, двусторонняя
    Вес0,3 kg (макс.)
    Материал, валМеталл
    Пусковой момент0,8 Ncm (+20 °C)
    Рабочий крутящий момент0,6 Ncm (+20 °C)
    Допустимое перемещение вала осевое, статическое/динамическое± 0,5 mm / ± 0,1 mm
    Допустимое перемещение вала радиальное, статическое/динамическое± 0,3 mm / ± 0,05 mm
    Допустимая нагрузка на вал, радиальная/осевая

    40 N (осевая)

    80 N (радиальная)

    Рабочая частота вращения6.000 min⁻¹
    Момент инерции ротора40 gcm²
    Срок службы подшипника3,6 x 10^9 оборотов
    Угловое ускорение≤ 500.000 rad/s²
  • Данные окружающей среды
    ЭМСПо EN 61000-6-2 и EN 61000-6-3
    Тип защитыIP65 (согласно IEC 60529)
    Допустимая относительная влажность воздуха90 % (Образование конденсата не допускается)
    Диапазон рабочей температуры–30 °C ... +80 °C
    Диапазон температуры при хранении–40 °C ... +100 °C, без упаковки
    Ударопрочность100 g, 11 ms (согласно EN 60068-2-27)
    Вибростойкость30 g, 10 Hz ... 2.000 Hz (согласно EN 60068-2-6)
  • Классификации
    ECl@ss 5.027270501
    ECl@ss 5.1.427270501
    ECl@ss 6.027270590
    ECl@ss 6.227270590
    ECl@ss 7.027270501
    ECl@ss 8.027270501
    ECl@ss 8.127270501
    ECl@ss 9.027270501
    ETIM 5.0EC001486
    ETIM 6.0EC001486
    UNSPSC 16.090141112113
Показать всё Скрыть всё

Технические чертежи

Габаритный чертеж Схема контактов Вид приборного штекера M12 на энкодере Вид: Галерея Список Показать всё Скрыть всё
Показать всё Скрыть всё