0
ETI    SIEMENS    ABB    WIKA    IFM    ELKO EP    HYUNDAI    VEGA    KSR KUEBLER    Johnson Controls    Siemens IA/DT (CA01)    Bosch Rexroth    Alfa Laval    SICK    Others  

DFS60B-S4EA05000

Код: 1037275
Связатся с нами: 067 285 7770

В корзину

Показать всё Скрыть всё

  • Производительность
    Количество импульсов на один оборот5.000
    Измерительный шаг90° электрические / импульсы на один оборот
    Отклонение измеряемого шага при недвоичном разрешении± 0,01°
    Допуски± 0,05°
    Время инициализации40 ms
  • Электрические данные
    Электрический интерфейс10 V ... 32 V, HTL/Push pull
    Тип подключенияРазъем, M23, 12-контактный, радиальная
    Потребляемая мощность≤ 0,5 W (без нагрузки)
    Ток нагрузки≤ 30 mA
    Частота выходного сигнала≤ 600 kHz
    Базовый сигнал, количество1
    Базовый сигнал, положение90°, электрические, логические соединения с A и B
    Защита от инверсии полярности
    Стойкость выходов при коротких замыканиях✔ 1)
    MTTFd: время до опасного выхода из строя300 лет (EN ISO 13849-1) 2)
    • 1) Короткое замыкание относительно другого канала US или GND допускается максимально на 30 с.
    • 2) Данный продукт является стандартным изделием, а не предохранительным устройством, в соответствии с директивой по машиностроению. Расчет на основе номинальной нагрузки компонентов, средней температуры окружающей среды 40 °C, частота применения 8760 ч./год. Все выходы из строя электрических систем рассматриваются как опасные выходы из строя. Более подробная информация приведена в документе № 8015532.
  • Механические данные
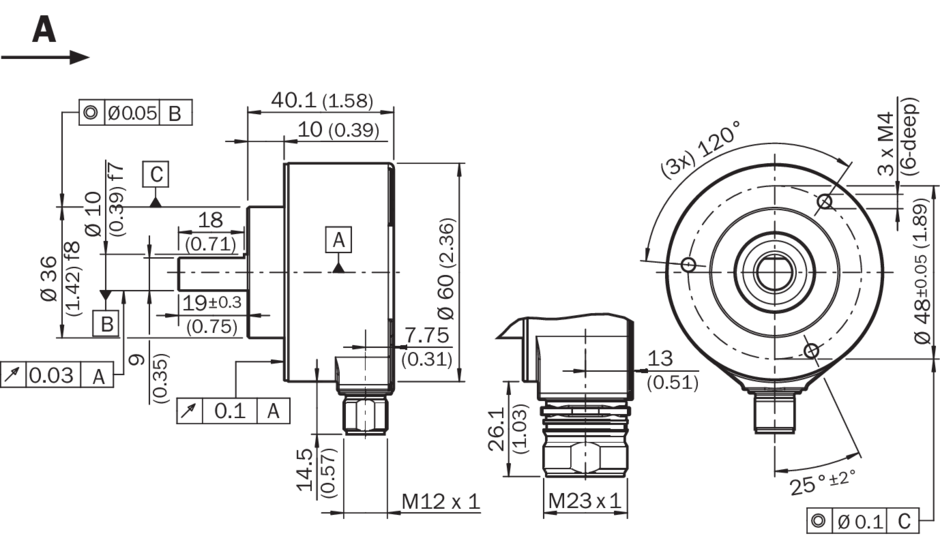
    Механическое исполнениеСплошной вал, Торцевой фланец
    Диаметр вала10 mm x 19 mm
    Вес0,3 kg
    Материал, фланецАлюминий
    Материал, корпусАлюминиевое литье
    Пусковой момент0,5 Ncm (+20 °C)
    Рабочий крутящий момент0,3 Ncm (+20 °C)
    Допустимая нагрузка на вал, радиальная/осевая

    80 N (радиальная)

    40 N (осевая)

    Рабочая частота вращения≤ 9.000 min⁻¹ 1)
    Момент инерции ротора6,2 gcm²
    Срок службы подшипника3,6 x 10^10 оборотов
    Угловое ускорение≤ 500.000 rad/s²
    • 1) При расчете диапазона рабочей температуры учитывайте собственный нагрев 3,3 K на 1 000 об/мин.
  • Данные окружающей среды
    ЭМСПо EN 61000-6-2 и EN 61000-6-3
    Тип защиты

    IP67, со стороны корпуса, отвод с разъемом, глухой полый вал, сплошной вал (согласно IEC 60529) 1)

    IP65, со стороны вала (согласно IEC 60529)

    Допустимая относительная влажность воздуха90 % (Образование конденсата на оптических сканирующих элементах не допускается)
    Диапазон рабочей температуры

    –40 °C ... +100 °C 2)

    –30 °C ... +100 °C 3)

    Диапазон температуры при хранении–40 °C ... +100 °C, без упаковки
    Ударопрочность70 g, 6 ms (согласно EN 60068-2-27)
    Вибростойкость30 g, 10 Hz ... 2.000 Hz (согласно EN 60068-2-6)
    • 1) При установленном ответном штекере.
    • 2) При стационарной прокладке кабеля.
    • 3) При нестационарной прокладке кабеля.
  • Классификации
    ECl@ss 5.027270501
    ECl@ss 5.1.427270501
    ECl@ss 6.027270590
    ECl@ss 6.227270590
    ECl@ss 7.027270501
    ECl@ss 8.027270501
    ECl@ss 8.127270501
    ECl@ss 9.027270501
    ETIM 5.0EC001486
    ETIM 6.0EC001486
    UNSPSC 16.090141112113
Показать всё Скрыть всё

Технические чертежи

Габаритный чертеж Зажимной фланец, радиальное штекерное соединение M12 и M23 Схема контактов анализ частоты вращения сигнальные выходы анализ частоты вращения сигнальные выходы Вид: Галерея Список Показать всё Скрыть всё
Показать всё Скрыть всё