(044) 466 87 70, (067) 386 78 58, (094) 954 25 46
info@avigan.com.ua
English
About us
Вход
Регистрация
Корзина
ב"ה
0
Menu
Главная
О КОМПАНИИ
Обзоры Применений
КАТАЛОГ
ETI
SIEMENS
ABB
WIKA
IFM
ELKO EP
HYUNDAI
VEGA
KSR KUEBLER
Johnson Controls
Siemens IA/DT (CA01)
Bosch Rexroth
Alfa Laval
SICK
Others
КОНТАКТЫ
НОВОСТИ
ОТЗЫВЫ
Семейство DGS35
Главная
»
SICK
»
Энкодеры и датчики наклона
»
Инкрементальные энкодеры
»
Семейство DGS35
ETI
SIEMENS
ABB
WIKA
IFM
ELKO EP
HYUNDAI
VEGA
KSR KUEBLER
Johnson Controls
Siemens IA/DT (CA01)
Bosch Rexroth
Alfa Laval
SICK
Others
DGS35-7L400360
Код: 7101692
Связатся с нами: 067 285 7770
Поделиться
Facebook
Twitter
Google Plus
В корзину
Описание
Показать всё
Скрыть всё
Производительность
Количество импульсов на один оборот
360
Интерфейсы
Электрический интерфейс
Разъем, MS, 10-конт., радиальная
Электрические данные
Электрический интерфейс
5–15 В, HTL/TTL
Тип подключения
Радиальная
Частота выходного сигнала
300 kHz
600 kHz
Механические данные
Механическое исполнение
Сквозной полый вал
Диаметр вала
30 mm
Пусковой момент
9 Ncm
Рабочий крутящий момент
7 Ncm
Момент инерции ротора
490 gcm²
Данные окружающей среды
ЭМС
EN 61000-6-2, EN 61000-6-3
Диапазон рабочей температуры
–20 °C ... +70 °C
Диапазон температуры при хранении
–30 °C ... +85 °C
Классификации
ECl@ss 5.0
27270501
ECl@ss 5.1.4
27270501
ECl@ss 6.0
27270590
ECl@ss 6.2
27270590
ECl@ss 7.0
27270501
ECl@ss 8.0
27270501
ECl@ss 8.1
27270501
ECl@ss 9.0
27270501
ETIM 5.0
EC001486
ETIM 6.0
EC001486
UNSPSC 16.0901
41112113
Показать всё
Скрыть всё
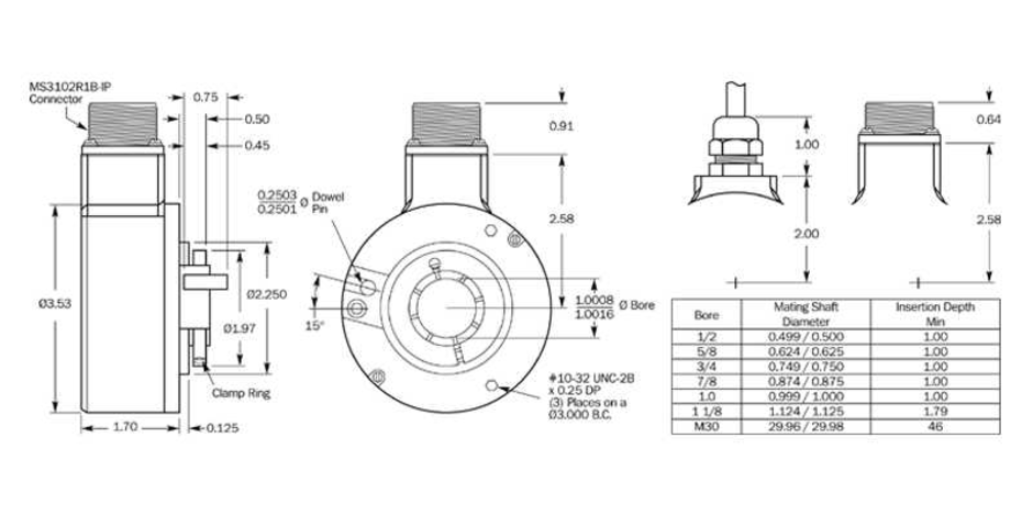
Технические чертежи
Габаритный чертеж
Схема соединений
Вид:
Галерея
Список
Показать всё
Скрыть всё
Показать всё
Скрыть всё