0
ETI    SIEMENS    ABB    WIKA    IFM    ELKO EP    HYUNDAI    VEGA    KSR KUEBLER    Johnson Controls    Siemens IA/DT (CA01)    Bosch Rexroth    Alfa Laval    SICK    Others  

DME4000-324

Код: 1041960
Связатся с нами: 067 285 7770

В корзину

Показать всё Скрыть всё

  • Производительность
    Диапазон измерения0,15 m ... 220 m, на отражающей пленке «Diamond Grade»
    Разрешение0,05 mm ... 5 mm
    Точность воспроизведения3 mm 1) 2)
    Точность± 6 mm
    Время вывода2 ms
    Источник светаЛазер, красный 3)
    Класс лазера2, соответствует 21 CFR 1040.10 и 1040.11, за исключением различий согласно «Laser Notice № 50» от 24 июня 2007 г. (IEC 60825-1:2014, EN 60825-1:2014)
    Тип. размер светового пятна (расстояние)

    130 mm (на 70 м)

    270 mm (на 150 м)

    360 mm (на 220 м)

    Макс. скорость перемещения10 m/s
    • 1) На отражающей пленке «Diamond Grade».
    • 2) Статистическая ошибка 1 σ, постоянные условия окружающей среды, мин. задержка включения 10 мин.
    • 3) Средний срок службы 50000 ч при TU = +25 °C.
  • Интерфейсы
    DeviceNet™
    Переключающий выходДвухтактный режим: PNP/NPN (100 мА) 1)
    Многофункциональный вход (MF)1 x MF 2) 3)
    • 1) HIGH = > UВ - 3 В / LOW = < 2 В.
    • 2) HIGH = > 12 V / LOW = < 3 V.
    • 3) Без защиты от инверсии полярности.
  • Механика/электроника
    Напряжение питания UVПост. ток 18 V ... 30 V, Предельные значения
    Остаточная пульсация< 5 Vss 1)
    Время инициализации1,5 s 2)
    Тип подключенияРазъем, 1 x M12, 5-контактный, 1 x M16, 8-контактный
    ИндикацияДисплей
    ВесОк. 1.650 g
    Выходной ток IА≤ 100 mA 3)
    Потребление токаПри 24 В DC < 1.000 mA
    Тип защитыIP65
    Класс защитыII 4)
    • 1) Не допускается превышение или занижение допуска UВ.
    • 2) После потери рефлектора < 1 с при Bмакс < 1 м/с.
    • 3) С защитой от короткого замыкания и перегрузки Макс. 100 нФ / 20 мГн.
    • 4) Расчетное напряжение постоянного тока 32 В.
  • Данные окружающей среды
    Электромагнитная совместимость (ЭМС)EN 61000-6-2, EN 55011: Klasse B
    Рабочий диапазон температур

    –40 °C ... +55 °C, Работа с нагревателем

    –40 °C ... +75 °C, Работа с охлаждающим корпусом

    Диапазон температур при хранении–25 °C ... +75 °C
    Влияние давления воздуха0,3 ppm/hPa
    Влияние температуры1 ppm/K
    Температурный дрейфTyp. 0,1 mm/K
    Механическая прочность

    Удар: (EN 600 68-2-27 / –2-29)

    Синус: (EN 600 68-2-6)

    Шум: (EN 600 68-2-64)

  • Классификации
    ECl@ss 5.027270801
    ECl@ss 5.1.427270801
    ECl@ss 6.027270801
    ECl@ss 6.227270801
    ECl@ss 7.027270801
    ECl@ss 8.027270801
    ECl@ss 8.127270801
    ECl@ss 9.027270801
    ETIM 5.0EC001825
    ETIM 6.0EC001825
    UNSPSC 16.090141111613
Показать всё Скрыть всё

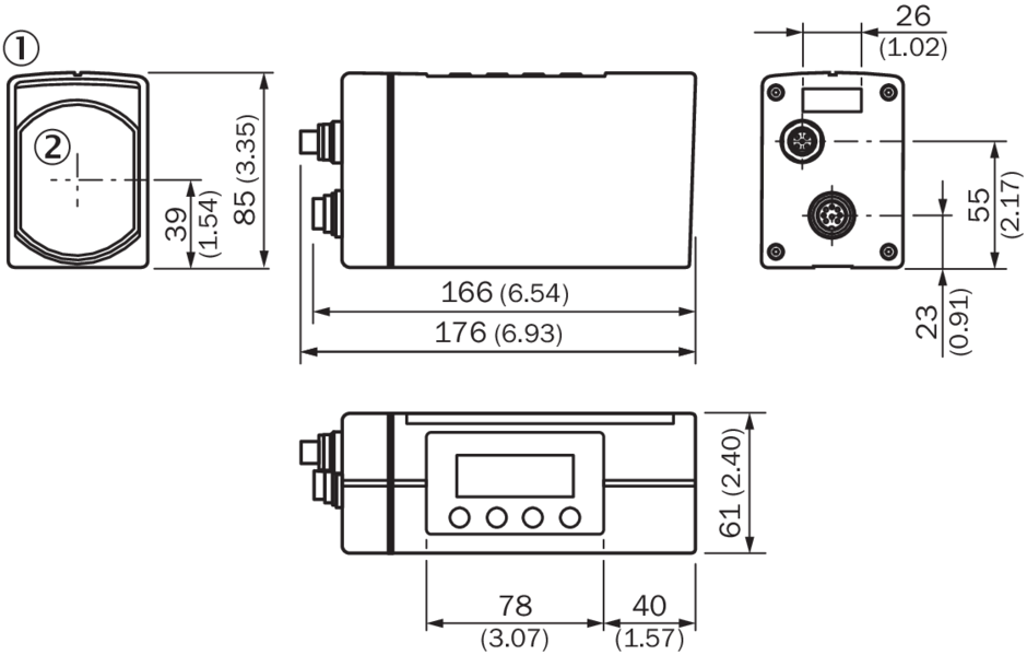
Технические чертежи

Габаритный чертеж DME4000-xx4 DeviceNet Тип подключения DME4/5xxx-xx4 DeviceNet, штекер 1 x M12, 5-конт., A-кодирование 1 x M16, 8-конт. Варианты настройки Вид: Галерея Список Показать всё Скрыть всё
Показать всё Скрыть всё