0
ETI    SIEMENS    ABB    WIKA    IFM    ELKO EP    HYUNDAI    VEGA    KSR KUEBLER    Johnson Controls    Siemens IA/DT (CA01)    Bosch Rexroth    Alfa Laval    SICK    Others  

E100-B2A22S10A

Код: 6022880
Связатся с нами: 067 285 7770

В корзину

Показать всё Скрыть всё

  • Характеристики
    Количество принудительно размыкаемых нормально закрытых контактов2
    Количество нормально открытых контактов2
    Направления включения1
  • Параметры техники безопасности
    Значение B10d5 x 105 циклов срабатывания
    Безопасное состояние в случае возникновения ошибкиВыключатель не имеет внутренней функции обнаружения ошибок и в случае неисправности не может перейти в безопасное состояние. Обнаружение ошибок осуществляется с помощью подключенного логического блока, направленного на обеспечение безопасности.
  • Интерфейсы
    Тип подключенияКабель с открытым концом
    Длина кабеля10 m
    Материал кабеляПолиуретан
    Сечение провода0,14 mm² ... 0,5 mm²
  • Электрические данные
    Принцип переключенияВыключатель замедленного действия
    Количество принудительно размыкаемых нормально закрытых контактов2
    Количество нормально открытых контактов2
    Категория потребленияDC-13 (EN 60947-5-1)
    Расчетный рабочий ток (расчетное рабочее напряжение)

    2 A (24 V DC)

    100 mA (24 V DC)

    Расчетное напряжение на изоляции Ui32 V
    Максимально допустимое импульсное напряжение Uimp800 V
    Защита от короткого замыкания2 A gG/0,1 A gG
    Напряжение переключения≥ 12 V DC
    Ток переключения (напряжение переключения)≥ 1 mA (24 V DC)
  • Механические данные
    Габариты64 mm x 132 mm
    Вес1,32 kg
    Материал корпусаПластик
    Срок службы механических компонентов1 x 105 циклов срабатывания
  • Данные окружающей среды
    Тип защитыIP65 (EN 60529)
    Диапазон рабочих температур–5 °C ... +50 °C
    Температура хранения–5 °C ... +50 °C
  • Классификации
    ECl@ss 5.027371238
    ECl@ss 5.1.427371238
    ECl@ss 6.027371238
    ECl@ss 6.227371238
    ECl@ss 7.027371238
    ECl@ss 8.027371238
    ECl@ss 8.127371238
    ECl@ss 9.027371238
    ETIM 5.0EC002571
    ETIM 6.0EC002571
    UNSPSC 16.090139122205
Показать всё Скрыть всё

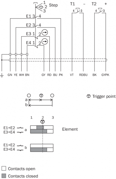
Технические чертежи

Габаритный чертеж E100-B Диаграмма ходов переключения E100-B Вид: Галерея Список Показать всё Скрыть всё
Показать всё Скрыть всё