0
ETI    SIEMENS    ABB    WIKA    IFM    ELKO EP    HYUNDAI    VEGA    KSR KUEBLER    Johnson Controls    Siemens IA/DT (CA01)    Bosch Rexroth    Alfa Laval    SICK    Others  

EES37-0KF0A015A

Код: 1068810
Связатся с нами: 067 285 7770

В корзину

Показать всё Скрыть всё

  • Производительность
    Разрешение на один оборот15 bit
    Количество абсолютно регистрируемых оборотов1
    Измерительный шаг на один оборот32.768
    Шум сигнала (σ)± 20 ″
    Системная точность
    Номинальное положение, 25 °C, настройка фильтра 1 кГц 1)

    ± 280 ″

    ± 190 ″

    Частота вращения при включении или сбросе системы обратной связи двигателя≤ 6.000 min⁻¹
    Доступная область памяти8.192 Byte
    • 1) См. диаграммы к пределам допускаемой погрешности (настройка фильтра по умолчанию: 21 кГц).
  • Интерфейсы
    Кривая кодаС возрастанием, при вращении вала. По часовой стрелке, если смотреть в направлении A (см. размерный чертеж).
    Интерфейс связиHIPERFACE DSL®
    Время инициализацииMax. 500 ms 1)
    Измерение внешнего температурного сопротивления

    32-битовое значение, без знака (1 Ω) 0 ... 209.600 Ω

    2)

    Доступная область памяти8.192 Byte
    • 1) После достижения допустимого рабочего напряжения.
    • 2) Без допуска датчика, При - 17 °C ... + 167 °C: NTC +-2K (103 GT), PTC+-3K (KTY84/130/PT1000).
  • Электрические данные
    Тип подключенияВстроен в кабель двигателя, 1 вход датчика температуры
    Диапазон напряжения питания7 V ... 12 V
    Продолжительность включения линейной стадии импульса напряженияМакс. 180 мс 1)
    Выходной ток≤ 150 mA 2)
    • 1) Продолжительность включения линейной стадии импульса напряжения между 0 и 7,0 В. см. диаграмму «Потребляемый ток» в разделе Диаграммы.
    • 2) При применении предложенной схемы включения, как описано в справочнике HIPERFACE DSL ® (8017595).
  • Механические данные
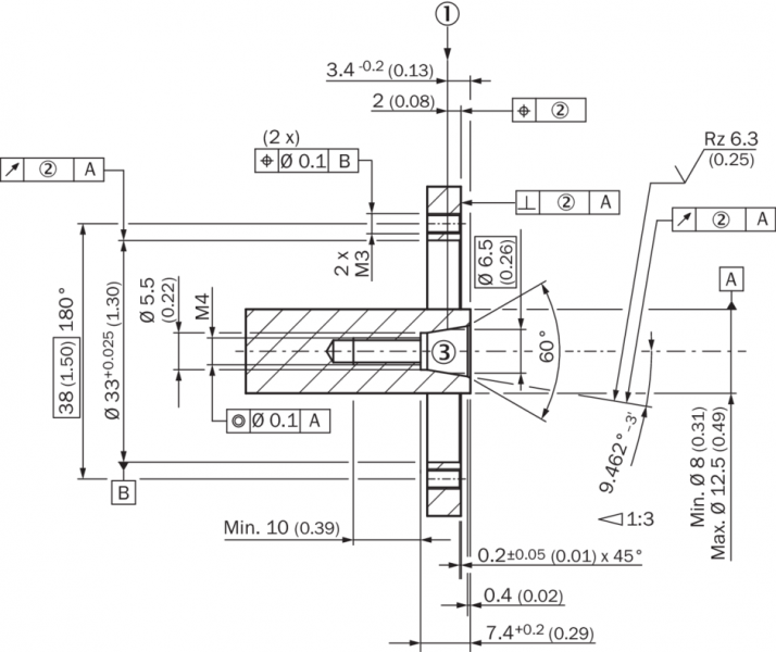
    Исполнение валаКонический вал
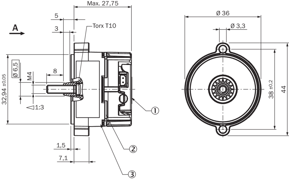
    РазмерыСм. размерный чертеж
    Вес≤ 0,1 kg
    Момент инерции ротора1 gcm²
    Рабочая частота вращения≤ 12.000 min⁻¹
    Угловое ускорение≤ 500.000 rad/s²
    Допустимое радиальное перемещение вала± 0,15 mm
    Допустимое осевое перемещение вала± 0,5 mm
  • Данные окружающей среды
    Диапазон рабочей температуры–40 °C ... +115 °C 1)
    Диапазон температуры хранения–40 °C ... +120 °C, без упаковки
    Относительная влажность воздуха/образование конденсата85 %, Образование конденсата не допускается
    Ударопрочность100 g, 6 ms (согласно EN 60068-2-27)
    Диапазон частоты вибростойкости50 g, 10 Hz ... 2.000 Hz (согласно EN 60068-2-6)
    ЭМСПо EN 61000-6-2, EN 61000-6-3 и IEC61326-3-1 2)
    Тип защитыIP30, при закрытой крышке и вставленном ответном штекере (согласно IEC 60529-1)
    • 1) Типовые значения для собственного нагрева, см. диаграмму «Собственный нагрев (электрика)»в разделе Диаграммы.
    • 2) Электромагнитная совместимость в соответствии с приведенными стандартами обеспечивается, если система обратной связи двигателя со вставленным ответным штекером соединена экранированным кабелем с центральной точкой заземления регулятора двигателя. При применении другой концепции экранирования пользователь должен провести собственное тестирование.
  • Классификации
    ECl@ss 5.027270590
    ECl@ss 5.1.427270590
    ECl@ss 6.027270590
    ECl@ss 6.227270590
    ECl@ss 7.027270590
    ECl@ss 8.027270590
    ECl@ss 8.127270590
    ECl@ss 9.027270590
    ETIM 5.0EC001486
    ETIM 6.0EC001486
    UNSPSC 16.090141112113
Показать всё Скрыть всё

Технические чертежи

Габаритный чертеж Montagehinweis Схема контактов Схема разъема энергопитание / обмен данными Схема контактов Схема разъема датчика температуры Диаграммы Потребление тока Диаграммы Задержка / частота фильтра Диаграммы Допуски Диаграммы Допуски Диаграммы Собственный нагрев, электрический Вид: Галерея Список Показать всё Скрыть всё
Показать всё Скрыть всё