0
ETI    SIEMENS    ABB    WIKA    IFM    ELKO EP    HYUNDAI    VEGA    KSR KUEBLER    Johnson Controls    Siemens IA/DT (CA01)    Bosch Rexroth    Alfa Laval    SICK    Others  

EFS50-2KF0A023A

Код: 1073503
Связатся с нами: 067 285 7770

В корзину

Показать всё Скрыть всё

  • Параметры техники безопасности
    Класс надежностиSIL2 (IEC 61508), SILCL2 (EN 62061) 1)
    Категория20 лет
    Систематическая пригодностьSC 3 (IEC61508)
    Тестовая частота1 ч
    Максимальная частота запроса216 мкс
    Уровень производительностиPL d (EN ISO 13849)
    Разрешение для обеспечения безопасностиКанал 1 = 23 бит, канал 2 = 12 бит
    PFHD: вероятность опасного отказа/ч3,8 x 10^-8
    Точность для обеспечения безопасности± 0,09°
    • 1) Для уточнения параметров вашего оборудования/установки свяжитесь с соответствующим региональным филиалом компании SICK.
  • Производительность
    Разрешение на один оборот23 bit
    Количество абсолютно регистрируемых оборотов1
    Измерительный шаг на один оборот8.388.608
    Шум сигнала (σ)± 2 ″
    Допуски позиционного значения, интегральная нелинейность± 45 ″ 1)
    Допуски позиционного значения, дифференциальная нелинейность± 5 ″ 1)
    Системная точность
    ± 50 ″
    Частота вращения при включении или сбросе системы обратной связи двигателя≤ 6.000 min⁻¹
    Доступная область памяти8.192 Byte
    • 1) См. примечания к техническим данным.
  • Интерфейсы
    Кривая кодаС возрастанием, при вращении вала. По часовой стрелке, если смотреть в направлении A (см. размерный чертеж).
    Интерфейс связиHIPERFACE DSL®
    Время инициализацииMax. 500 ms 1)
    Измерение внешнего температурного сопротивления

    32-битовое значение, без знака (1 Ω) 0 ... 209.600 Ω

    2)

    Доступная область памяти8.192 Byte
    • 1) После достижения допустимого рабочего напряжения.
    • 2) Без допуска датчика, При - 17 °C ... + 167 °C: NTC +-2K (103 GT), PTC+-3K (KTY84/130/PT1000).
  • Электрические данные
    Тип подключенияВстроен в кабель двигателя, 1 вход датчика температуры
    Диапазон напряжения питания7 V ... 12 V
    Продолжительность включения линейной стадии импульса напряженияМакс. 180 мс 1)
    Выходной ток≤ 150 mA 2)
    Частота выходного сигнала цифрового позиционного значения0 kHz ... 75 kHz
    • 1) Продолжительность включения линейной стадии импульса напряжения между 0 и 7,0 В. см. диаграмму «Потребляемый ток» в разделе Диаграммы.
    • 2) При применении предложенной схемы включения, как описано в справочнике HIPERFACE DSL ® (8017595).
  • Механические данные
    Исполнение валаКонический вал
    Тип фланца / статорная муфтаСтаторная муфта
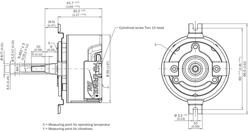
    РазмерыСм. размерный чертеж
    Вес0,2 kg
    Момент инерции ротора10 gcm²
    Рабочая частота вращения≤ 12.000 min⁻¹
    Угловое ускорение≤ 200.000 rad/s²
    Пусковой момент≤ 0,4 Ncm
    Допустимое перемещение вала радиальное, статическое/динамическое± 0,2 mm / 0,025 mm
    Допустимое перемещение вала осевое, статическое/динамическое± 0,95 mm / ± 0 mm
    Допустимое радиальное перемещение вала± 0,2 mm 1)
    Допустимое осевое перемещение вала± 0,95 mm
    Срок службы шарикоподшипниковСм. диаграмму 3
    • 1) Разрешены при использовании эластомерной муфты статора. При использовании муфты статора из пружинного листа предполагается установка без внутренних напряжений.
  • Данные окружающей среды
    Диапазон рабочей температуры–30 °C ... +115 °C 1)
    Диапазон температуры хранения–40 °C ... +120 °C, без упаковки
    Относительная влажность воздуха/образование конденсата90 %, Образование конденсата не допускается
    Ударопрочность100 g, 6 ms, 6 ms (согласно EN 60068-2-27)
    Диапазон частоты вибростойкости20 g, 10 Hz ... 2.000 Hz (согласно EN 60068-2-6)
    ЭМСПо EN 61000-6-2, EN 61000-6-3 и IEC61326-3-1 2)
    Тип защитыIP40, при вставленном ответном штекере и закрытой крышке (согласно IEC 60529-1)
    • 1) Запрещается превышать макс. внутреннюю температуру датчика 125 °C. Для измерения рабочей температуры необходимо использовать определенную измерительную точку на датчике (см. размерный чертеж). Типовые значения для собственного нагрева, см. диаграмму 4 (электрические) и диаграмму 5 (механические).
    • 2) Электромагнитная совместимость в соответствии с приведенными стандартами обеспечивается, если система обратной связи двигателя со вставленным ответным штекером соединена экранированным кабелем с центральной точкой заземления регулятора двигателя. При применении другой концепции экранирования пользователь должен провести собственное тестирование.
  • Классификации
    ECl@ss 5.027270590
    ECl@ss 5.1.427270590
    ECl@ss 6.027270590
    ECl@ss 6.227270590
    ECl@ss 7.027270590
    ECl@ss 8.027270590
    ECl@ss 8.127270590
    ECl@ss 9.027270590
    ETIM 5.0EC001486
    ETIM 6.0EC001486
    UNSPSC 16.090141112113
Показать всё Скрыть всё

Технические чертежи

Габаритный чертеж Montagehinweis Схема контактов Схема разъема датчика температуры Схема контактов Схема разъема энергопитание / обмен данными Диаграммы Собственный нагрев, механический Диаграммы Собственный нагрев, электрический Диаграммы Допуски Диаграммы Потребление тока Вид: Галерея Список Показать всё Скрыть всё
Показать всё Скрыть всё