0
ETI    SIEMENS    ABB    WIKA    IFM    ELKO EP    HYUNDAI    VEGA    KSR KUEBLER    Johnson Controls    Siemens IA/DT (CA01)    Bosch Rexroth    Alfa Laval    SICK    Others  

EKM36-2KF0B0S01

Код: 1085028
Связатся с нами: 067 285 7770

В корзину

Показать всё Скрыть всё

  • Характеристики
    Специальный продукт
    ОсобенностиСтаторная муфта по спецификации заказчика
    Стандартный эталонный приборEKM36-2KF0B018A, 1084235
  • Параметры техники безопасности
    Класс надежностиБезопасный прирост SIL2 (IEC 61508), SILCL2 (EN 62061) 1)
    Категория3 (EN ISO 13849)
    Тестовая частота1 ч
    Максимальная частота запроса216 мкс
    Уровень производительностиPL d (EN ISO 13849)
    Разрешение для обеспечения безопасностиКанал 1 = 18 бит или 20 бит, канал 2 = 9 бит
    PFHD: вероятность опасного отказа/ч4 x 10–8 2)
    TM (заданная продолжительность работы)20 лет (EN ISO 13849)
    MTTFd: время до опасного выхода из строя500 лет (EN ISO 13849)
    • 1) Для уточнения параметров вашего оборудования/установки свяжитесь с соответствующим региональным филиалом компании SICK.
    • 2) Приведенные значения относятся к степени диагностируемости 90 %, которая должна достигаться через внешнюю приводную систему.
  • Производительность
    Разрешение на один оборот18 bit
    Количество абсолютно регистрируемых оборотов4.096
    Измерительный шаг на один оборот1.048.576
    Шум сигнала (σ)± 4 ″ 1)
    Допуски позиционного значения, интегральная нелинейность± 60 ″
    Допуски позиционного значения, дифференциальная нелинейность± 40 ″
    Системная точность
    ± 120 ″
    Частота вращения при включении или сбросе системы обратной связи двигателя≤ 6.000 min⁻¹
    Доступная область памяти8.192 Byte
    • 1) См. диаграммы «Шум сигнала» и «Демпфирование».
  • Интерфейсы
    Тип кодирования для абсолютного значенияДвоичный
    Кривая кодаС возрастанием, при вращении вала. По часовой стрелке, если смотреть в направлении A (см. размерный чертеж).
    Интерфейс связиHIPERFACE DSL®
    Время инициализацииMax. 500 ms 1)
    Измерение внешнего температурного сопротивления

    32-битовое значение, без знака (1 Ω) 0 ... 209.600 Ω

    При –40...+160 °C: NTC +- 2K, PTC +- 3K

    Доступная область памяти8.192 Byte
    • 1) После достижения допустимого рабочего напряжения.
  • Электрические данные
    Тип подключенияВстроен в кабель двигателя, 1 вход датчика температуры
    Диапазон напряжения питания7 V ... 12 V
    Продолжительность включения линейной стадии импульса напряженияМакс. 180 мс 1)
    Выходной ток≤ 150 mA (см. диаграмму потребления тока) 2)
    Частота выходного сигнала цифрового позиционного значения0 kHz ... 75 kHz
    • 1) Продолжительность линейной стадии импульса напряжения между 0 и 7,0 В.
    • 2) При применении предложенной схемы включения, как описано в справочнике HIPERFACE DSL ® (8017595).
  • Механические данные
    Исполнение валаКонический вал
    Тип фланца / статорная муфтаСтаторная муфта
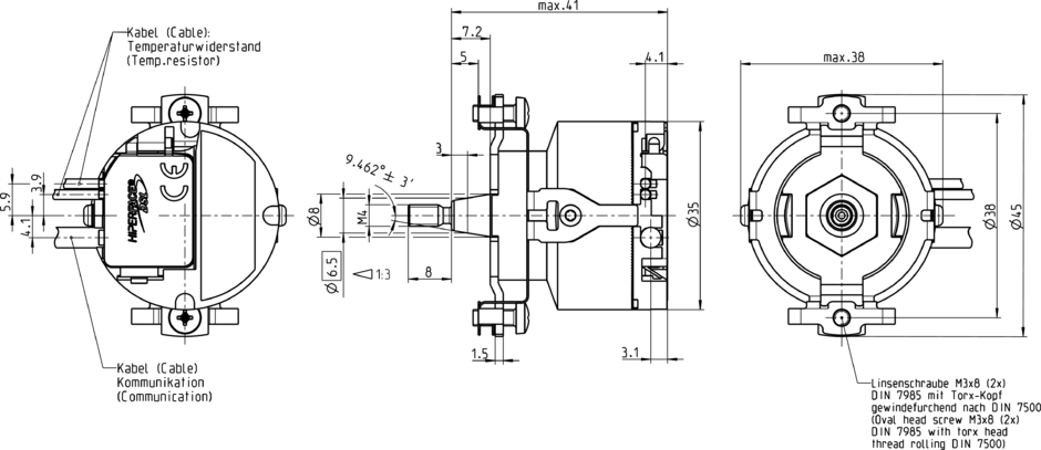
    РазмерыСм. размерный чертеж
    Вес0,1 kg
    Момент инерции ротора4,5 gcm²
    Рабочая частота вращения≤ 9.000 min⁻¹
    Угловое ускорение≤ 200.000 rad/s²
    Рабочий крутящий момент0,2 Ncm
    Пусковой момент0,3 Ncm
    Допустимое перемещение вала радиальное, статическое/динамическое± 0,1 mm / ± 0,05 mm
    Допустимое перемещение вала осевое, статическое/динамическое± 0,5 mm / ± 0,1 mm
    Срок службы шарикоподшипников3,6 x 10^9 оборотов
  • Данные окружающей среды
    Диапазон рабочей температуры–20 °C ... +115 °C 1)
    Диапазон температуры хранения–40 °C ... +125 °C
    Ударопрочность100 g, 6 ms (согласно EN 60068-2-27)
    Диапазон частоты вибростойкости50 g, 10 Hz ... 2.000 Hz (EN 60068-2-6)
    ЭМССогласно EN 61000-6-2, EN 61000-6-4 и IEC 61326-3 2)
    Тип защитыIP40, при вставленном ответном штекере и закрытой крышке (согласно IEC 60529-1) 3)
    • 1) При типичном тепловом соединении между фланцем двигателя и статорной муфтой энкодера. Не допустимо превышение макс. внутренней температуры датчика 125 °C.
    • 2) Электромагнитная совместимость в соответствии с приведенными стандартами обеспечивается, если система обратной связи двигателя установлена в электропроводящем корпусе, который соединен экранированным кабелем с центральной точкой заземления регулятора двигателя. Соединение GND-(0 В) напряжения питания там также связано с землей. При применении другой концепции экранирования пользователь должен провести собственное тестирование.
    • 3) При вставленном ответном штекере и закрытой крышке.
  • Классификации
    ECl@ss 5.027270590
    ECl@ss 5.1.427270590
    ECl@ss 6.027270590
    ECl@ss 6.227270590
    ECl@ss 7.027270590
    ECl@ss 8.027270590
    ECl@ss 8.127270590
    ECl@ss 9.027270590
    ETIM 5.0EC001486
    ETIM 6.0EC001486
    UNSPSC 16.090141112113
Показать всё Скрыть всё

Технические чертежи

Габаритный чертеж Montagehinweis Схема контактов Схема разъема энергопитание/обмен данными EKx36-xKF0B0xxA Схема контактов Схема разъема датчика температуры Вид: Галерея Список Показать всё Скрыть всё
Показать всё Скрыть всё