0
ETI    SIEMENS    ABB    WIKA    IFM    ELKO EP    HYUNDAI    VEGA    KSR KUEBLER    Johnson Controls    Siemens IA/DT (CA01)    Bosch Rexroth    Alfa Laval    SICK    Others  

ES21-SB13J1

Код: 6045315
Связатся с нами: 067 285 7770

В корзину

Показать всё Скрыть всё

  • Характеристики
    Количество принудительно размыкаемых нормально закрытых контактов2
    Количество нормально открытых контактов1
    Направления включения1
    Контактный модуль для встраиваемой версии
    Кнопка аварийного останова (с подсветкой)
    Защита от зажима
    Тип разблокировкиРазблокировка вращением
    Надпись EMERGENCY STOP (АВАРИЙНЫЙ ОСТАНОВ)
  • Параметры техники безопасности
    Значение B10d2,5 x 105 циклов срабатывания
  • Интерфейсы
    Тип подключения
    Сечение провода≤ 2,5 mm²
    КонтактРезьбовое соединение
  • Электрические данные - Эксплуатационные параметры
    Класс защитыII (EN 50178)
    Принцип переключенияВыключатель замедленного действия
    Количество принудительно размыкаемых нормально закрытых контактов2
    Количество нормально открытых контактов1
    Категория потребленияAC-15/DC-13 (EN 60947-5-1)
    Расчетный рабочий ток (расчетное рабочее напряжение)

    3 A (250 V AC)

    2 A (24 V DC)

    Расчетный ток (напряжение) по EN 61058-1

    16 A (10 A) 250 V AC

    10 A (6 A) 440 V AC

    Расчетное напряжение на изоляции Ui600 V
    Напряжение переключения≥ 5 V DC
    Допустимая токовая нагрузка на устройство переключения выходного сигнала≥ 1 mA
    Срок службы электрокомпонентов1 x 106 циклов срабатывания 1)
    • 1) При номинальной нагрузке.
  • Электрические данные - Освещение
    Напряжение питания UV24 V DC (12 V DC ... 30 V DC)
    Потребление тока8 mA ... 44 mA
    Срок службы

    70.000 h 1)

    100.000 h 2)

    • 1) При 55 °C, 20 мА.
    • 2) При 25 °C, 20 мА.
  • Механические данные
    Вес150 g
    Материал корпусаПластик
    Исполнение монтажаВстраиваемая версия
  • Данные окружающей среды
    Тип защитыIP54 (IEC 60529)
    Диапазон рабочих температур–25 °C ... +55 °C
    Температура хранения–25 °C ... +85 °C
  • Классификации
    ECl@ss 5.027371228
    ECl@ss 5.1.427371228
    ECl@ss 6.027371244
    ECl@ss 6.227371244
    ECl@ss 7.027371244
    ECl@ss 8.027371244
    ECl@ss 8.127371244
    ECl@ss 9.027371244
    ETIM 5.0EC002034
    ETIM 6.0EC002034
    UNSPSC 16.090139121545
Показать всё Скрыть всё

Технические чертежи

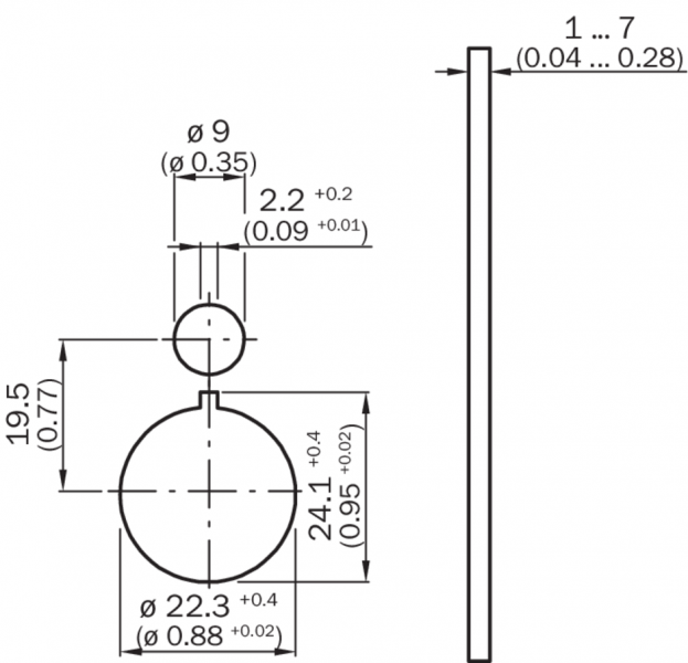
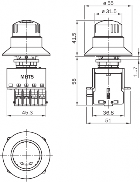
Габаритный чертеж Монтажные отверстия Габаритный чертеж Встраиваемая версия Вид: Галерея Список Показать всё Скрыть всё
Показать всё Скрыть всё