Показать всё Скрыть всё
- Характеристики
| Среда | Жидкости |
| Номинальный диаметр измерительной трубы | DN 25 |
| Рабочая температура | 0 °C ... +80 °C |
| Рабочее давление | Max. 10 bar |
- Производительность
| Минимальный расход | ≥ 5 l/min 1) |
| Максимальный расход | ≤ 240 l/min |
| Подводящая линия | 40 cm |
| Отводящая линия | 20 cm |
| Электропроводимость | Без ограничений |
| Точность измерительного элемента | 2 % (от конечного значения) 2) |
| Воспроизводимость | ≤ 0,5 % |
| Разрешение | 0,03 l/min |
- Электрика
| Напряжение питания | 18 V DC ... 30 V DC 1) |
| Остаточная пульсация | ≤ 5 Vss 2) |
| Потребление тока | ≤ 180 mA 3) |
| Время инициализации | ≤ 5 s |
| Класс защиты | III |
| Тип подключения | Круглый штекерный соединитель M12 x 1, 5-контактный |
| Выходной сигнал | Аналоговый выход 4–20 мА, 0–20 мА для текущего потока и температуры, 1 импульсный выход / выход состояния транзисторный выход для подсчета количества материала, контроля пустой трубы, предельного значения расхода, дозирующий выход, направления потока (в зависимости от модели) 1) |
| Выходной ток | < 100 mA 4) |
| Выходная нагрузка | < 500 Ом |
| Нижний уровень сигнала | 3,8 mA ... 4 mA |
| Верхний уровень сигнала | 20 mA ... 20,5 mA |
| Импульсный выход / Частотный выход | 0–10 кГц |
| Продолжительность импульса | ≤ 1 s |
| Сигнальное напряжение HIGH | Uv - 2 В |
| Сигнальное напряжение LOW | ≤ 2 В |
| Индуктивная нагрузка | 1 H |
| Емкостная нагрузка | 100 nF |
| Оценка | Без фильтрации — 100 мс, со слабой фильтрацией — 300 мс, со средней фильтрацией — 1 с, с сильной фильтрацией — 4,2 с 5) |
- Механика
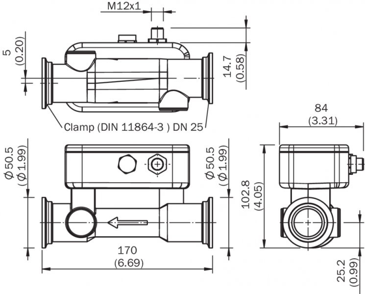
| Технические подключения | Зажим (DIN 11864-3) |
| Материалы, соприкасающиеся со средой | PPSU |
| Материал корпуса | PPSU |
| Тип защиты | IP67 |
| Вес | 460 g |
- Данные окружающей среды
| Диапазон температур при работе | 0 °C ... +60 °C |
| Диапазон температур при хранении | –20 °C ... +70 °C |
- Классификации
| ECl@ss 5.0 | 27371815 |
| ECl@ss 5.1.4 | 27371815 |
| ECl@ss 6.0 | 27371815 |
| ECl@ss 6.2 | 27371815 |
| ECl@ss 7.0 | 27371815 |
| ECl@ss 8.0 | 27371815 |
| ECl@ss 8.1 | 27371815 |
| ECl@ss 9.0 | 27371815 |
| ETIM 5.0 | EC002580 |
| ETIM 6.0 | EC002580 |
| UNSPSC 16.0901 | 41112501 |
Показать всё Скрыть всё Технические чертежи
Габаритный чертеж DN 25, зажим (DIN 11864-3)
Тип подключения
Вид: Галерея Список Показать всё Скрыть всё Показать всё Скрыть всё