0
ETI    SIEMENS    ABB    WIKA    IFM    ELKO EP    HYUNDAI    VEGA    KSR KUEBLER    Johnson Controls    Siemens IA/DT (CA01)    Bosch Rexroth    Alfa Laval    SICK    Others  

FLOWSIC100 Flare

Код: FLOWSIC100 Flare
Связатся с нами: 067 285 7770

В корзину

Серия FLOWSIC100 Flare отличается уникальной аэродинамичной конструкцией датчика. Этот инновационный дизайн сводит к минимуму шумы от потока и смещение сигнала при очень высокой скорости газа. Современная обработка сигналов и высокоэффективный преобразователь позволяют достичь максимального разрешения сигнала по времени и высокой точности измерения даже при малом значении расхода газа.

В стандартной конфигурации система состоит из 2 приемопередающих блоков или измерительного зонда и блока управления MCUP. Блок MCUP служит для приема и передачи сигналов, для расчета базовых значений (приведение к стандартным условиям), молекулярной массы, массового расхода, для определения объема газа, а также для удобного управления через ЖК-дисплей.

Краткий обзор
  • Измерение с высоким разрешением и малым временем отклика
  • Инновационный дизайн датчиков для очень высоких скоростей газа
  • Оптимальная передача сигнала даже при атмосферном давлении
  • Удаленная установка блока управления на расстоянии до 1 000 м
  • Одно- и многолучевая конфигурация, опция Зондовая версия
  • Проверка нулевой точки в поле по заводскому стандарту
  • Контрольный цикл для автоматической самодиагностики/оптимизации сигнала
Ваши преимущества
  • Надежный контроль процесса благодаря точному измерению вблизи нулевой точки
  • Высокая степень доступности измерений даже при аварийном отключении, максимальная скорость газа — до 120 м/с
  • Экономия средств благодаря тому, что блок управления размещается отдельно в безопасной зоне
  • Системное решение управления тремя различными измерительными точками с одного общего блока управления
  • Экономия средств за счет односторонней установки при применении зондовой версии FLOWSIC100 EX-PR
  • Обеспечение оптимальной производительности устройства благодаря непрерывному функциональному контролю и расширенным функциям диагностики в полевых условиях
Показать всё Скрыть всё
  • Система FLOWSIC100 Flare
    Измеряемые величиныМассовый расход, Объемный расход (с.у.), Объемный расход (р. у.), Молекулярная масса, Объем и масса газа, Скорость газа, Температура газа, Скорость звука
    Количество измерительных лучей1, 2
    Принцип измеренияУльтразвуковой (измерение разности времен прохождения ультразвуковых импульсов по потоку и против потока газа)
    Измеряемая средаУглеводородные смеси с содержанием H2 или без него
    Повторяемость0,2 % При ≥ 10 м/с
    Разрешение+ 0,001 m/s
    Погрешность измерений
    Объемный расход (р. у.) (1-лучевое измерение)± 1,5 % ... 5 %Измеренного значения (в диапазоне от 0,3 м/с до конечного значения диапазона измерений)1
    Объемный расход (р. у.) (1-лучевое измерение)± 0,5 %Измеренного значения (в диапазоне от 1 м/с до конечного значения диапазона измерений)1,2
    Объемный расход (р. у.) (2-лучевое измерение)± 1 % ... 3 %Измеренного значения (в диапазоне от 0,3 м/с до конечного значения диапазона измерений)1
    Объемный расход (р. у.) (2-лучевое измерение)± 0,5 %Измеренного значения (в диапазоне от 1 м/с до конечного значения диапазона измерений)1,2
    Массовый расход (1-лучевое измерение)± 2,5 % ... 5 %Измеренного значения (в диапазоне от 0,3 м/с до конечного значения диапазона измерений)1,3
    Массовый расход (2-лучевое измерение)± 2 % ... 4 %Измеренного значения (в диапазоне от 0,3 м/с до конечного значения диапазона измерений)1,3
    Молекулярная масса≤ 2 %Измеренного значения (в диапазоне 2...120 кг/кмоль)3

    1 Для полностью сформированных профилей потока.

    2 После калибровки расхода.

    3 Углеводородные смеси с содержанием неуглеводородов < 10 %.

    Температура газа
    Standard–70 °C ... +180 °C
    Высокотемпературная зона 1–70 °C ... +280 °C
    Высокотемпературная зона 2–70 °C ... +260 °C
    Низкая температура–196 °C ... +100 °CНе для FLOWSIC100 EX/EX-RE зона 1/Class I, Division 1
    Рабочее давление

    –0,5 bar (g) ... 16 bar (g)

    FLOWSIC100 EX-S 90°: –0,5 bar (g) ... 19 bar (g)

    Температура окружающей среды
    Датчики, группа взрывоопасности IIC T4–40 °C ... +70 °C
    Датчики, группа взрывоопасности IIC T4–50 °C ... +70 °CОпция
    Датчики, группа взрывоопасности IIC T6–40 °C ... +55 °C
    Датчики, группа взрывоопасности IIC T6–50 °C ... +55 °CОпция
    Температура хранения

    –40 °C ... +70 °C

    –50 °C ... +70 °CОпция

    Влажность окружающей среды≤ 95 %Относительная влажность
    ЭлектробезопасностьCE
  • FLOWSIC100 EX-S
    Диапазоны измерения
    Скорость газа0,03 ... 120 m/s
    Динамический диапазон4000 : 1
    Номинальный диаметр трубы
    1-лучевое измерение4 ″ ... 24 ″В зависимости от химического состава газа
    2-лучевое измерение12 ″ ... 24 ″В зависимости от химического состава газа
    Допуск по взрывобезопасности
    IECExEx d [ia] IIC T4 Ga/GbОпция: класс температуры T6, взрывоопасная зона 0 для ультразвукового преобразователя
    ATEX

    II 1/2 G Ex d [ia Ga] IIC T4 Ga/Gb

    II 1/2 G Ex d e [ia Ga] IIC T4 Ga/GbОпция: класс температуры T6, взрывоопасная зона 0 для ультразвукового преобразователя

    II 3 G Ex nA IIC T4 Gc

    NEC/CEC (US/CA)

    Cl I, Div1 Group B, C, D T4

    Ex/AEx d [ia] IIB + H2 T4Опция: класс температуры T6

    Cl I, Div2 Group A, B, C, D T4

    Ex/AEx nA [ia] IIC T4Опция: класс температуры T6

    INMETROEx d [ia] IIC T4 Ga/GbОпция: класс температуры T6, взрывоопасная зона 0 для ультразвукового преобразователя
    Класс защиты
    ATEX-зона 1 с клеммной коробкойIP65
    ATEX-зона 1 без клеммной коробкиIP65 / IP67
    ATEX-зона 2 с клеммной коробкойIP65
    NEC/CEC (US/CA)Тип корпуса 4, IP65
    INMETROIP65 / IP67
    Размеры (Ш x В x Г)Детали см. на размерных чертежах
    Вес≤ 11 kg
  • FLOWSIC100 EX-S 90°
    Диапазоны измерения
    Скорость газа0,03 ... 90 m/s
    В зависимости от химического состава газа
    Динамический диапазон3000 : 1
    Номинальный диаметр трубы
    1-лучевое измерение12 ″ ... 72 ″
    Допуск по взрывобезопасности
    IECExEx d [ia] IIC T4 Ga/GbОпция: класс температуры T6, взрывоопасная зона 0 для ультразвукового преобразователя
    ATEX

    II 1/2 G Ex d [ia Ga] IIC T4 Ga/Gb

    II 1/2 G Ex d e [ia Ga] IIC T4 Ga/GbОпция: класс температуры T6, взрывоопасная зона 0 для ультразвукового преобразователя

    II 3 G Ex nA IIC T4 Gc

    NEC/CEC (US/CA)

    Cl I, Div1 Group B, C, D T4, Ex/AEx x d [ia] IIB + H2 T4Опция: класс температуры T6

    Cl I, Div2 Group A, B, C, D T4, Ex/AEx x nA [ia] IIC T4Опция: класс температуры T6

    INMETROEx d [ia] IIC T4 Ga/GbОпция: класс температуры T6, взрывоопасная зона 0 для ультразвукового преобразователя
    Класс защиты
    ATEX-зона 1 с клеммной коробкойIP65
    ATEX-зона 1 без клеммной коробкиIP65 / IP67
    ATEX-зона 2 с клеммной коробкойIP65
    NEC/CEC (US/CA)Тип корпуса 4, IP65
    INMETROIP65 / IP67
    Размеры (Ш x В x Г)Детали см. на размерных чертежах
    Вес≤ 12 kg
  • FLOWSIC100 EX/EX-RE
    Диапазоны измерения
    Скорость газа0,03 ... + 120 m/s
    Динамический диапазон4000 : 1
    Номинальный диаметр трубы
    1-лучевое измерение8 ″ ... 72 ″В зависимости от химического состава газа
    2-лучевое измерение12 ″ ... 72 ″В зависимости от химического состава газа
    Допуск по взрывобезопасности
    IECExEx d IIC T4Опция: класс температуры T6
    ATEX

    II 2G Ex d IIC T4

    II 2G Ex de IIC T4Опция: класс температуры T6

    II 3 G Ex nA IIC T4 Gc

    NEC/CEC (US/CA)

    Cl I, Div1 Group B, C, D T4

    Ex/AEx d IIB + H2 T4Опция: класс температуры T6

    Cl I, Div2 Group A, B, C, D T4

    Ex/AEx nA IIC T4Опция: класс температуры T6

    INMETROEx d IIC T4Опция: класс температуры T6
    Класс защиты
    ATEX-зона 1 с клеммной коробкойIP65
    ATEX-зона 1 без клеммной коробкиIP65 / IP67
    Исполнение для взрывоопасной зоны 2IP65
    NEC/CEC (US/CA)Тип корпуса 6, IP65/67, одинарное уплотнение
    INMETROIP65 / IP67
    Размеры (Ш x В x Г)Детали см. на размерных чертежах
    Вес≤ 14 kg
  • FLOWSIC100 EX-PR
    Диапазоны измерения
    Скорость газа0,03 ... + 90 m/s
    Динамический диапазон3000 : 1
    Номинальный диаметр трубы
    1-лучевое измерение12 ″ ... 72 ″В зависимости от химического состава газа
    2-лучевое измерение18 ″ ... 72 ″В зависимости от химического состава газа
    Допуск по взрывобезопасности
    IECExEx d [ia] IIC T4 Ga/GbОпция: класс температуры T6, взрывоопасная зона 0 для ультразвукового преобразователя
    ATEX

    II 1/2 G Ex d [ia Ga] IIC T4 Ga/Gb

    II 1/2 G Ex d e [ia Ga] IIC T4 Ga/GbОпция: класс температуры T6, взрывоопасная зона 0 для ультразвукового преобразователя

    II 3 G Ex nA IIC T4 Gc

    NEC/CEC (US/CA)

    Cl I, Div1 Group B, C, D T4

    Ex/AEx d [ia] IIB + H2 T4Опция: класс температуры T6

    Cl I, Div2 Group A, B, C, D T4

    Ex/AEx nA [ia] IIC T4Опция: класс температуры T6

    INMETROEx d [ia] IIC T4 Ga/GbОпция: класс температуры T6, взрывоопасная зона 0 для ультразвукового преобразователя
    Класс защиты
    ATEX-зона 1 с клеммной коробкойIP65
    ATEX-зона 1 без клеммной коробкиIP65 / IP67
    Исполнение для взрывоопасной зоны 2IP65
    NEC/CEC (US/CA)Тип корпуса 4, IP65
    INMETROIP65 / IP67
    Размеры (Ш x В x Г)Детали см. на размерных чертежах
    Вес≤ 32 kg
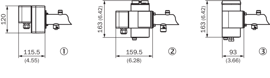
  • Блок управления MCUP
    ОписаниеБлок управления приемопередающими блоками, для расчета, оценки и выдачи измеренных значений
    Температура окружающей среды
    Блок управления MCUP (не во взрывозащищенном исполнении)–40 °C ... +60 °C
    Блок управления MCUP (Cl I, Div2, зона 2, 115/230 В перем. тока)–25 °C ... +60 °C
    Блок управления MCUP (Cl I, Div2, зона 2, 24 В пост. тока)–40 °C ... +60 °C
    Блок управления MCUP (Cl I, Div1, Group A, B, C, D)–25 °C ... +50 °C
    Блок управления MCUP (Cl I, Div1, Group C, D)–50 °C ... +50 °C
    Блок управления MCUP (взрывоопасная зона 1)–40 °C ... +55 °C
    Блок управления MCUP (взрывоопасная зона 1)–55 °C ... +55 °C
    Допуск по взрывобезопасности
    IECExEx de IIC T6
    ATEX

    II 2G Ex de IIC T6

    II 3 G Ex nA II T4

    NEC/CEC (US/CA)

    CSA Cl 1, Div2, Cl1, Zone 2 Group A, B, C, D T4

    Ex/AEx nA IIC T4

    Класс защиты
    Исполнение для взрывоопасной зоны 1IP66
    Исполнение для взрывоопасной зоны 2, Div2, Div1Тип корпуса 4 или 4X/IP66
    Исполнение для невзрывоопасных зонIP66
    Исполнение 19''IP20
    Аналоговые выходы1 Выходы:0/2/4 ... 22 mA, 500 ΩСогласно NAMUR NE43, до 7 выходов при применении I/O-модулей (опция)
    Аналоговые входы

    2 Входы:0 ... 5 V0 ... 10 VИли

    2 Входы:0 ... 20 mAБез гальванической развязки, до 12 вводов при применении I/O-модулей (опция)

    Цифровые выходы

    5 Релейные контакты:+ 48 V DC, 1 AБеспотенциальный, для сигналов состояния, до 7 выходов при применении I/O-модулей (опция), импульсный/частотный выход (опция)

    5 Релейные контакты: / 30 V DC, 1 AMCUP для зоны 2/разд. 2, беспотенциальный, для сигналов состояния, до 7 выходов при применении I/O-модулей (опция), импульсный/частотный выход (опция)

    Цифровые входы2 Входы:Для подключения беспотенциальных контактов
    USB
    ФункцияПривязка к ПО SOPAS ET
    Последовательный
    Тип интеграции в шину

    RS-232

    RS-485

    Функция

    Привязка к ПО SOPAS ET

    Внутренняя системная шина

    Ethernet
    Тип интеграции в шинуЧерез опциональный интерфейсный модуль
    ФункцияПривязка к ПО SOPAS ET
    Modbus
    Тип интеграции в шину

    ASCII RS-485 (через опциональный интерфейсный модуль)

    RTU RS-485 (через опциональный интерфейсный модуль)

    TCP (через опциональный интерфейсный модуль)

    HART
    Тип интеграции в шинуЧерез опциональный интерфейсный модуль
    PROFIBUS DP
    Тип интеграции в шинуЧерез опциональный интерфейсный модуль
    Foundation Fieldbus
    Тип интеграции в шинуЧерез опциональный интерфейсный модуль
    Индикация

    ЖК-дисплей

    Светодиоды состояния: «Питание», «Необходимо техническое обслуживание» и «Неисправность»

    УправлениеЧерез ЖК-дисплей или программное обеспечение SOPAS ET
    Размеры (Ш x В x Г)Детали см. на размерных чертежах
    Вес

    ± 14 kg

    ± 18 kg

    ± 70 kg

    ± 5 kg

    19''-корпус для монтажа в стойку: ± 6 kg

    ± 12 kg

    ± 16 kg

    Электрическое подключение
    Напряжение

    Исполнение для невзрывоопасных зон: 90 ... 250 V AC

    Исполнение для взрывоопасной зоны 1: 90 ... 250 V AC

    Исполнение для взрывоопасной зоны 2, Div2, Div1: 115 V AC / 230 V AC

    Исполнение для взрывоопасной зоны Cl1, Div1: 100 ... 240 V

    Исполнение с 24 В пост. тока доступно в виде опции
    Частота50 Hz / 60 Hz
    Потребляемая мощность≤ 20 W
    Опции

    Модуль (модули) интерфейсный

    Модуль (модули) входа/выхода

Показать всё Скрыть всё

Технические чертежи

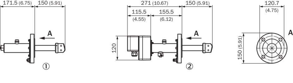
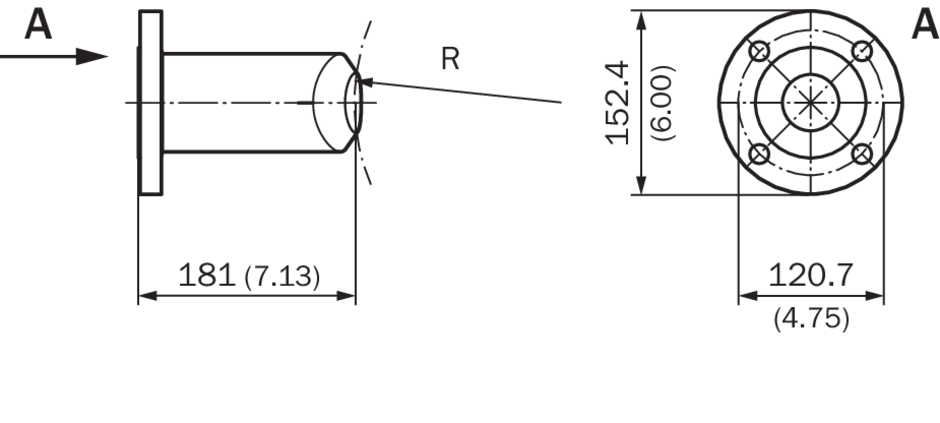
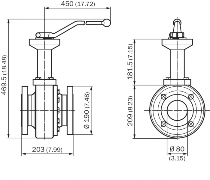
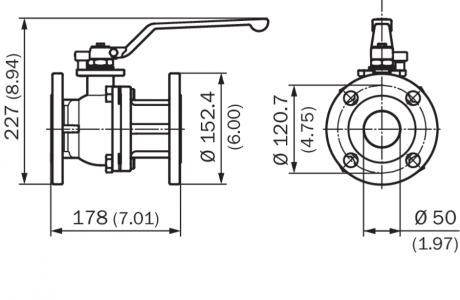
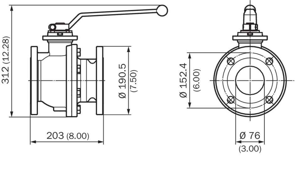
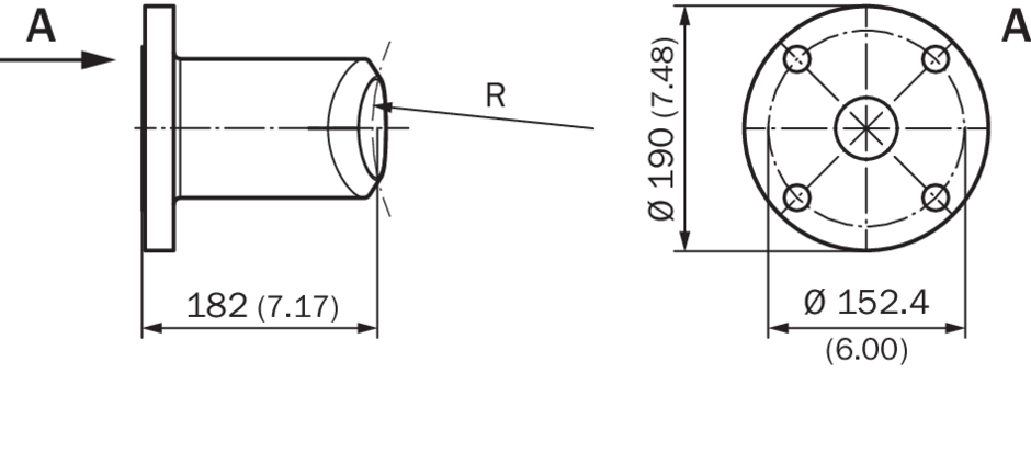
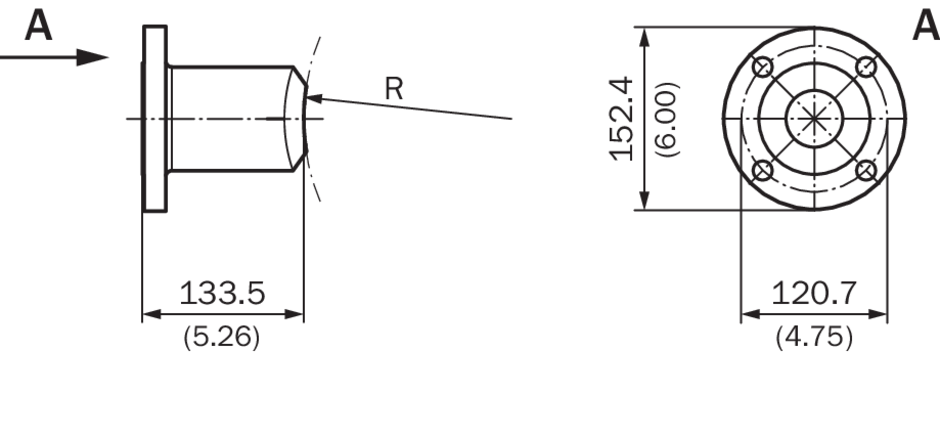
FLOWSIC100 EX-S, приемопередатчик, незаменяемый FLOWSIC100 EX-S, приемопередатчик, заменяемый FLOWSIC100 EX, приемопередатчик, незаменяемый FLOWSIC100 EX-RE, приемопередатчик, заменяемый FLOWSIC100 EX-PR, приемопередатчик, незаменяемый FLOWSIC100 EX-PR, приемопередатчик, заменяемый электронные блоки приемопередатчиков (цифровые) устройство управления MCU-P, настенный корпус, компактное исполнение (только для взрывобезопасных зон) устройство управления MCUP, настенный корпус, среднее исполнение устройство управления MCUP, настенный корпус Ex d/Ex e, размер 4, алюминий, ATEX зона 1 устройство управления MCUP, настенный корпус Ex d/Ex e, нержавеющая сталь, ATEX зона 1 устройство управления MCUP, 19-дюйм. корпус для монтажа в стойку (только для взрывобезопасных зон) монтажный штуцер для FLOWSIC100 EX монтажный штуцер для FLOWSIC100 EX-PR монтажный штуцер для FLOWSIC100 EX-S шаровый кран, 2-дюйм. исполнение, для высоких температур шаровый кран, 2-дюйм. исполнение, для стандартных температур шаровый кран, 2-дюйм. исполнение, для низких температур шаровый кран, 3-дюйм. исполнение, для высоких температур шаровый кран, 3-дюйм. исполнение, для стандартных температур шаровый кран, 3-дюйм. исполнение, для низких температур Вид: Галерея Список Показать всё Скрыть всё
Показать всё Скрыть всё