0
ETI    SIEMENS    ABB    WIKA    IFM    ELKO EP    HYUNDAI    VEGA    KSR KUEBLER    Johnson Controls    Siemens IA/DT (CA01)    Bosch Rexroth    Alfa Laval    SICK    Others  

FLOWSIC100 Process

Код: FLOWSIC100 Process
Связатся с нами: 067 285 7770

В корзину

С помощью приборов измерения расхода газа FLOWSIC100 Process можно выполнять измерения при давлении до 16 бар, в том числе во взрывоопасных областях зоны 2. Приемопередающие блоки выпускаются в герметичном исполнении из нержавеющей стали или титана. Стандартная система состоит из блока управления MCU и 2 приемопередающих блоков или одного измерительного зонда. Блок MCUP служит для приема и передачи сигналов, для расчета базовых значений (приведение к стандартным условиям) или массового расхода, а также для удобного управления через ЖК-дисплей.

Краткий обзор
  • Устойчивый к коррозии преобразователь из нержавеющей стали или титана.
  • Технологическое давление до 16 бар.
  • Доступно взрывозащищенное исполнение для применения в зоне 2 (ATEX).
  • Герметичный ультразвуковой преобразователь.
  • Измерение почти без падения давления и без влияния на технологический процесс.
  • Автоматический функциональный контроль с тестированием по нулевой и базовой точкам.
Ваши преимущества
  • Надежное и точное измерение даже при малой скорости газа
  • Минимальное техническое обслуживание из-за отсутствия движущихся частей
  • Измерение независимо от давления, температуры и химического состава газа
  • Отсутствие влияния потока газа, так как измерение осуществляется бесконтактным методом
  • Сертифицирован для применения во взрывоопасной зоне 2 (ATEX)
  • Удобное управление и диагностика устройства через блок управления MCU и с использованием программного обеспечения SOPAS ET
Показать всё Скрыть всё
  • Система FLOWSIC100 Process
    Измеряемые величиныСкорость газа, Массовый расход, Объемный расход (р. у.), Объемный расход (с.у.), Скорость звука, Температура газа
    Принцип измеренияУльтразвуковой (измерение разности времен прохождения ультразвуковых импульсов по потоку и против потока газа)
    Диапазоны измерения
    Скорость газа0 ... ± 40 m/s
    Повторяемость

    Для v > 2 м/с: ± 1 % в зависимости от применения устройства

    Для v < 2 м/с: ± 0,02 m/s в зависимости от применения устройства

    Диагностические функции

    Автоматический контрольный цикл для нулевой и базовой точек

    Расширенная диагностика устройств с помощью программного обеспечения SOPAS ET

    Температура газа
    –40 °C ... +260 °C
    Концентрация пыли≤ 1 g/m³
    Температура окружающей среды
    –40 °C ... +60 °C
    Температура хранения–40 °C ... +70 °C
    ЭлектробезопасностьCE
    Класс защиты
    IP65
  • FLOWSIC100 PN16/CL150
    Рабочее давление–0,5 bar ... 16 bar
    Номинальный диаметр трубы
    0,15 m ... 1,7 m
    Вес3 kgВ зависимости от исполнения
    МонтажУгол установки 60°
    Системные компоненты

    2 приемопередающих блока FLSE100-PN16/CL150

    1 блок управления MCU-N

    1 клеммная коробка

    2 соединительных кабеля

    2 штуцера

  • FLOWSIC100 EX-Z2 и EX-Z2-RE
    Рабочее давление–0,5 bar ... 16 bar
    Номинальный диаметр трубы
    0,15 m ... 1,7 m
    Допуск по взрывобезопасности
    ATEXПриемопередающие блоки: II 3 G Ex nA II T4 Gc
    Вес

    FLSE100-EXZ2: 3 kgВ зависимости от исполнения

    FLSE100-EXZ2RE: 6 kgВ зависимости от исполнения

    МонтажУгол установки 60°
    Системные компоненты

    2 приемопередающих блока FLSE100-EXZ2

    1 блок управления MCU-N

    1 клеммная коробка

    2 соединительных кабеля

    2 штуцера

    2 шаровых крана (только в исполнении EX-Z2-RE)

  • FLOWSIC100 PR-EX-Z2
    Рабочее давление–100 hPa ... 100 hPa
    Номинальный диаметр трубы
    ≥ 0,4 m
    Допуск по взрывобезопасности
    ATEXПриемопередающие блоки: II 3 G Ex nA II T4 Gc
    Вес5 kgВ зависимости от исполнения
    МонтажУгол установки 45°
    Системные компоненты

    1 приемопередающий блок FLSE100-PREXZ2

    1 блок управления MCU-N

    1 клеммная коробка

    1 соединительный кабель

    1 штуцер

  • Блок управления MCU-H
    ОписаниеСтандартный блок управления приемопередающими блоками и для обработки расчета и выдачи измеренных значений
    Температура окружающей среды
    –40 °C ... +60 °C
    Класс защиты
    IP65
    Аналоговые выходы1 Выходы:0/2/4 ... 20 mA, 750 ΩС гальванической развязкой, до пяти выходов с применением дополнительных модулей (опция)
    Аналоговые входы2 Входы:0 ... 20 mAДо четырех входов с применением дополнительных модулей (опция)
    Цифровые выходы5 Релейные выходы (переключатель), беспотенциальные:48 V, 1 AБезопасное сверхнизкое напряжение, для сигналов состояния «Работа/неисправность», «Предельное значение», «Предупреждение», «Техническое обслуживание» и «Контрольный цикл»
    Цифровые входы4 Беспотенциальные контакты
    USB
    ФункцияПривязка к ПО SOPAS ET
    Последовательный
    Тип интеграции в шину

    RS-232

    RS-485

    Функция

    Привязка к ПО SOPAS ET

    Внутренняя системная шина

    Ethernet
    Тип интеграции в шинуЧерез опциональный интерфейсный модуль
    Modbus
    Тип интеграции в шину

    ASCII RS-485 (через опциональный интерфейсный модуль)

    RTU RS-485 (через опциональный интерфейсный модуль)

    TCP (через опциональный интерфейсный модуль)

    HART
    Тип интеграции в шинуЧерез опциональный интерфейсный модуль
    PROFIBUS DP
    Тип интеграции в шинуЧерез опциональный интерфейсный модуль
    Foundation Fieldbus
    Тип интеграции в шинуЧерез опциональный интерфейсный модуль
    Индикация

    ЖК-дисплей (опция)

    Светодиоды состояния «Питание», «Техническое обслуживание» и «Неисправность»

    УправлениеЧерез ЖК-дисплей (опция) или программное обеспечение SOPAS ET
    Размеры (Ш x В x Г)210 mm x 340 mm x 120 mm
    Вес≤ 3,7 kg
    Электрическое подключение
    Напряжение90 ... 250 V
    Исполнение с 24 В пост. тока доступно в виде опции
    Частота47 ... 63 Hz
    Потребляемая мощность≤ 15 W
    Опции

    Модуль (модули) интерфейсный

    Модуль (модули) входа/выхода

    ЖК-дисплей

    Исполнение 19''

Показать всё Скрыть всё

Технические чертежи

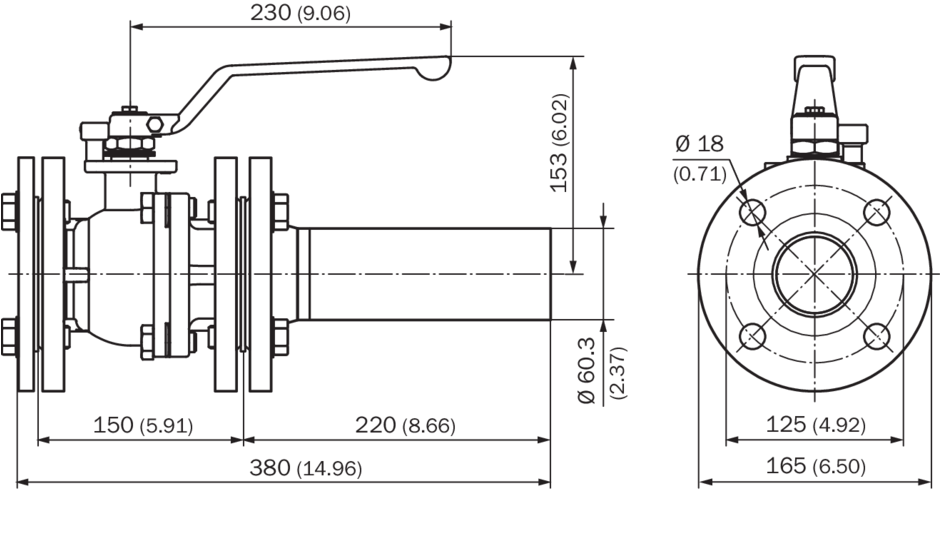
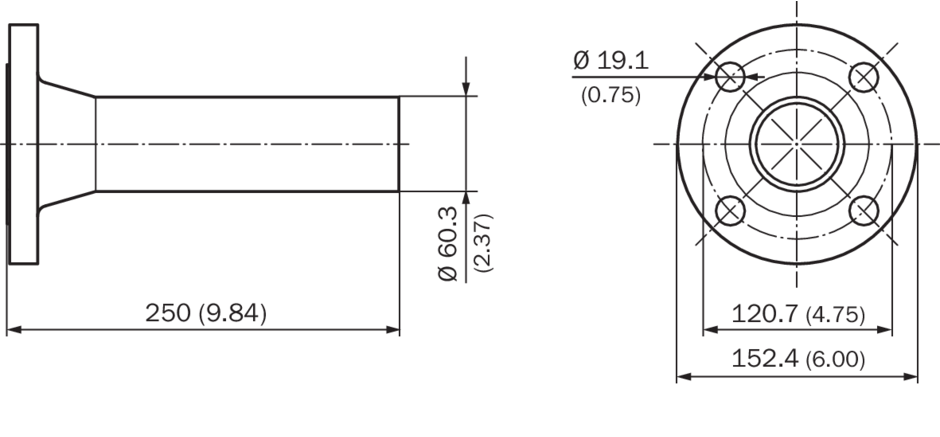
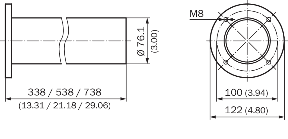
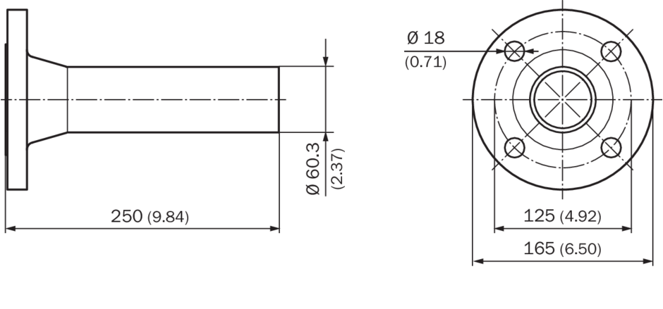
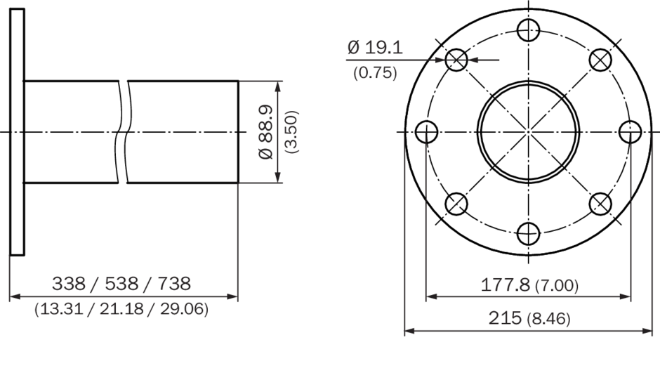
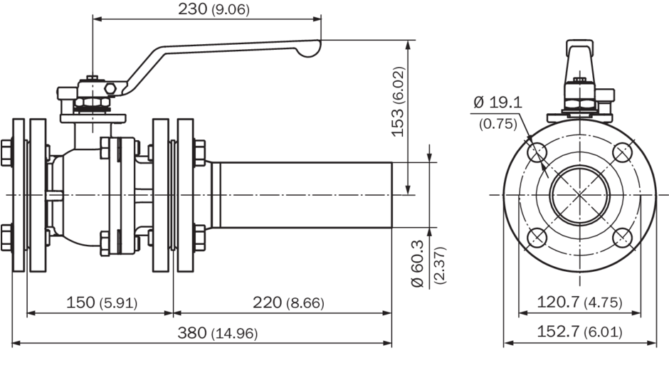
приемопередатчик FLSE100-PN16CL150 приемопередатчик FLSE100-EXZ2 приемопередатчик FLSE100-EXZ2RE приемопередатчик FLSE100-PREXZ2 устройство управления MCU-N, настенный корпус, компактное исполнение (только для взрывобезопасных зон) монтажный комплект CL150 с шаровым краном для FLSE100-EXZ2RE монтажный комплект PN16 с шаровым краном для FLSE100-EXZ2RE фланец с трубой, D70 фланец с трубой, версия для США штуцер PN16 DN50 штуцер 2″ Cl.150 Вид: Галерея Список Показать всё Скрыть всё
Показать всё Скрыть всё