0
ETI    SIEMENS    ABB    WIKA    IFM    ELKO EP    HYUNDAI    VEGA    KSR KUEBLER    Johnson Controls    Siemens IA/DT (CA01)    Bosch Rexroth    Alfa Laval    SICK    Others  

FLOWSIC30

Код: FLOWSIC30
Связатся с нами: 067 285 7770

В корзину

Ультразвуковой счетчик газа FLOWSIC30 разработан для использования в сфере добычи природного газа, например, метана из угольных пластов. Двухканальный счетчик оснащен прочным корпусом из углеродистой стали и датчиками из цельного титана. Ультразвуковой измерительный механизм не имеет подвижных деталей и практически не требует технического обслуживания. Прочная конструкция с проложенными внутри проводами защищает счетчик от жестких условий окружающей среды, а большой диапазон измерения охватывает весть диапазон расхода источника газа. Счетчик FLOWSIC30 имеет встроенную функцию диагностики, с помощью которой контролируется состояние счетчика и наличие жидкости в потоке газа. Посредством встроенной функции измерения температуры и преобразования объема согласно AGA8 счетчик рассчитывает нормальный расход и уменьшает расходы на установку. Потребляемая мощность менее 65 мВт и 2-проводная концепция облегчают интеграцию, а коммуникационные протоколы HART® и Modbus гарантируют гибкость при передаче данных.

Краткий обзор
  • Надежное и непрерывное измерение
  • Герметичные титановые датчики
  • 2-проводная концепция с питанием от контура и цифровой интерфейс HART®
  • Динамический диапазон измерения 80:1
  • Корпус счетчика из черной стали без сварных швов класс ANSI 150
  • Прочная конструкция с проложенными внутри проводами
  • Интеллектуальная диагностика счетчика
  • Встроенный датчик температуры
Ваши преимущества
  • Высокая доступность измерения без нарушения потока газа
  • Высокая надежность, стабильность и точность измерения благодаря сенсорной технологии SICK
  • Незначительные затраты на техническое обслуживание
  • Большой диапазон измерения во всем диапазоне расхода источников газа
  • Длительный срок службы, даже в жестких условиях окружающей среды
  • Быстрая, простая и надежная интеграция счетчика газа в буровые скважины
  • Незначительные затраты на установку благодаря 2-проводной концепции
  • Вызов подробной информации по протоколу Modbus и с помощью удобного для пользователя программного обеспечения, в том числе посредством системы дистанционного контроля
Показать всё Скрыть всё
  • Система
    Измеряемые величиныОбъем газа (с. у.), Объем газа (р. у.), Ошибочный объем (с. у.), Ошибочный объем (р. у.), Объемный расход (с.у.), Объемный расход (р. у.), Температура газа, Скорость звука
    Количество измерительных лучей2
    Принцип измеренияУльтразвуковой (измерение разности времен прохождения ультразвуковых импульсов по потоку и против потока газа)
    Измеряемая средаГаз из угольных пластов, Природный газ, Метан
    Диапазоны измерения
    Объемный расход (р. у.)20 ... 1.600 m³/h
    Повторяемость≤ 0,5 % измеренного значения
    Погрешность измерений
    Объемный расход (р. у.)≤ ± 1,5 %В диапазоне от 100 до 1 600 м³/ч
    ≤ ± 3 %В диапазоне от 20 до 100 м³/ч

    Заводская калибровка с помощью воздуха при атмосферном давлении

    Проверено с конфигурациями труб согласно OIML R-137:2012 Приложение B (умеренно)

    Диагностические функции

    Встроенная функция диагностики устройства

    Обнаружение жидкости

    Температура газа
    –10 °C ... +80 °C
    Рабочее давление0 bar (g) ... 19,6 bar (g)
    Номинальный диаметр трубы
    DN100 / 4 дюйма, сортамент STD
    Температура окружающей среды
    –25 °C ... +60 °C
    Температура хранения–25 °C ... +70 °C
    Влажность окружающей среды≤ 95 %Относительная влажность
    Допуск по взрывобезопасности
    IECExEx d e ia [ia] IIA T4 Gb
    ATEXII 2G Ex d e ia [ia] IIA T4 Gb
    Класс защиты
    IP66 / IP67
    Аналоговые выходы1 Выходы:4 ... 20 mA
    Modbus
    ПримечаниеОпция
    Тип интеграции в шину

    RTU RS-485

    ASCII RS-485

    HART
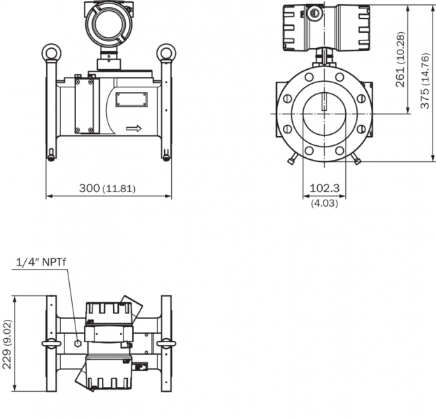
    Размеры (Ш x В x Г)300 mm x 375 mm x 229 mm (Детали см. на размерных чертежах)
    Вес28 kg
    МатериалКорпус счетчика: углеродистая сталь (ASTM A350 LF2 или ASTM A352 LCC)
    Электрическое подключение
    Напряжение16 ... 30 V DC
    Через аналоговую петлю, 2-проводная концепция
    Потребляемая мощность< 65 mW
    Технические подключенияПрисоединительные фланцы: 4″ ANSI B16.5, Class 150 RF
  • Корректор расхода
    Точность
    ≤ ± 0,5 %В зависимости от вероятной погрешности при измерении давления
    Метод расчетаPTZ или TZ
    Сжимаемость

    AGA 8 Gross method 1

    AGA 8 Gross method 2

  • Встроенный датчик температуры
    ОписаниеЦифровой датчик, установлен в погружную гильзу
    Диапазоны измерения
    Температура–10 ... +80 °C
    Погрешность измерений
    ≤ ± 0,3 %Измеренного значения в К
Показать всё Скрыть всё

Технические чертежи

FLOWSIC30 Вид: Галерея Список Показать всё Скрыть всё
Показать всё Скрыть всё