0
ETI    SIEMENS    ABB    WIKA    IFM    ELKO EP    HYUNDAI    VEGA    KSR KUEBLER    Johnson Controls    Siemens IA/DT (CA01)    Bosch Rexroth    Alfa Laval    SICK    Others  

FLOWSIC60

Код: FLOWSIC60
Связатся с нами: 067 285 7770

В корзину

Ультразвуковой измерительный прибор FLOWSIC60 с помощью ультразвуковых сигналов в непрерывном режиме измеряет скорость воздуха в туннелях и шахтах. Надежный измерительный прибор изготавливается из высококачественных компонентов из нержавеющей стали и идеально подходит для применения в неблагоприятных условиях окружающей среды. Установленный однажды, FLOWSIC60 автоматически измеряет скорость воздуха в непрерывном режиме по всей ширине туннеля и выдает результаты измерения на дисплей и на аналоговый выход. Таким образом обеспечивается простая интеграция в систему контроля. Так как обеспечение безопасности при подземных работах имеет наивысший приоритет, анализатор FLOWSIC60 имеет искробезопасное исполнение и сертифицирован согласно IECEx для применения в горной промышленности. Эксплуатация почти без износа компонентов, минимальная потребность в техническом обслуживании и встроенный самоконтроль обеспечивают высшую степень безопасности и удобство при измерении воздушного потока во взрывобезопасных зонах.

Краткий обзор
  • Постоянное измерение параметров воздушного потока.
  • Искробезопасные электрические компоненты с сертификацией IECEx для зоны 0 (EPL Ma).
  • Ультразвуковая технология, отсутствие движущихся частей.
  • Достоверность результатов измерений по всей ширине туннеля.
  • Для туннелей диаметром от 0,5 до 8,5 м.
  • Компоненты из нержавеющей стали и защитные шланги для кабелей обеспечивают долговечность в неблагоприятных условиях окружающей среды.
  • Встроенная самодиагностика.
  • Аналоговый выход с выдачей токов утечки.
Ваши преимущества
  • Надежность эксплуатации благодаря искробезопасному исполнению электрических компонентов измерительной системы.
  • Удобство применения за счет постоянного автоматического измерения параметров воздушного потока.
  • Надежность результатов измерений благодаря измерению по всей ширине туннеля.
  • Большой срок службы вследствие применения долговечных компонентов из нержавеющей стали и принципу измерения без износа деталей и узлов.
  • Невысокие эксплуатационные расходы благодаря минимальным затратам на техническое обслуживание и встроенной самодиагностике.
  • Снижение расходов на установку и ввод в эксплуатацию благодаря гибкости монтажного положения и простоте электромонтажа.
  • Минимальные затраты на техническое обслуживание и большие интервалы между ними обеспечиваются благодаря отсутствию подвижных частей и высокой устойчивости к загрязнениям.
  • Простота подключения к контрольным системам через аналоговый измерительный сигнал.
Показать всё Скрыть всё
  • Система
    Измеряемые величиныСкорость воздуха
    Принцип измеренияУльтразвуковой (измерение разности времен прохождения ультразвуковых импульсов по потоку и против потока газа)
    Измеряемая средаВоздух (атмосферные условия)
    Диапазоны измерения
    Скорость воздуха–10 ... 10 m/s
    Динамический диапазон1 : 200
    Погрешность измерений
    При 0,1...0,5 м/с± 0,1 m/s
    При 0,5...10 м/с± 2 %
    Температура окружающей среды
    –40 °C ... +60 °C
    Температура хранения–40 °C ... +70 °C
    Влажность окружающей среды≤ 95 %Относительная влажность, без образования конденсата
    Допуск по взрывобезопасности
    IECEx

    Ex ia [ia] I Ma

    Ex ia [ia] IIA T4 Ga

    ЭлектробезопасностьCE, IECEx
    Класс защиты
    IP66 / IP67
    Аналоговые выходы1 Выходы:4 ... 20 mA, 250 ΩПассивно, с гальванической развязкой
    Цифровые выходы1 Выход NAMUR:Пассивно, с гальванической развязкой, по NAMUR (DIN EN 60947-5-6), fmax = 6 кГц (с масштабированием)
    Modbus
    Тип интеграции в шину

    ASCII RS-485

    RTU RS-485

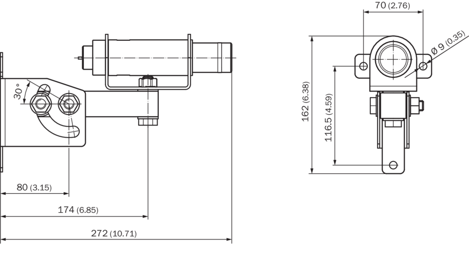
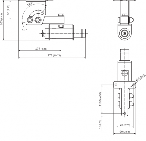
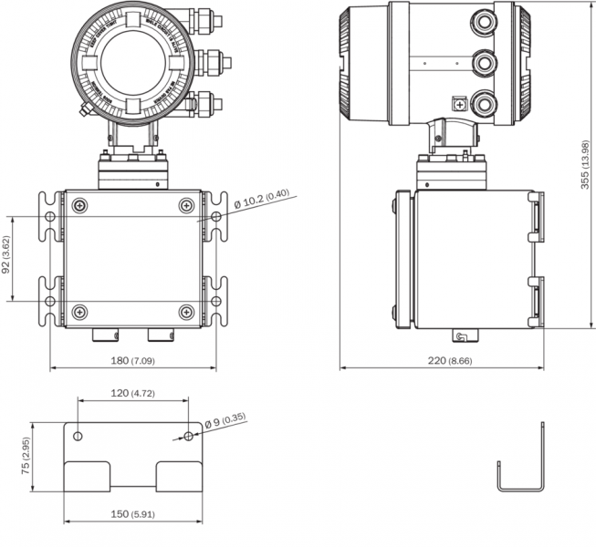
    Размеры (Ш x В x Г)Детали см. на размерных чертежах
    Вес

    Приемопередающий блок: 4 kg

    Устройство управления SPU: 6 kg

    Монтаж

    Универсальное крепление на стенах и потолке

    Монтажные материалы входят в комплект поставки

    Длина кабеля для датчика: 15 м

    Электрическое подключение
    Напряжение13,5 ... 24 V DC
    Искробезопасное питание
    Потребляемая мощность≤ 1 W
Показать всё Скрыть всё

Технические чертежи

приемопередатчик, потолочный монтаж приемопередатчик, настенный монтаж Устройство управления SPU схема маршрутов допустимый угол установки Вид: Галерея Список Показать всё Скрыть всё
Показать всё Скрыть всё