Показать всё Скрыть всё
- Характеристики
| Способ измерения | Ультразвук |
| Среда | Проводящие и непроводящие жидкости |
| Номинальный диаметр измерительной трубы | DN 15 |
| Рабочая температура | 0 °C ... +95 °C, до 143 °C на 60 минут |
| Рабочее давление | –0,5 bar ... 16 bar |
| Интерфейс связи | IO-Link |
| Сертификат EHEDG | ✔ |
| Сертификат RoHS | ✔ |
| FDA | ✔ |
| Измерение температуры | ✔ |
- Производительность
| Минимальный расход | ≥ 0,5 l/min |
| Максимальный расход | ≤ 80 l/min |
| Подводящая линия | 5 x DN (7,5 см) |
| Отводящая линия | 3 x DN (4,5 см) |
| Электропроводимость | Без ограничений |
| Точность измерительного элемента | ± 1 % (от измеренного значения) 1) |
| Воспроизводимость | 0,5 % |
| Разрешение | 10 ml/min |
| Оценка | < 200 ms |
- Электрика
| Напряжение питания | 12 V DC ... 30 V DC 1) |
| Потребляемая мощность | < 3 W без выходной нагрузки |
| Время инициализации | ≤ 5 s |
| Класс защиты | III |
| Тип подключения | Круглый штекерный соединитель M12 x 1, 5-контактный |
| Выходной сигнал | 1 x аналоговый выход: 4–20 мА, 2 x цифровой выход/вход (конфигурируемый) 2) 3) |
| Выходная нагрузка | 4 mA ... 20 mA, 500 Ом при Uv 15 ≥ В, 350 Ом при Uv 12 ≥ В |
| Нижний уровень сигнала | 3,5 mA ... 3,8 mA |
| Верхний уровень сигнала | 21,5 mA ... 20,5 mA |
| Цифровой выход | ≤ 100 mA |
| Импульсный выходной сигнал | 50 µs ... 2 s |
| Импульсный выход / Частотный выход | 0–10 кГц |
| Сигнальное напряжение HIGH | > (Ув - 4 В) |
| Сигнальное напряжение LOW | < 3 V |
| Индуктивная нагрузка | < 1 H |
| Емкостная нагрузка | < 100 nF < 2,5 nF, IO-Link |
| ЭМС | EN 61326-1, EN 61326-2-3 |
| Граница переключающих входов | Напряжение HIGH > 16,0 В, Напряжение LOW < 4,0 В |
| Средняя наработка до отказа | > 63 лет |
- Механика
| Технические подключения | G ¾ |
| Материалы, соприкасающиеся со средой | Нержавеющая сталь 1.4404 (Ra ≤ 0,8 мкм) |
| Материал корпуса | Нержавеющая сталь 1.4305 |
| Конструкция корпуса | Со смотровым стеклом из PMMA (акриловое стекло) |
| Тип защиты | IP67/IP69 (DIN EN 60529) |
| Вес | Ок. 2 kg |
- Данные окружающей среды
| Диапазон температур при работе | 0 °C ... +60 °C |
| Диапазон температур при хранении | –40 °C ... +80 °C |
- Классификации
| ECl@ss 5.0 | 27371815 |
| ECl@ss 5.1.4 | 27371815 |
| ECl@ss 6.0 | 27371815 |
| ECl@ss 6.2 | 27371815 |
| ECl@ss 7.0 | 27371815 |
| ECl@ss 8.0 | 27371815 |
| ECl@ss 8.1 | 27371815 |
| ECl@ss 9.0 | 27371815 |
| ETIM 5.0 | EC002580 |
| ETIM 6.0 | EC002580 |
| UNSPSC 16.0901 | 41112501 |
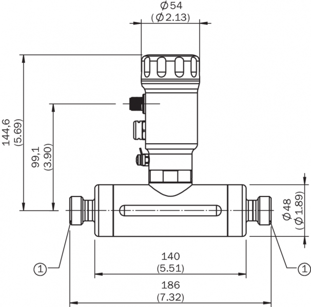
Показать всё Скрыть всё Технические чертежи
габаритный чертеж: технологическое соединение
Тип подключения
Вид: Галерея Список Показать всё Скрыть всё Показать всё Скрыть всё