0
ETI    SIEMENS    ABB    WIKA    IFM    ELKO EP    HYUNDAI    VEGA    KSR KUEBLER    Johnson Controls    Siemens IA/DT (CA01)    Bosch Rexroth    Alfa Laval    SICK    Others  

FUM-H015F1NC80000

Код: 1082026
Связатся с нами: 067 285 7770

В корзину

Показать всё Скрыть всё

  • Характеристики
    Способ измеренияУльтразвук
    СредаПроводящие и непроводящие жидкости
    Номинальный диаметр измерительной трубыDN 15
    Рабочая температура0 °C ... +95 °C, до 143 °C на 60 минут
    Рабочее давление–0,5 bar ... 16 bar
    Интерфейс связиIO-Link
    Сертификат EHEDG
    Сертификат RoHS
    FDA
    Измерение температуры
  • Производительность
    Минимальный расход≥ 0,5 l/min
    Максимальный расход≤ 80 l/min
    Подводящая линия5 x DN (7,5 см)
    Отводящая линия3 x DN (4,5 см)
    ЭлектропроводимостьБез ограничений
    Точность измерительного элемента± 1 % (от измеренного значения) 1)
    Воспроизводимость0,5 %
    Разрешение10 ml/min
    Оценка< 200 ms
    • 1) При следующих эталонных условиях: вода 26 °C ± 2 K, 2,5 бар ± 0,5 бар, стандартные настройки, DN15: 8–80 л/мин, DN25: 25–250 л/мин.
  • Электрика
    Напряжение питания12 V DC ... 30 V DC 1)
    Потребляемая мощность< 3 W без выходной нагрузки
    Время инициализации≤ 5 s
    Класс защитыIII
    Тип подключенияКруглый штекерный соединитель M12 x 1, 8-контактный
    Выходной сигнал2 x аналоговый выход: 4–20 мА, 2 x цифровой выход/вход (конфигурируемый) 2) 3)
    Выходная нагрузка4 mA ... 20 mA, 500 Ом при Uv 15 ≥ В, 350 Ом при Uv 12 ≥ В
    Нижний уровень сигнала3,5 mA ... 3,8 mA
    Верхний уровень сигнала21,5 mA ... 20,5 mA
    Цифровой выход≤ 100 mA
    Импульсный выходной сигнал50 µs ... 2 s
    Импульсный выход / Частотный выход0–10 кГц
    Сигнальное напряжение HIGH> (Ув - 4 В)
    Сигнальное напряжение LOW< 3 V
    Индуктивная нагрузка< 1 H
    Емкостная нагрузка

    < 100 nF

    < 2,5 nF, IO-Link

    ЭМСEN 61326-1, EN 61326-2-3
    Граница переключающих входовНапряжение HIGH > 16,0 В, Напряжение LOW < 4,0 В
    Средняя наработка до отказа> 63 лет
    • 1) Все соединения с защитой от переполюсовки. QA и QB с защитой от короткого замыкания. Q1 и Q2 с защитой от короткого замыкания.
    • 2) Конфигурация цифрового выхода: PNP/NPN/Push-Pull/open collector.
    • 3) Аналоговый выход, селективный: расход / температура.
  • Механика
    Технические подключения¾" NPT
    Материалы, соприкасающиеся со средойНержавеющая сталь 1.4404 (Ra ≤ 0,8 мкм)
    Материал корпусаНержавеющая сталь 1.4305
    Конструкция корпусаСо смотровым стеклом из PMMA (акриловое стекло)
    Тип защитыIP67/IP69 (DIN EN 60529)
    Вес2 kg
  • Данные окружающей среды
    Диапазон температур при работе0 °C ... +60 °C
    Диапазон температур при хранении–40 °C ... +80 °C
  • Классификации
    ECl@ss 5.027371815
    ECl@ss 5.1.427371815
    ECl@ss 6.027371815
    ECl@ss 6.227371815
    ECl@ss 7.027371815
    ECl@ss 8.027371815
    ECl@ss 8.127371815
    ECl@ss 9.027371815
    ETIM 5.0EC002580
    ETIM 6.0EC002580
    UNSPSC 16.090141112501
Показать всё Скрыть всё

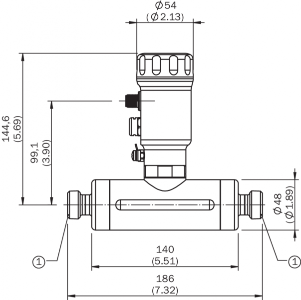
Технические чертежи

габаритный чертеж: технологическое соединение Тип подключения Вид: Галерея Список Показать всё Скрыть всё
Показать всё Скрыть всё