0
ETI    SIEMENS    ABB    WIKA    IFM    ELKO EP    HYUNDAI    VEGA    KSR KUEBLER    Johnson Controls    Siemens IA/DT (CA01)    Bosch Rexroth    Alfa Laval    SICK    Others  

FX0-GPNT00000

Код: 1044074
Связатся с нами: 067 285 7770

В корзину

Показать всё Скрыть всё

  • Характеристики
    МодульШлюз
    Полевая шина, промышленная шинаPROFINET
    Тип конфигурацииЧерез программное обеспечение
  • Интерфейсы
    Полевая шина, промышленная шинаPROFINET
    Встроенный Ethernet-коммутаторУправляемый коммутатор 2-го уровня с 3 портами с Auto-MDI-X для автоматического распознавания скрещенных кабелей Ethernet
    Скорость передачи данных

    10 Mbit/s, 10Base-T

    100 Mbit/s, 100Base-T

    autosensing

    Тип подключения2 розетки, RJ-45
  • Электрические данные
    Класс защитыIII (EN 61140)
    Напряжение питанияЧерез FLEXBUS+
    Внутр. потребляемая мощность≤ 2,4 W 1)
    • 1) Через FLEXBUS+.
  • Механические данные
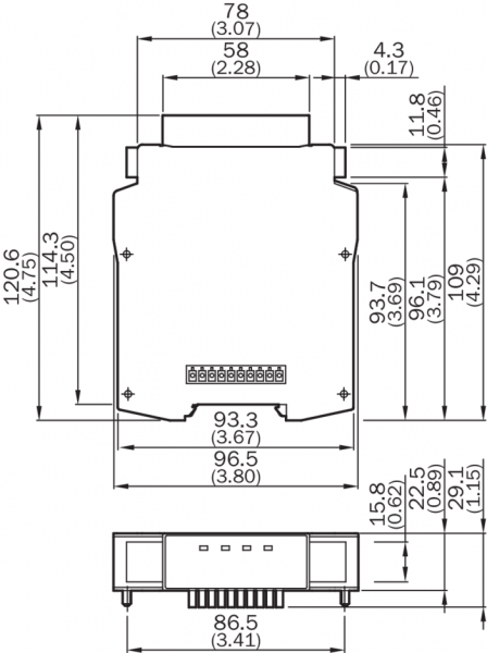
    Размеры (Ш x В x Г)22,5 mm x 96,5 mm x 120,6 mm
    Вес125 g (± 10 %)
  • Данные окружающей среды
    Тип защитыIP20 (EN 60529)
    Диапазон рабочих температур–25 °C ... +55 °C
    Температура хранения–25 °C ... +70 °C
    Влажность воздуха10 % ... 95 %, без образования конденсата
  • Классификации
    ECl@ss 5.027242290
    ECl@ss 5.1.427249090
    ECl@ss 6.027249090
    ECl@ss 6.227249090
    ECl@ss 7.027249090
    ECl@ss 8.027249090
    ECl@ss 8.127249090
    ECl@ss 9.027249090
    ETIM 5.0EC002632
    ETIM 6.0EC002632
    UNSPSC 16.090132151705
Показать всё Скрыть всё

Технические чертежи

Схема соединений Габаритный чертеж FX0-GENT, FX0-GMOD, FX0-GPNT Вид: Галерея Список Показать всё Скрыть всё
Показать всё Скрыть всё