0
ETI    SIEMENS    ABB    WIKA    IFM    ELKO EP    HYUNDAI    VEGA    KSR KUEBLER    Johnson Controls    Siemens IA/DT (CA01)    Bosch Rexroth    Alfa Laval    SICK    Others  

FX3-CPU130002

Код: 1043784
Связатся с нами: 067 285 7770

В корзину

Показать всё Скрыть всё

  • Характеристики
    МодульГлавный модуль
    Тип конфигурацииЧерез программное обеспечение
    ПримечаниеСистемный разъем заказывается отдельно! Подробная информация указана в разделе «Принадлежности».
  • Параметры техники безопасности
    Класс надежности

    SIL3 (IEC 61508)

    SILCL3 (EN 62061)

    КатегорияКатегория 4 (EN ISO 13849)
    Уровень производительностиPL e (EN ISO 13849)
    PFHd (средняя вероятность опасного отказа в час)1,69 x 10-9 (EN ISO 13849)
    TM (заданная продолжительность работы)20 лет (EN ISO 13849)
  • Функции
    Безопасная связь между устройствами SICK посредством EFI/SDL
    Надежное объединение в сеть
    Flexi Link
  • Интерфейсы
    Системное подключениеСистемный разъем 1)
    Количество интерфейсов EFI2
    Тип подключенияПружинные зажимы
    Конфигурационный и диагностический интерфейсRS-232 (розетка M8, 4-контактная)
    • 1) Системный разъем заказывается отдельно! Подробная информация указана в разделе «Принадлежности».
  • Электрические данные
    Класс защитыIII (EN 61140)
    Тип источника питанияPELV или SELV 1)
    Напряжение питания UV24 V DC (16,8 V DC ... 30 V DC)
    Внутр. потребляемая мощность≤ 2,5 W
    Категория перенапряженияII (EN 61131-2)
    Задержка включения≤ 18 s
    • 1) Ток блока питания главного модуля должен быть ограничен извне значением макс. 4 A. Либо при помощи самого блока питания, либо через предохранитель.
  • Механические данные
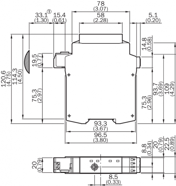
    Размеры (Ш x В x Г)22,5 mm x 96,5 mm x 120,6 mm
    Вес119 g (± 5 %)
  • Данные окружающей среды
    Тип защитыIP20 (EN 60529)
    Диапазон рабочих температур–25 °C ... +55 °C
    Температура хранения–25 °C ... +70 °C
    Влажность воздуха10 % ... 95 %, без образования конденсата
  • Классификации
    ECl@ss 5.027242290
    ECl@ss 5.1.427249090
    ECl@ss 6.027249090
    ECl@ss 6.227249090
    ECl@ss 7.027249090
    ECl@ss 8.027249090
    ECl@ss 8.127249090
    ECl@ss 9.027249090
    ETIM 5.0EC002632
    ETIM 6.0EC002632
    UNSPSC 16.090132151705
Показать всё Скрыть всё

Технические чертежи

Схема соединений Габаритный чертеж FX3-CPU1, FX3-CPU2 Вид: Галерея Список Показать всё Скрыть всё
Показать всё Скрыть всё