0
ETI    SIEMENS    ABB    WIKA    IFM    ELKO EP    HYUNDAI    VEGA    KSR KUEBLER    Johnson Controls    Siemens IA/DT (CA01)    Bosch Rexroth    Alfa Laval    SICK    Others  

FX3-MOC000000

Код: 1062344
Связатся с нами: 067 285 7770

В корзину

Показать всё Скрыть всё

  • Характеристики
    МодульМодуль Motion Control
    Тип конфигурацииЧерез программное обеспечение
  • Параметры техники безопасности - Для осей с двумя энкодерами (любая комбинация синуса-косинуса, TTL, HTL 24 В, HTL 12 В, RS-422, SSI)
    Класс надежности

    SIL3 (IEC 61508)

    SILCL3 (EN 62061)

    КатегорияКатегория 4 (EN ISO 13849)
    Уровень производительностиPL e (EN ISO 13849)
    PFHd (средняя вероятность опасного отказа в час)5,0 * 10-9
    Минимальное перемещение для распознавания ошибок (неисправностей)Равно или больше выбранного предельного допуска используемого функционального блока для перекрестного сравнения, например перекрестного сравнения скоростей, не менее одного раза за 24 ч
    TM (заданная продолжительность работы)20 лет (EN ISO 13849)
  • Параметры техники безопасности - Для осей с шифратором Sinus-Cosinus и активированным контролем аналогового напряжения Sin/Cos
    Класс надежности

    SIL2 (IEC 61508)

    SILCL2 (EN 62061)

    КатегорияКатегория 3 (EN ISO 13849)
    Уровень производительностиPL d (EN ISO 13849)
    PFHd (средняя вероятность опасного отказа в час)6,0 * 10-9
    Минимальное перемещение для распознавания ошибок (неисправностей)Равно или больше 1 периода Sin/Cos, не менее одного раза за 24 ч
    TM (заданная продолжительность работы)20 лет (EN ISO 13849)
  • Функции
    Функции безопасности приводов

    Безопасный останов 1 (SS1)

    Безопасный останов 2 (SS2)

    Безопасный рабочий останов (SOS)

    Безопасный контроль скорости (SSM)

    Безопасное снижение скорости (SLS)

    Безопасное направление перемещения (SDI)

    Безопасная активация тормоза (SBC)

  • Интерфейсы
    Интерфейс энкодера

    A/B-инкрементальный энкодер, TTL

    Инкрементальный энкодер А/В, HTL, 12 В или 24 В

    A/B-инкрементальный энкодер, RS-422

    Энкодер Sin/Cos

    Шифратор SSI (мастер / приемник)

    Тип подключенияРазъем, Micro D-Sub, 15-конт.
    Интерфейс передачи данныхВнутренняя шина (FLEXBUS+)
  • Электрические данные
    Класс защитыIII (EN 61140)
    Напряжение питанияЧерез FLEXBUS+
    Внутр. потребляемая мощность≤ 2,5 W 1)
    A/B-инкрементальный датчик, TTL, 2 выхода
    Дифференциальное входное напряжение HIGH5 V (2 V ... 5,3 V) 2)
    Дифференциальное входное напряжение LOW0 V (–0,3 V ... 0,8 V) 2)
    Входное напряжение–5 V ... 10 V 3)
    Входная частота≤ 300 kHz
    Входное сопротивление≥ 35 kΩ
    A/B-инкрементальный датчик, TTL, 2 пары выходов
    Дифференциальное входное напряжение HIGH5 V (1,2 V ... 5,6 V) 2)
    Дифференциальное входное напряжение LOW–5 V (–5,6 V ... –1,2 V) 2)
    Входное напряжение–5 V ... 10 V 3)
    Входная частота≤ 300 kHz
    Входное сопротивление≥ 35 kΩ
    A/B-инкрементальный энкодер, MTL 12 В, 2 выхода
    Дифференциальное входное напряжение HIGH12 V (6,5 V ... 15 V) 2)
    Дифференциальное входное напряжение LOW0 V (–1 V ... 2,5 V) 2)
    Входное напряжение–5 V ... 20 V 3)
    Входная частота≤ 300 kHz
    Входное сопротивление≥ 35 kΩ
    A/B-инкрементальный энкодер, MTL 12 В, 2 пары выходов
    Дифференциальное входное напряжение HIGH12 V (4 V ... 15 V) 2)
    Дифференциальное входное напряжение LOW–12 V (–15 V ... –4 V) 2)
    Входное напряжение–5 V ... 20 V 3)
    Входная частота≤ 300 kHz
    Входное сопротивление≥ 35 kΩ
    A/B-инкрементальный датчик, HTL 24 В, 2 выхода
    Дифференциальное входное напряжение HIGH24 V (13 V ... 30 V) 2)
    Дифференциальное входное напряжение LOW0 V (–3 V ... 5 V) 2)
    Входное напряжение–10 V ... 40 V 3)
    Входная частота≤ 300 kHz
    Входное сопротивление≥ 35 kΩ
    A/B-инкрементальный датчик, HTL 24 В, 2 пары выходов
    Дифференциальное входное напряжение HIGH24 V (8 V ... 30 V) 2)
    Дифференциальное входное напряжение LOW–24 V (–30 V ... –8 V) 2)
    Входное напряжение–10 V ... 40 V 3)
    Входная частота≤ 300 kHz
    Входное сопротивление≥ 35 kΩ
    A/B-инкрементальный энкодер, RS-422
    Дифференциальное входное напряжение HIGH0,2 V ... 5 V 2)
    Дифференциальное входное напряжение LOW–5 V ... –0,2 V 2)
    Входное напряжение–7 V ... 7 V 3)
    Входная частота≤ 1.000 kHz
    Входное сопротивление≥ 35 kΩ
    Дифференциальное сопротивление120 Ω (100 Ω ... 150 Ω)
    Энкодер Sin/Cos
    Дифференциальное входное напряжение1 V (0,8 V ... 1,2 V) 4)
    Входное напряжение0 V ... 5 V 3)
    Входная частота≤ 120 kHz
    Входное сопротивление1 kΩ (0,9 kΩ ... 1,1 kΩ)
    Контроль напряжения, нижний предел для контроля длины вектора0,5 V
    Контроль напряжения, верхний предел для контроля длины вектора1,5 V
    Шифратор SSI (мастер / приемник)
    Дифференциальное сопротивление120 Ω (100 Ω ... 150 Ω)
    Тактовая частота100 kHz ... 1.000 kHz
    Тактовый разрыв между пакетами данных (время ждущего мультивибратора)≥ 100 µs
    Бит данных на фрейм16 ... 62
    • 1) Через FLEXBUS+, без токов на аналоговых выходах.
    • 2) Напряжение между ENCx_y+ и ENCx_y–.
    • 3) Напряжение между ENCx_y+ и ENC_0V, а также между ENCx_y– и ENC_0V.
    • 4) Двойная амплитуда напряжения между ENCx_y+ и ENCx_y–.
  • Механические данные
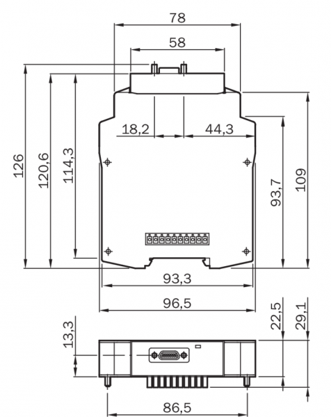
    Размеры (Ш x В x Г)22,5 mm x 96,5 mm x 126 mm
    Вес120 g
  • Данные окружающей среды
    Тип защитыIP20 (EN 60529)
    Диапазон рабочих температур–25 °C ... +55 °C
    Температура хранения–25 °C ... +70 °C
    Влажность воздуха10 % ... 95 %, без образования конденсата
  • Классификации
    ECl@ss 5.027242290
    ECl@ss 5.1.427249090
    ECl@ss 6.027249090
    ECl@ss 6.227249090
    ECl@ss 7.027249090
    ECl@ss 8.027249090
    ECl@ss 8.127249090
    ECl@ss 9.027249090
    ETIM 5.0EC002632
    ETIM 6.0EC002632
    UNSPSC 16.090132151705
Показать всё Скрыть всё

Технические чертежи

Габаритный чертеж FX3-MOC0, FX3-MOC1 Схема контактов FX3-MOC0, FX3-MOC1 Вид: Галерея Список Показать всё Скрыть всё
Показать всё Скрыть всё