0
ETI    SIEMENS    ABB    WIKA    IFM    ELKO EP    HYUNDAI    VEGA    KSR KUEBLER    Johnson Controls    Siemens IA/DT (CA01)    Bosch Rexroth    Alfa Laval    SICK    Others  

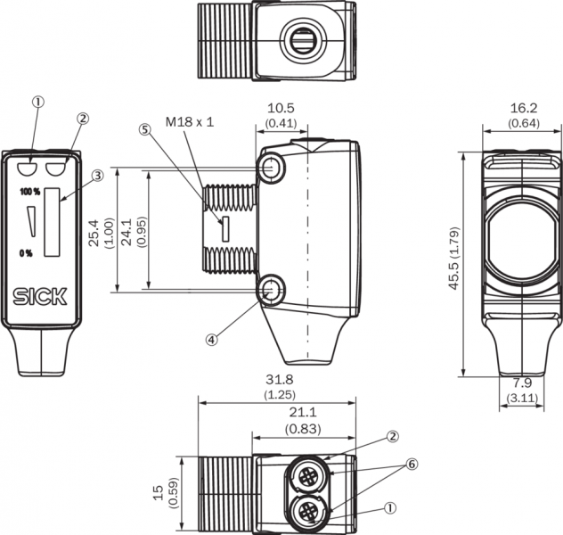
HL18-P1G3BA

Код: 1071757
Связатся с нами: 067 285 7770

В корзину

Показать всё Скрыть всё

  • Характеристики
    Принцип датчика/ обнаруженияДатчик с отражением от рефлектора, Двойная линза
    Размеры (Ш x В x Г)16,2 mm x 45,5 mm x 31,8 mm
    Форма корпуса (выход света)Гибридный
    Диаметр резьбы (корпус)M18
    Дистанция работы, макс.0,03 m ... 6,5 m 1)
    Расстояние срабатывания0,03 m ... 5 m 1)
    Вид излученияВидимый красный свет
    Источник светаСветодиод PinPoint 2)
    Размеры светового пятна (расстояние)130 mm x 260 mm (6,5 m)
    Длина волны631 nm
    НастройкаОтсутствует
    Особые свойстваИндикация силы сигнала
    • 1) Отражатель PL80A.
    • 2) Средний срок службы: 100 000 ч при TU = +25 °C.
  • Механика/электроника
    Напряжение питания10 V DC ... 30 V DC 1)
    Остаточная пульсация< 5 Vss 2)
    Потребление тока≤ 20 mA 3)
    Переключающий выходPNP 4)
    Функция выходного сигналаКомплементарный
    Тип переключенияСВЕТЛО/ТЕМНО 4)
    Выходной ток Iмакс.≤ 100 mA
    Оценка≤ 0,5 ms 5)
    Частота переключения1.000 Hz 6)
    Тип подключенияКабель, 4-жильный, 2 m 7)
    Материал кабеляPVC
    Схемы защиты

    A 8)

    B 9)

    D 10)

    Класс защитыIII
    Вес18 g
    Поляризационный фильтр
    Материал корпусаПластик, VISTAL®
    Материал, оптикаПластик, PMMA
    Тип защиты

    IP67

    IP69K

    ЭМСEN 60947-5-2 11)
    Диапазон температур при работе–40 °C ... +70 °C
    Диапазон температур при хранении–40 °C ... +75 °C
    № файла ULE189383
    • 1) Предельные значения при работе в защищенной от короткого замыкания сети макс. 8 А.
    • 2) Не допускается превышение или занижение допуска Uv.
    • 3) Без индикации силы сигнала и нагрузки.
    • 4) Q1 = активация при наличии отраженного света, Q2 = активация при отсутствии отраженного света.
    • 5) Продолжительность сигнала при омической нагрузке.
    • 6) При соотношении светло/темно 1:1.
    • 7) Запрещается деформировать кабель ниже 0 °C.
    • 8) А = подключения UV с защитой от переполюсовки.
    • 9) B = входы и выходы с защитой от инверсии полярности.
    • 10) D = выходы с защитой от короткого замыкания.
    • 11) Датчик соответствуют требованиям защиты от излучаемых помех (ЭМС) для промышленной зоны (класс помехозащищенности A). При использовании в жилой зоне прибор может стать источником радиопомех.
  • Классификации
    ECl@ss 5.027270902
    ECl@ss 5.1.427270902
    ECl@ss 6.027270902
    ECl@ss 6.227270902
    ECl@ss 7.027270902
    ECl@ss 8.027270902
    ECl@ss 8.127270902
    ECl@ss 9.027270902
    ETIM 5.0EC002717
    ETIM 6.0EC002717
    UNSPSC 16.090139121528
Показать всё Скрыть всё

Технические чертежи

Схема соединений cd-297 Характеристика Размер светового пятна Диаграмма расстояний срабатывания Функции Габаритный чертеж H18, DC, кабель Вид: Галерея Список Показать всё Скрыть всё
Показать всё Скрыть всё