0
ETI    SIEMENS    ABB    WIKA    IFM    ELKO EP    HYUNDAI    VEGA    KSR KUEBLER    Johnson Controls    Siemens IA/DT (CA01)    Bosch Rexroth    Alfa Laval    SICK    Others  

ICR620S-T11504 Professional

Код: 1054375
Связатся с нами: 067 285 7770

В корзину

Показать всё Скрыть всё

  • Характеристики
    ФокусПрограммируемый автофокус
    ДатчикДатчик с КМОП-матрицей, оттенки серого
    Разрешение датчика752 px x 480 px (WVGA)
    Внутренняя подсветкаКрасный, синий
    Источник светаСветодиоды подсветки: видимый красный свет (λ = 617 ± 15 нм), видимый синий свет (λ = 470 ± 15 нм)Светодиод обратной связи: видимый зеленый свет (λ = 525 ± 15 нм)Лазерный целеуказатель: видимый красный свет (λ = 630–680 нм)
    Средняя наработка на отказ75.000 h
    Класс светодиода1 (IEC 62471:2006-07, EN 62471:2008-09)
    Класс лазера1, соответствует 21 CFR 1040.10, за исключением различий согласно «Laser Notice № 50» от 24 июня 2007 г. (IEC 60825-1:2014, EN 60825-1:2014)
    Частота сканирования60 Hz, Разрешение WVGA
    Разрешение кода≥ 0,1 mm 1)
    Расстояние считывания40 mm ... 1.500 mm 1) 2)
    ОбъективИнтегрированный
    Фокусное расстояние7 mm
    • 1) Действительно для кодов типов Data-Matrix, PDF417 и 1D при высоком качестве печати.
    • 2) Подробности на диаграмме зоны считывания.
  • Производительность
    Читаемые структуры кодов1D, 2D, Stacked
    Виды штрихкодаGS1-128 / EAN 128, UPC / GTIN / EAN, 2/5 Interleaved, Pharmacode, GS1 DataBar, Code 39, Code 128, Codabar, Code 32, Code 93
    Виды 2D-кодовData-Matrix ECC200, GS1 Data-Matrix, PDF417, PDF417 Truncated, QR-код
    Квалификация кодаСогласно ISO/IEC 16022, ISO/IEC 15415, ISO/IEC 15416, ISO/IEC 18004
    Количество кодов на считывающий проход1 ... 50
    Количество символов на считывающий проход500 (с функцией CAN-мультиплексер)
    Внутренняя память изображений135 MB
    Скорость транспортировки4 m/s
  • Интерфейсы
    Ethernet✔ , TCP/IP
    ФункцияHost, AUX, OPC DA Server, FTP (передача изображений)
    Скорость передачи данных10/100 Мбит/с
    PROFINET
    ФункцияPROFINET Single Port, PROFINET Dual Port (опционально через внешний модуль промышленной сети CDF600-2)
    Скорость передачи данных10/100 Мбит/с
    EtherNet/IP™
    Скорость передачи данных10/100 Мбит/с
    EtherCAT®
    Тип интеграции в шинуВ качестве опции через внешний модуль промышленной сети CDF600
    Последовательный✔ , RS-232, RS-422
    ФункцияHost, AUX
    Скорость передачи данных0,3 kBaud ... 115,2 kBaud, AUX: 57,6 кбод (RS-232)
    CAN
    ФункцияСеть датчиков SICK CSN на базе CAN (мастер/слейв, мультиплексер/сервер)
    Скорость передачи данных20 kbit/s ... 1 Mbit/s
    CANopen
    Скорость передачи данных20 kbit/s ... 1 Mbit/s
    PROFIBUS DP
    Тип интеграции в шинуВ качестве опции через внешний модуль промышленной сети CDF600-2
    USB
    ПримечаниеUSB 2.0
    Переключающие входы4 («Датчик 1», «Датчик 2», 2 входа через опциональный накопитель параметров CMC600 в CDB620/CDM420)
    Переключающие выходы4 («Результат 1», «Результат 2», 2 выхода через CMC и CDB620/CDM420 или «Результат 1», «Результат 2», «Результат 3», «Результат 4» при использовании 17-жильного кабеля со свободным концом)
    Тактирование сигналов считыванияПереключающие входы, свободно, Последовательный интерфейс, Ethernet, CAN, Автотактирование, Режим «Презентация»
    Оптическая индикация16 LEDs (5 индикаторов состояния, 10 светодиодных шкальных индикаторов, 1 зеленый светодиод обратной связи)
    Акустическая индикацияБипер/зуммер (отключаемый, с возможностью функции получения результата)
    Элементы управления2 клавиши (выбор и запуск / отключение функций)
    Конфигурационное ПОSOPAS ET
    Карта памятиКарта памяти MicroSD (Flash-Card), макс. 32 ГБ, опция
    Сохранение и вызов данныхСохранение изображений и других данных на карту памяти MicroSD и внешнее FTP-хранилище
    Максимальная частота энкодера300 Hz
    Управление внешней подсветкойЧерез цифровой выход (триггер макс. 24 В)
  • Механика/электроника
    Электрическое подключение

    1 x M12, 17-контактный штекер

    1 x M12, 4-контактный гнездовой разъем Ethernet

    Круглый штекерный соединитель

    Рабочее напряжение10 V DC ... 30 V DC
    Потребляемая мощностьTyp. 3 W
    Выходной ток≤ 100 mA
    КорпусАлюминиевое литье
    Цвет корпусаСветло-голубой (RAL 5012)
    Тип защитыIP67 (EN 60529 (1991-10), EN 60529/A2 (2002-02))
    Класс защитыIII
    ЭлектробезопасностьEN 60950-1 (2006-04) / EN 60950-1/A11 (2009-03)
    Вес170 g
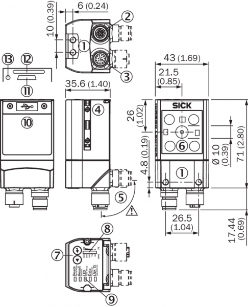
    Размеры (Д x Ш x В)71 mm x 43 mm x 35,6 mm 1)
    • 1) Поворотный блок подключения выступает на 17,8 мм.
  • Данные окружающей среды
    Электромагнитная совместимость (ЭМС)EN 61000-6-2 (2006-03) / EN 61000-6-2 (2009-05)
    ВиброустойчивостьEN 60068-2-6:2008-02
    УдаропрочностьEN 60068-2-27:2009-05
    Диапазон рабочих температур0 °C ... +50 °C
    Температура хранения–20 °C ... +70 °C
    Допустимая относительная влажность воздуха90 %, без образования конденсата
    Нечувствительность ко внешним источникам света2.000 lx, на код
  • Классификации
    ECl@ss 5.027280103
    ECl@ss 5.1.427280103
    ECl@ss 6.027280103
    ECl@ss 6.227280103
    ECl@ss 7.027280103
    ECl@ss 8.027280103
    ECl@ss 8.127280103
    ECl@ss 9.027280103
    ETIM 5.0EC002550
    ETIM 6.0EC002550
    UNSPSC 16.090143211701
Показать всё Скрыть всё

Технические чертежи

Габаритный чертеж Lector62x Professional Диаграмма поля считывания Зона обзора Вид: Галерея Список Показать всё Скрыть всё
Показать всё Скрыть всё