0
ETI    SIEMENS    ABB    WIKA    IFM    ELKO EP    HYUNDAI    VEGA    KSR KUEBLER    Johnson Controls    Siemens IA/DT (CA01)    Bosch Rexroth    Alfa Laval    SICK    Others  

IMB30-15BNSVC0S

Код: 1072836
Связатся с нами: 067 285 7770

В корзину

Показать всё Скрыть всё

  • Характеристики
    Тип корпусаЦилиндрический с резьбой
    Конструкция корпусаСтандарт
    Размер резьбыM30 1,5
    ДиаметрØ 30 mm
    Расстояние срабатывания Sn15 mm
    Расстояние срабатывания обеспечено Sa12,15 mm
    МонтажВровень
    Частота переключения500 Hz
    Тип подключенияРазъем M12, 4-конт. 1)
    Переключающий выходNPN
    Функция выходаНормально открытый
    Электрическое исполнениеПост. ток, 3-проводный
    Тип защиты

    IP68 2)

    IP69K 3)

    Особые свойстваУстойчивость к воздействию охлаждающих и смазочных материалов, визуальная сигнализация при настройке
    • 1) С позолоченными контактами.
    • 2) Согласно EN 60529.
    • 3) Согласно ISO 20653:2013-03.
  • Механика/электроника
    Напряжение питания10 V DC ... 30 V DC
    Остаточная пульсация≤ 10 %
    Падение напряжения≤ 2 V 1)
    Потребление тока≤ 10 mA 2)
    Гистерезис3 % ... 20 %
    Воспроизводимость≤ 2 % 3) 4)
    Отклонение температуры (от Sr)± 10 %
    ЭМССогласно EN 60947-5-2
    Постоянный ток Ia≤ 200 mA
    Защита от короткого замыкания
    Защита от инверсии полярности
    Подавление импульса включения
    Ударопрочность и виброустойчивость100 г/5 мс/500 циклов, 150 г/1 млн циклов, 10...55 Гц, 1 мм/55...500 Гц/60 г
    Диапазон температур при работе–40 °C ... +100 °C
    Материал корпусаНержавеющая сталь, V2A (1.4305)
    Материал, активная поверхностьПластик, LCP
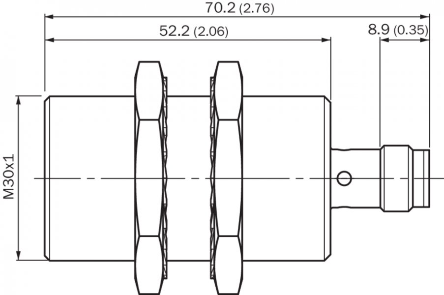
    Длина корпуса70 mm
    Полезная длина резьбы52 mm
    Макс. момент затяжкиTyp. 100 Nm 5)
    Класс защитыII 6)
    № файла ULE181493
    • 1) При Ia max.
    • 2) Без нагрузки.
    • 3) Ub и Ta постоянны.
    • 4) От Sr.
    • 5) При применении зубчатой стороны гайки.
    • 6) Расчетное напряжение постоянного тока 50 В.
  • Коэффициенты редукции
    ПримечаниеЗначения являются ориентировочными и могут изменяться
    Нержавеющая сталь (V2A)Ок. 0,62
    Алюминий (Al)Ок. 0,26
    Медь (Cu)Ок. 0,17
    Латунь (Ms)Ок. 0,27
  • Указания по установке
    ПримечаниеСоответствующие графические материалы см. в разд. «Указания по установке»
    B40 mm
    C30 mm
    D45 mm
    F120 mm
  • Классификации
    ECl@ss 5.027270101
    ECl@ss 5.1.427270101
    ECl@ss 6.027270101
    ECl@ss 6.227270101
    ECl@ss 7.027270101
    ECl@ss 8.027270101
    ECl@ss 8.127270101
    ECl@ss 9.027270101
    ETIM 5.0EC002714
    ETIM 6.0EC002714
    UNSPSC 16.090139122230
Показать всё Скрыть всё

Технические чертежи

Указания по установке Монтаж заподлицо Сигнализация при настройке Схема соединений cd-007 кривая срабатывания Габаритный чертеж IMB30 стандарт, штекер M12, вровень с плоскостью Вид: Галерея Список Показать всё Скрыть всё
Показать всё Скрыть всё