0
ETI    SIEMENS    ABB    WIKA    IFM    ELKO EP    HYUNDAI    VEGA    KSR KUEBLER    Johnson Controls    Siemens IA/DT (CA01)    Bosch Rexroth    Alfa Laval    SICK    Others  

IMP14-03BNOVC0S

Код: 6050140
Связатся с нами: 067 285 7770

В корзину

Показать всё Скрыть всё

  • Характеристики
    Тип корпусаЦилиндрический с резьбой
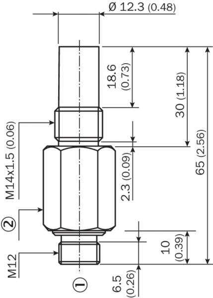
    Размер резьбыM14 1,5
    ДиаметрØ 14 mm
    Устойчивость на сжатие≤ 500 bar
    Расстояние срабатывания Sn3 mm
    Расстояние срабатывания обеспечено Sa2,4 mm
    МонтажВровень
    Частота переключения500 Hz
    Тип подключенияРазъем M12, 4-конт.
    Переключающий выходNPN
    Функция выходаНормально закрытый
    Электрическое исполнениеПост. ток, 3-проводный
    Тип защитыIP68 1)
    Особые свойстваСтойкость к высокому давлению
    • 1) Активная поверхность.
  • Механика/электроника
    Напряжение питания10 V DC ... 30 V DC
    Остаточная пульсация≤ 20 % 1)
    Падение напряжения≤ 2 V 2)
    Потребление тока≤ 10 mA 3)
    Задержка готовности≤ 50 ms
    Гистерезис1 % ... 15 % 4)
    Воспроизводимость≤ 4 % 5) 6)
    Отклонение температуры (от Sr)15 %
    ЭМССогласно EN 60947-5-2 7)
    Постоянный ток Ia≤ 200 mA
    Прочность вакуума10-8 Torr 8)
    Размер уплотнительного кольца11,5 мм x 2,0 мм
    Защита от короткого замыкания
    Защита от инверсии полярности
    Ударопрочность и виброустойчивость30 г, 11 мс/10…55 Гц, 1 мм
    Диапазон температур при работе–25 °C ... +80 °C
    Материал корпусаНержавеющая сталь, V4A
    Материал, активная поверхностьКерамика, Керамика
    Материал, уплотнительное кольцоNBR
    Длина корпуса65 mm
    Полезная длина резьбы11 mm
    Макс. момент затяжки≤ 70 Nm
    • 1) От UV.
    • 2) При Ia = 200 мA.
    • 3) Без нагрузки.
    • 4) Тип. 8 %.
    • 5) Ub = 20...30 В пост. тока.
    • 6) TA = 23 °C ± 5 °C.
    • 7) IEC61000-4-4: 1kV.
    • 8) С лицевой стороны.
  • Коэффициенты редукции
    ПримечаниеЗначения являются ориентировочными и могут изменяться
    Сталь St37 (Fe)1
    Нержавеющая сталь (V2A)Ок. 0,85
    Алюминий (Al)Ок. 0
    Медь (Cu)Ок. 0
    Латунь (Ms)Ок. 0,15
  • Указания по установке
    ПримечаниеСоответствующие графические материалы см. в разд. «Указания по установке»
  • Классификации
    ECl@ss 5.027270101
    ECl@ss 5.1.427270101
    ECl@ss 6.027270101
    ECl@ss 6.227270101
    ECl@ss 7.027270101
    ECl@ss 8.027270101
    ECl@ss 8.127270101
    ECl@ss 9.027270101
    ETIM 5.0EC002714
    ETIM 6.0EC002714
    UNSPSC 16.090139122230
Показать всё Скрыть всё

Технические чертежи

Схема соединений cd-008 Габаритный чертеж Вид: Галерея Список Показать всё Скрыть всё
Показать всё Скрыть всё