(044) 466 87 70, (067) 386 78 58, (094) 954 25 46
info@avigan.com.ua
English
About us
Вход
Регистрация
Корзина
ב"ה
0
Menu
Главная
О КОМПАНИИ
Обзоры Применений
КАТАЛОГ
ETI
SIEMENS
ABB
WIKA
IFM
ELKO EP
HYUNDAI
VEGA
KSR KUEBLER
Johnson Controls
Siemens IA/DT (CA01)
Bosch Rexroth
Alfa Laval
SICK
Others
КОНТАКТЫ
НОВОСТИ
ОТЗЫВЫ
Семейство IMP
Главная
»
SICK
»
Датчики приближения
»
Индуктивные датчики приближения
»
Семейство IMP
ETI
SIEMENS
ABB
WIKA
IFM
ELKO EP
HYUNDAI
VEGA
KSR KUEBLER
Johnson Controls
Siemens IA/DT (CA01)
Bosch Rexroth
Alfa Laval
SICK
Others
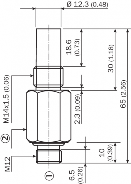
IMP14-03BPSVC0S
Код: 6050137
Связатся с нами: 067 285 7770
Поделиться
Facebook
Twitter
Google Plus
В корзину
Описание
Показать всё
Скрыть всё
Характеристики
Тип корпуса
Цилиндрический с резьбой
Размер резьбы
M14 1,5
Диаметр
Ø 14 mm
Устойчивость на сжатие
≤ 500 bar
Расстояние срабатывания Sn
3 mm
Расстояние срабатывания обеспечено Sa
2,4 mm
Монтаж
Вровень
Частота переключения
500 Hz
Тип подключения
Разъем M12, 4-конт.
Переключающий выход
PNP
Функция выхода
Нормально открытый
Электрическое исполнение
Пост. ток, 3-проводный
Тип защиты
IP68 1)
Особые свойства
Стойкость к высокому давлению
1) Активная поверхность.
Механика/электроника
Напряжение питания
10 V DC ... 30 V DC
Остаточная пульсация
≤ 20 % 1)
Падение напряжения
≤ 2 V 2)
Потребление тока
≤ 10 mA 3)
Задержка готовности
≤ 50 ms
Гистерезис
1 % ... 15 % 4)
Воспроизводимость
≤ 4 % 5) 6)
Отклонение температуры (от Sr)
15 %
ЭМС
Согласно EN 60947-5-2 7)
Постоянный ток Ia
≤ 200 mA
Прочность вакуума
10-8 Torr 8)
Размер уплотнительного кольца
11,5 мм x 2,0 мм
Защита от короткого замыкания
✔
Защита от инверсии полярности
✔
Ударопрочность и виброустойчивость
30 г, 11 мс/10…55 Гц, 1 мм
Диапазон температур при работе
–25 °C ... +80 °C
Материал корпуса
Нержавеющая сталь, V4A
Материал, активная поверхность
Керамика, Керамика
Материал, уплотнительное кольцо
NBR
Длина корпуса
65 mm
Полезная длина резьбы
11 mm
Макс. момент затяжки
≤ 70 Nm
1) От UV.
2) При Ia = 200 мA.
3) Без нагрузки.
4) Тип. 8 %.
5) Ub = 20...30 В пост. тока.
6) TA = 23 °C ± 5 °C.
7) IEC61000-4-4: 1kV.
8) С лицевой стороны.
Коэффициенты редукции
Примечание
Значения являются ориентировочными и могут изменяться
Сталь St37 (Fe)
1
Нержавеющая сталь (V2A)
Ок. 0,85
Алюминий (Al)
Ок. 0
Медь (Cu)
Ок. 0
Латунь (Ms)
Ок. 0,15
Указания по установке
Примечание
Соответствующие графические материалы см. в разд. «Указания по установке»
Классификации
ECl@ss 5.0
27270101
ECl@ss 5.1.4
27270101
ECl@ss 6.0
27270101
ECl@ss 6.2
27270101
ECl@ss 7.0
27270101
ECl@ss 8.0
27270101
ECl@ss 8.1
27270101
ECl@ss 9.0
27270101
ETIM 5.0
EC002714
ETIM 6.0
EC002714
UNSPSC 16.0901
39122230
Показать всё
Скрыть всё
Технические чертежи
Схема соединений cd-007
Габаритный чертеж
Вид:
Галерея
Список
Показать всё
Скрыть всё
Показать всё
Скрыть всё