0
ETI    SIEMENS    ABB    WIKA    IFM    ELKO EP    HYUNDAI    VEGA    KSR KUEBLER    Johnson Controls    Siemens IA/DT (CA01)    Bosch Rexroth    Alfa Laval    SICK    Others  

IN30-E0208K

Код: 6044655
Связатся с нами: 067 285 7770

В корзину

Показать всё Скрыть всё

  • Характеристики
    Принцип работы датчикаИндуктивный
    Количество безопасных выходов2
    Зона деблокировки1 mm ... 15 mm 1)
    Безопасное расстояние выключения Sar22 mm
    Направления включения5
    Активные сенсорные поверхности1
    • 1) Значения действительны для стали (FE360).
  • Параметры техники безопасности
    Класс надежностиSIL2 (IEC 61508), SILCL2 (EN 62061)
    КатегорияПрименяется до категории 3 (EN ISO 13849)
    Уровень производительностиPL d (EN ISO 13849)
    PFHd (средняя вероятность опасного отказа в час)1,0 x 10-7 (EN ISO 13849)
    TM (заданная продолжительность работы)

    10 лет (EN ISO 13849) 1)

    20 лет (EN ISO 13849) 2)

    Тип конструкцииТип конструкции 3 (EN ISO 14119)
    Степень кодирования пускателяНезакодированный (EN ISO 14119)
    • 1) При –25...+70 °C и относительной влажности воздуха 5...95 %.
    • 2) При +10...+40 °C и относительной влажности воздуха 5...70 %.
  • Интерфейсы
    Тип подключенияРазъем M12, 4-конт.
    Flexi-Loop-ready
    Индикация питания
    Индикация состояния
  • Электрические данные
    Класс защитыIII (EN 50178)
    Напряжение питания UV24 V DC (19,2 V DC ... 28,8 V DC)
    Тип выходаПроизводство полупроводников
    Оценка≤ 1 ms
  • Механические данные
    Тип корпусаЦилиндрический
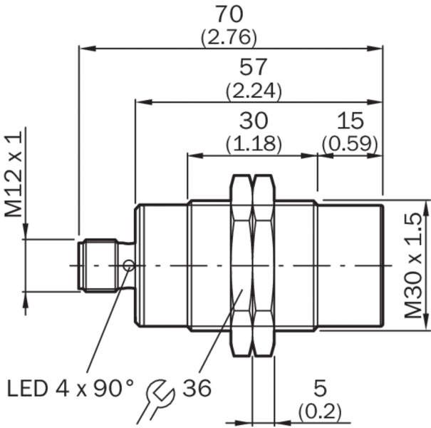
    Диаметр корпусаM30
    Вес0,19 kg
    Материал корпусаV4A (корпус), PBT (крышка)
    УстановкаС выступающей частью
  • Данные окружающей среды
    Тип защитыIP65, IP67 (IEC 60529)
    Диапазон рабочих температур–25 °C ... +70 °C
    Температура хранения–25 °C ... +70 °C
  • Классификации
    ECl@ss 5.027272401
    ECl@ss 5.1.427272401
    ECl@ss 6.027272401
    ECl@ss 6.227272401
    ECl@ss 7.027272401
    ECl@ss 8.027272401
    ECl@ss 8.127272401
    ECl@ss 9.027272401
    ETIM 5.0EC001818
    ETIM 6.0EC001818
    UNSPSC 16.090139122205
Показать всё Скрыть всё

Технические чертежи

Габаритный чертеж Область срабатывания Схема соединений Вид: Галерея Список Показать всё Скрыть всё
Показать всё Скрыть всё