0
ETI    SIEMENS    ABB    WIKA    IFM    ELKO EP    HYUNDAI    VEGA    KSR KUEBLER    Johnson Controls    Siemens IA/DT (CA01)    Bosch Rexroth    Alfa Laval    SICK    Others  

IN40-E0109K

Код: 6050281
Связатся с нами: 067 285 7770

В корзину

Показать всё Скрыть всё

  • Характеристики
    Принцип работы датчикаИндуктивный
    Количество безопасных выходов2
    Задержка переключения от момента изменения состоянияMax. 50 ms
    Зона деблокировки4 mm ... 20 mm 1)
    Безопасное расстояние выключения Sar45 mm 1)
    Направления включения5
    Активные сенсорные поверхности1
    Время контроля минимальной продолжительности пребывания ≥ 0,2 s
    • 1) В зависимости от материала. Указанные значения относятся к применению стали ST37.
  • Параметры техники безопасности
    Класс надежностиSIL3 (IEC 61508), SILCL3 (EN 62061)
    КатегорияКатегория 4 (EN ISO 13849)
    Уровень производительностиPL e (EN ISO 13849)
    PFHd (средняя вероятность опасного отказа в час)2,5 x 10-9 (EN ISO 13849)
    TM (заданная продолжительность работы)

    10 лет (EN ISO 13849) 1)

    20 лет (EN ISO 13849) 2)

    Тип конструкцииТип конструкции 3 (EN ISO 14119)
    Степень кодирования пускателяНезакодированный (EN ISO 14119)
    Классификация по IEC/EN 60947-5-3PDF-M
    • 1) При –25...+70 °C и относительной влажности воздуха 5...95 %.
    • 2) При +10...+40 °C и относительной влажности воздуха 5...70 %.
  • Интерфейсы
    Тип подключенияРазъем M12, 4-конт.
    Flexi-Loop-ready
    Индикация питания
    Индикация состояния
  • Электрические данные
    Класс защитыIII (EN 50178)
    Напряжение питания UV24 V DC (19,2 V DC ... 30 V DC)
    Потребление тока30 mA
    Тип выходаПолупроводниковый выход (OSSD)
  • Механические данные
    Тип корпусаПрямоугольный
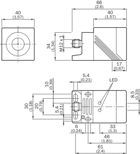
    Габариты40 mm x 40 mm x 66 mm
    Вес0,22 kg
    Материал корпусаЦинковое литье (корпус), PPE (крышка)
    УстановкаС выступающей частью
  • Данные окружающей среды
    Тип защитыIP67 (IEC 60529)
    Диапазон рабочих температур–25 °C ... +60 °C
    Температура хранения–25 °C ... +70 °C
    Виброустойчивость10 Hz ... 55 Hz, 1 mm (EN 60947-5-3)
    Ударопрочность30 g, 11 ms (EN 60947-5-3)
  • Классификации
    ECl@ss 5.027272401
    ECl@ss 5.1.427272401
    ECl@ss 6.027272401
    ECl@ss 6.227272401
    ECl@ss 7.027272401
    ECl@ss 8.027272401
    ECl@ss 8.127272401
    ECl@ss 9.027272401
    ETIM 5.0EC001818
    ETIM 6.0EC001818
    UNSPSC 16.090139122205
Показать всё Скрыть всё

Технические чертежи

Габаритный чертеж Область срабатывания Схема соединений Вид: Галерея Список Показать всё Скрыть всё
Показать всё Скрыть всё