0
ETI    SIEMENS    ABB    WIKA    IFM    ELKO EP    HYUNDAI    VEGA    KSR KUEBLER    Johnson Controls    Siemens IA/DT (CA01)    Bosch Rexroth    Alfa Laval    SICK    Others  

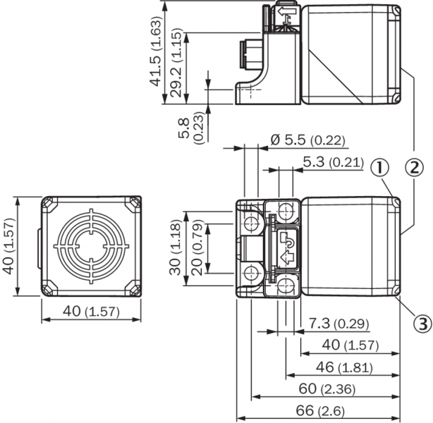
IQ40-40NNOKC0K

Код: 1071856
Связатся с нами: 067 285 7770

В корзину

Показать всё Скрыть всё

  • Характеристики
    Тип корпусаПрямоугольный
    Конструкция корпусаКороткий корпус
    Размеры (Ш x В x Г)40 mm x 40 mm x 66 mm
    Расстояние срабатывания Sn40 mm
    Расстояние срабатывания обеспечено Sa32,4 mm
    МонтажС выступающей частью
    Частота переключения100 Hz
    Тип подключенияРазъем M12, 4-конт.
    Переключающий выходNPN
    Функция выходаНормально закрытый
    Электрическое исполнениеПост. ток, 3-проводный
    Тип защитыIP67, IP68, IP69K
  • Механика/электроника
    Напряжение питания10 V DC ... 30 V DC
    Остаточная пульсация≤ 10 Vss 1)
    Падение напряжения≤ 2 V
    Потребление тока≤ 20 mA 2)
    Задержка готовности≤ 50 ms
    Гистерезис3 % ... 15 % 3)
    Воспроизводимость≤ 6 %
    Отклонение температуры (от Sr)± 10 %
    Постоянный ток Ia≤ 200 mA
    Защита от короткого замыкания
    Защита от инверсии полярности
    Подавление импульса включения
    Ударопрочность и виброустойчивость30 г, 11 мс/10…55 Гц, 1 мм
    Диапазон температур при работе–25 °C ... +85 °C
    Диапазон температур при хранении–40 °C ... +85 °C
    Материал корпусаПластик, PA 66
    Материал, активная поверхностьПластик, PA 66
    Макс. момент затяжки1,8 Nm
    Класс защитыII 4)
    № файла ULE348498
    • 1) От Ub.
    • 2) Без нагрузки.
    • 3) От Sr.
    • 4) Расчетное напряжение: 50 В пост. тока.
  • Коэффициенты редукции
    ПримечаниеЗначения являются ориентировочными и могут изменяться
    Нержавеющая сталь (V2A)Ок. 0,8
    Алюминий (Al)Ок. 0,34
    Медь (Cu)Ок. 0,27
    Латунь (Ms)Ок. 0,38
  • Указания по установке
    ПримечаниеСоответствующие графические материалы см. в разд. «Указания по установке»
    A42 mm
    B100 mm
    C40 mm
    D120 mm
    E40 mm
    F150 mm
  • Классификации
    ECl@ss 5.027270101
    ECl@ss 5.1.427270101
    ECl@ss 6.027270101
    ECl@ss 6.227270101
    ECl@ss 7.027270101
    ECl@ss 8.027270101
    ECl@ss 8.127270101
    ECl@ss 9.027270101
    ETIM 5.0EC002714
    ETIM 6.0EC002714
    UNSPSC 16.090139122230
Показать всё Скрыть всё

Технические чертежи

Указания по установке Схема соединений cd-008 Характеристика IQ40-40Nxxxxx Габаритный чертеж IQG короткий вариант Вид: Галерея Список Показать всё Скрыть всё
Показать всё Скрыть всё