0
ETI    SIEMENS    ABB    WIKA    IFM    ELKO EP    HYUNDAI    VEGA    KSR KUEBLER    Johnson Controls    Siemens IA/DT (CA01)    Bosch Rexroth    Alfa Laval    SICK    Others  

IQ80-60NUP-KK0

Код: 7902138
Связатся с нами: 067 285 7770

В корзину

Показать всё Скрыть всё

  • Характеристики
    Тип корпусаПрямоугольный
    Конструкция корпусаСтандарт
    Размеры (Ш x В x Г)80 mm x 105 mm x 40 mm
    Расстояние срабатывания Sn60 mm
    Расстояние срабатывания обеспечено Sa48,6 mm
    МонтажС выступающей частью
    Частота переключения4 Hz
    Тип подключенияКабельный ввод с резьбой M20
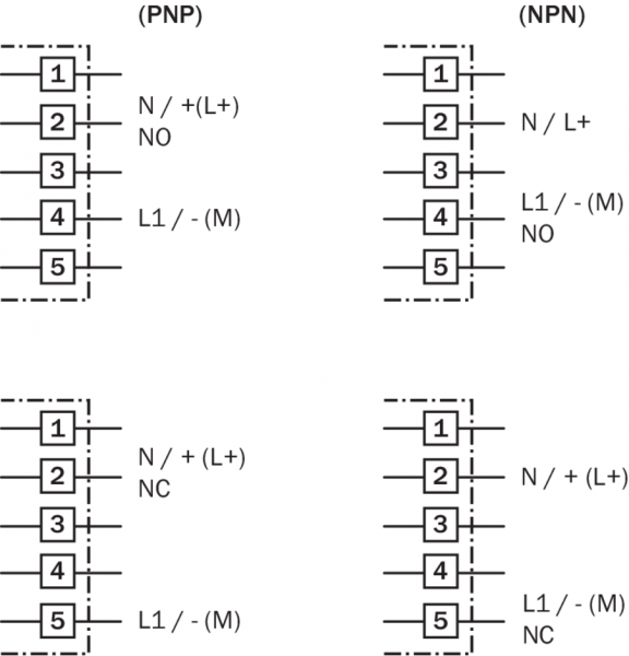
    Переключающий выходPNP / NPN
    Функция выходаНормально закрытый или нормально открытый
    Свойства переключения по выборуЖестко запрограммированный
    Электрическое исполнениеПерем./пост. ток, 2-проводной
    Тип защитыIP65 1)
    • 1) Согласно EN 60529.
  • Механика/электроника
    Напряжение питания20 V AC/DC ... 250 V AC/DC
    Падение напряжения≤ 6,5 V (перем. ток)
    Гистерезис1 % ... 15 %
    Воспроизводимость≤ 10 % 1) 2) 3)
    Отклонение температуры (от Sr)± 10 %
    ЭМС

    По EN 55011, класс В

    Согласно EN 60947-5-2

    Постоянный ток Ia≤ 350 mA 4)
    Остаточный ток≤ 2,5 mA (AC 250 V)
    Минимальный ток нагрузки> 5 mA
    Кратковременный ток2,2 A 5)
    Резьбовое соединение кабелей в клеммной коробкеM20 1,5
    Поперечное сечение жил≤ 2,5 mm²
    Защита от короткого замыкания– 6)
    Ударопрочность и виброустойчивость30 г, 11 мс/10…55 Гц, 1 мм
    Диапазон температур при работе–25 °C ... +80 °C
    Материал корпусаПластик, PPE
    Материал, активная поверхностьПластик, PPE
    Класс защитыII
    Расчетное напряжение на изоляции Ui250 V AC
    Категория потребленияAC-140 7)
    Степень загрязнения3
    Максимально допустимое импульсное напряжение4 kV
    • 1) Ub и Ta постоянны.
    • 2) От Sr.
    • 3) Точность воспроизведения.
    • 4) AC (+50 °C).
    • 5) 20 ms / 0,5 Hz.
    • 6) Миниатюрный предохранитель согласно IEC60217-2 лист 1, ≤ 2 A (быстродействующий).
    • 7) Контроллер малых электромагнитных нагрузок с удерживающими токами < 200 мА.
  • Коэффициенты редукции
    ПримечаниеЗначения являются ориентировочными и могут изменяться
    Нержавеющая сталь (V2A)Ок. 0,7
    Алюминий (Al)Ок. 0,3
    Медь (Cu)Ок. 0,2
    Латунь (Ms)Ок. 0,4
  • Указания по установке
    ПримечаниеСоответствующие графические материалы см. в разд. «Указания по установке»
    A160 mm
    B160 mm
    C80 mm
    D150 mm
    E40 mm
    F480 mm
  • Классификации
    ECl@ss 5.027270101
    ECl@ss 5.1.427270101
    ECl@ss 6.027270101
    ECl@ss 6.227270101
    ECl@ss 7.027270101
    ECl@ss 8.027270101
    ECl@ss 8.127270101
    ECl@ss 9.027270101
    ETIM 5.0EC002714
    ETIM 6.0EC002714
    UNSPSC 16.090139122230
Показать всё Скрыть всё

Технические чертежи

Указания по установке Схема соединений cd-025 Габаритный чертеж IQ80, AC/DC 2-проводной Вид: Галерея Список Показать всё Скрыть всё
Показать всё Скрыть всё