0
ETI    SIEMENS    ABB    WIKA    IFM    ELKO EP    HYUNDAI    VEGA    KSR KUEBLER    Johnson Controls    Siemens IA/DT (CA01)    Bosch Rexroth    Alfa Laval    SICK    Others  

ISD400-1121

Код: 1043511
Связатся с нами: 067 285 7770

В корзину

Показать всё Скрыть всё

  • Производительность
    Дальность передачи0,2 m ... 180 m
    Источник светаСИД, инфракрасный (880 nm)
    Тип. размер светового пятна (расстояние)1,75 m (на расст. 100 м)
    Угол раскрытияCa. ± 0,5°
    Обогрев
  • Интерфейсы
    PROFIBUS DP
    Скорость передачи данных3 Mbit/s
    Переключающий выходHIGH: Uv – 3 В, LOW: < 2 В
    Дискретный входUv: передатчик деактивирован
    Задержка сигнала≤ 1 µs, + 2 Tbit 1)
    • 1) 1 мкс + 2 Тбит для PROFIBUS.
  • Механика/электроника
    Напряжение питания UVПост. ток 18 V ... 30 V
    Потребляемая мощность≤ 25 W 1) 2)
    Материал корпусаМеталл
    Тип подключенияШтекерный разъем, M12, 4-конт.
    ВесОк. 900 g
    Тип защитыIP65
    Класс защитыIII
    • 1) Без нагрузки.
    • 2) При 24 В.
  • Данные окружающей среды
    Электромагнитная совместимость (ЭМС)EN 61000-6-2, EN 61000-6-4 1)
    Рабочий диапазон температур

    –40 °C ... +55 °C, Работа с нагревателем

    –40 °C ... +75 °C, Работа с охлаждающим корпусом

    Диапазон температур при хранении–40 °C ... +75 °C
    Макс. отн. влажность воздуха (без образования конденсата)90 %, без образования конденсата
    • 1) Это устройство класса А. Данное устройство может создавать радиопомехи при использовании в жилой зоне.
  • Общие указания
    ПримечаниеДля создания канала передачи данных требуется 2 устройства. Устройства идентичны друг другу и должны заказываться отдельно. Частоты F1 и F2 можно настраивать.
  • Классификации
    ECl@ss 5.019039001
    ECl@ss 5.1.419039001
    ECl@ss 6.019179090
    ECl@ss 6.219179090
    ECl@ss 7.019179090
    ECl@ss 8.019179090
    ECl@ss 8.119179090
    ECl@ss 9.019179090
    ETIM 5.0EC000515
    ETIM 6.0EC000515
    UNSPSC 16.090143201404
Показать всё Скрыть всё

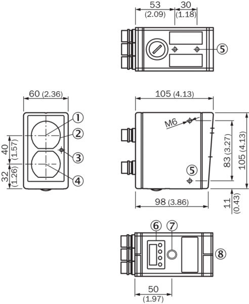
Технические чертежи

Габаритный чертеж Тип подключения ISD400 RS-485/PROFIBUS Схема соединений Варианты настройки Вид: Галерея Список Показать всё Скрыть всё
Показать всё Скрыть всё