0
ETI    SIEMENS    ABB    WIKA    IFM    ELKO EP    HYUNDAI    VEGA    KSR KUEBLER    Johnson Controls    Siemens IA/DT (CA01)    Bosch Rexroth    Alfa Laval    SICK    Others  

KT8L-P3656

Код: 1041262
Связатся с нами: 067 285 7770

В корзину

Показать всё Скрыть всё

  • Характеристики
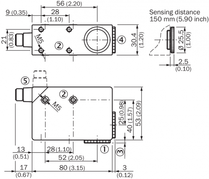
    Размеры (Ш x В x Г)30,4 mm x 53 mm x 80 mm
    Дистанция обнаружения150 mm 1)
    Форма корпуса (выход света)Прямоугольный
    Источник светаЛазер, красный 2)
    Длина волны655 nm
    Источник светаДлинная сторона устройства
    Размер светового пятнаØ 0,3 mm 3)
    Положение светового пятнаКруглый
    Дистнация обнаружения30 mm ... 800 mm 4)
    НастройкаКнопка настройки
    Метод настройки

    2-точечная настройка статическая

    Настройка динамическая (мин./макс.)

    ФункцияАвтоматическая коррекция дрейфа
    • 1) От передней кромки объектива.
    • 2) Средний срок службы 50 000 ч при TU = +25 °C.
    • 3) При точке фокуса = дистанция обнаружения 150 мм.
    • 4) Относительно черно-белого контраста 6 %/90 %.
  • Механика/электроника
    Напряжение питания10 V DC ... 30 V DC 1)
    Остаточная пульсация≤ 5 Vss 2)
    Потребление тока< 80 mA 3)
    Частота переключения17 kHz 4)
    Оценка30 µs 5)
    Неустойчивость< 15 µs
    Переключающий выходPNP
    Дискретный выход (напряжение)PNP: HIGH = UВ– ≤ 2 В/LOW прибл. 0 В
    Аналоговый выход0,3 mA ... 20 mA
    Выходной ток Iмакс.100 mA
    Вход, настройка (ET)

    PNP

    Teach: U = 10 V ... < UV

    Run: U < 2 V

    Время накопления (ET)25 мс, энергонезависимое сохранение
    Временная задержка20 мс, регулируется
    Тип подключенияРазъем M12, 5-конт.
    Класс защитыII 6)
    Схемы защиты

    Uв-подключения с защитой от переполюсовки

    Выход Q с защитой от короткого замыкания

    Подавление импульсных помех

    Тип защитыIP67
    Вес400 g
    Материал корпусаЦинк, литье под давлением
    • 1) Предельные значения при работе в защищенной от короткого замыкания сети макс. 8 А.
    • 2) Не допускается превышение или занижение допуска Uv.
    • 3) Без нагрузки.
    • 4) При соотношении светло/темно 1:1.
    • 5) Продолжительность сигнала при омической нагрузке.
    • 6) Расчетное напряжение постоянного тока 50 В.
  • Данные окружающей среды
    Диапазон температур при работе–10 °C ... +45 °C
    Диапазон температур при хранении–10 °C ... +75 °C
    Устойчивость к сотрясениямСогласно IEC 60068
    № файла UL242368, соответствие CDRH
  • Классификации
    ECl@ss 5.027270906
    ECl@ss 5.1.427270906
    ECl@ss 6.027270906
    ECl@ss 6.227270906
    ECl@ss 7.027270906
    ECl@ss 8.027270906
    ECl@ss 8.127270906
    ECl@ss 9.027270906
    ETIM 5.0EC001820
    ETIM 6.0EC001820
    UNSPSC 16.090139121528
Показать всё Скрыть всё

Технические чертежи

Габаритный чертеж KT8L Laser Варианты настройки KT8L Laser Схема соединений Cd-329 тип и схема подключения Дистанция обнаружения тип и схема подключения Вид: Галерея Список Показать всё Скрыть всё
Показать всё Скрыть всё