0
ETI    SIEMENS    ABB    WIKA    IFM    ELKO EP    HYUNDAI    VEGA    KSR KUEBLER    Johnson Controls    Siemens IA/DT (CA01)    Bosch Rexroth    Alfa Laval    SICK    Others  

KTS-WB9114115AA90Z

Код: 1078131
Связатся с нами: 067 285 7770

В корзину

Показать всё Скрыть всё

  • Характеристики
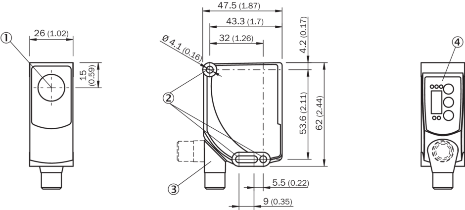
    Размеры (Ш x В x Г)26 mm x 62 mm x 47,5 mm
    Дистанция обнаружения13 mm
    Допуск области сканирования± 5 mm
    Форма корпуса (выход света)Прямоугольный
    Источник светаСветодиод, RGB 1)
    Длина волны470 nm, 525 nm, 625 nm
    Источник светаДлинная сторона устройства
    Размер светового пятна0,9 mm x 3,8 mm
    Положение светового пятнаПродольно 2)
    Метод настройки1-точечное обучение, 2-точечное обучение, динамическое обучение, авторежим
    Функция выходного сигналаСВЕТЛО/ТЕМНО
    Время задержкиРегулируется
    Состояние при поставке2-точечная настройка
    Отсутствует
    • 1) Средний срок службы: 100 000 ч при TU = +25 °C.
    • 2) Относительно длинной стороны устройства.
  • Механика/электроника
    Напряжение питания10,8 V DC ... 28,8 V DC 1)
    Остаточная пульсация≤ 5 Vss 2)
    Потребление тока< 100 mA 3)
    Частота переключения50 kHz 4)
    Оценка10 µs 5)
    Неустойчивость5 µs
    Переключающий выходPUSH/PULL
    Дискретный выход (напряжение)Push/Pull: HIGH = UV - 3 В / LOW ≤ 3 В
    Выходной ток Iмакс.100 mA 6)
    Вход, настройка (ET)Настройка: U = 10 В ... < UV: Run: U < 2 V
    Вход, вход гашения (AT)Погашено: U = 10 В ... < Uv: со свободным ходом: U < 2 В
    Вход, точно/грубо (F/C)Грубо: U = 10 В ... < Uv: точно: U < 2 В
    Вход, светло/темно (L/D)Светло: U = 10 В ... < Uv: темно: U = < 2 В
    Время накопления (ET)25 мс, энергонезависимое сохранение
    Тип подключенияРазъем M12, 5-конт.
    Класс защитыIII
    Схемы защиты

    Uв-подключения с защитой от переполюсовки

    Выход Q с защитой от короткого замыкания

    Подавление импульсных помех

    Тип защитыIP67
    Вес68 g
    Материал корпусаVISTAL®
    • 1) Предельные значения: пост. ток 12 (– 10 %)...24 В (+ 20 %). Эксплуатация в защищенных от короткого замыкания сетях с силой тока не более 8 A.
    • 2) Не допускается превышение или занижение допуска Uv.
    • 3) Без нагрузки.
    • 4) При соотношении светло/темно 1:1.
    • 5) Продолжительность сигнала при омической нагрузке.
    • 6) Суммарный ток всех выходов.
  • Данные окружающей среды
    Диапазон температур при работе–20 °C ... +60 °C
    Диапазон температур при хранении–25 °C ... +75 °C
    Устойчивость к сотрясениямСогласно IEC 60068-2-27 (30 г/11 мс)
    № файла ULE181493
  • Классификации
    ECl@ss 5.027270906
    ECl@ss 5.1.427270906
    ECl@ss 6.027270906
    ECl@ss 6.227270906
    ECl@ss 7.027270906
    ECl@ss 8.027270906
    ECl@ss 8.127270906
    ECl@ss 9.027270906
    ETIM 5.0EC001820
    ETIM 6.0EC001820
    UNSPSC 16.090139121528
  • Интерфейс связи
    Интерфейс связиIO-Link V1.1
    Коммуникационный интерфейс, детальное описаниеCOM2 (38,4 kBaud)
    Время цикла2,3 ms
    Длина технологических данных16 Bit
    Структура технологических данных А

    Бит 0 = дискретный сигнал QL1

    Бит 1 = пустой

    Бит 2 = сигнал тревоги качества процесса

    Бит 3 ... 5 = излучаемый цвет

    Бит 6 ... 15 = измеряемое значение излучаемого цвета

    Структура технологических данных В

    Бит 0 = дискретный сигнал QL1

    Бит 1 = дискретный сигнал QL2

    Бит 2 ... 15 = метка времени

Показать всё Скрыть всё

Технические чертежи

Габаритный чертеж KTS Prime Варианты настройки KTS/KTX Prime Схема соединений cd-387 KTS/KTX Prime - установка порога переключения (динамическое обучение) KTS/KTX Prime - установка порога переключения (2-точечное обучение) KTS/KTX Prime - установка порога переключения (цветовой режим) Характеристика Область сканирования 13 мм, положение светового пятна поперечно/продольно Вид: Галерея Список Показать всё Скрыть всё
Показать всё Скрыть всё