0
ETI    SIEMENS    ABB    WIKA    IFM    ELKO EP    HYUNDAI    VEGA    KSR KUEBLER    Johnson Controls    Siemens IA/DT (CA01)    Bosch Rexroth    Alfa Laval    SICK    Others  

LBV310-XXAGDCKNX

Код: 6038008
Связатся с нами: 067 285 7770

В корзину

Показать всё Скрыть всё

  • Характеристики
    СредаСыпучие материалы
    Способ измеренияПредельное значение
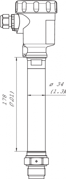
    Длина зонда220 mm
    Рабочее давление–1 bar ... 25 bar
    Рабочая температура–50 °C ... +150 °C
    Плотность загружаемого материала≥ 0,008
    Размер частиц< 10 mm
  • Производительность
    Точность измерительного элемента± 10 mm
    Воспроизводимость≤ 5 mm
    Оценка500 мс при покрытии / 1000 мс при освобождении
  • Электрика
    Потребление тока< 4,2 mA
    Время инициализации< 3 s
    Класс защиты 1 по VDE
    Тип подключения½" NPT
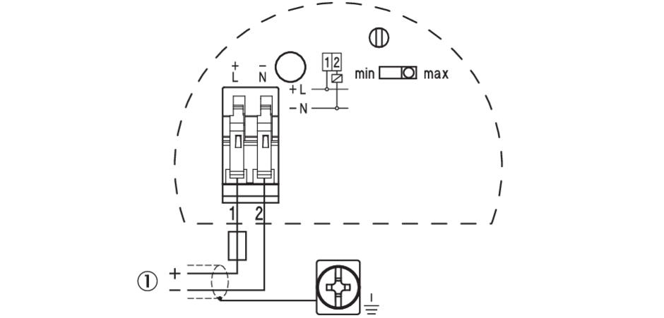
    Выходной сигналБесконтактный выключатель
    Напряжение питанияБесконтактный выключатель: 20 V AC/DC ... 253 V DC
    Гистерезис10 mm
    Выходной ток< 400 mA
    Индуктивная нагрузка≤ 1 H
    Емкостная нагрузка100 nF
    Тип защитыIP66 / IP67
  • Механика
    Технические подключенияG 1½ A PN 25
    Материал корпусаПластик
    Материал датчиковНержавеющая сталь 1.4404
  • Данные окружающей среды
    Диапазон температур при работе–40 °C ... +80 °C
    Диапазон температур при хранении–40 °C ... +80 °C
  • Классификации
    ECl@ss 5.027273202
    ECl@ss 5.1.427273202
    ECl@ss 6.027273202
    ECl@ss 6.227273202
    ECl@ss 7.027273202
    ECl@ss 8.027273202
    ECl@ss 8.127273202
    ECl@ss 9.027273202
    ETIM 5.0EC002654
    ETIM 6.0EC002654
    UNSPSC 16.090141111938
Показать всё Скрыть всё

Технические чертежи

Габаритный чертеж Температурный компенсатор Габаритный чертеж LBV310, исполнение резьбы G 1½ A (DIN ISO 228/1) Схема соединений Бесконтактный выключатель, схема подключения Инструкции по монтажу Горизонтальная установка Вид: Галерея Список Показать всё Скрыть всё
Показать всё Скрыть всё