0
ETI    SIEMENS    ABB    WIKA    IFM    ELKO EP    HYUNDAI    VEGA    KSR KUEBLER    Johnson Controls    Siemens IA/DT (CA01)    Bosch Rexroth    Alfa Laval    SICK    Others  

LFV200-XXSGATPV

Код: 6037759
Связатся с нами: 067 285 7770

В корзину

Показать всё Скрыть всё

  • Характеристики
    СредаЖидкости
    Способ измеренияПредельное значение
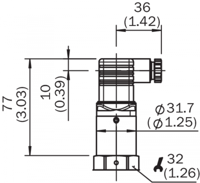
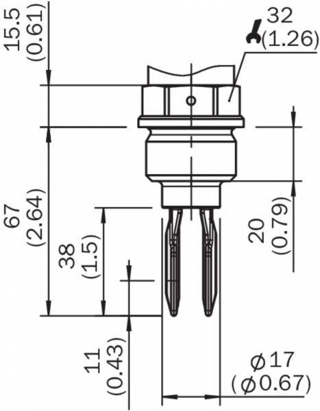
    Длина зонда67 mm
    Рабочее давление–1 bar ... 64 bar
    Рабочая температура–40 °C ... +100 °C
    Плотность загружаемого материала0,7 g/cm³ ... 2,5 g/cm³
  • Производительность
    Точность измерительного элемента± 2 mm
    Воспроизводимость≤ 1 mm
    Вязкость0,1 mPas ... 10.000 mPas
    Разрешение≤ 1 mm
    Оценка500 ms
  • Электрика
    Напряжение питания9,6 V DC ... 35 V DC
    Остаточная пульсация≤ 5 Vss
    Потребление тока≤ 10 mA
    Время инициализации< 2 s
    Класс защиты 2 по VDE
    Тип подключенияКлапанный штекер DIN 43650
    Гистерезис2 mm
    Сигнальное напряжение HIGHUv –3 В
    Сигнальное напряжение LOW0 V +- 1 V
    Выходной ток< 250 mA
    Индуктивная нагрузка≤ 1 H
    Емкостная нагрузка100 nF
    Тип защитыIP65
  • Механика
    Материалы, соприкасающиеся со средойНержавеющая сталь 1.4404
    Технические подключенияG 1 A PN 64
    Материал корпусаНержавеющая сталь 1.4404, PEI
  • Данные окружающей среды
    Диапазон температур при работе–40 °C ... +70 °C
    Диапазон температур при хранении–40 °C ... +80 °C
  • Классификации
    ECl@ss 5.027273202
    ECl@ss 5.1.427273202
    ECl@ss 6.027273202
    ECl@ss 6.227273202
    ECl@ss 7.027273202
    ECl@ss 8.027273202
    ECl@ss 8.127273202
    ECl@ss 9.027273202
    ETIM 5.0EC002654
    ETIM 6.0EC002654
    UNSPSC 16.090141111938
Показать всё Скрыть всё

Технические чертежи

габаритный чертеж: технологическое соединение габаритный чертеж корпуса Схема соединений Вид: Галерея Список Показать всё Скрыть всё
Показать всё Скрыть всё