Показать всё Скрыть всё
- Характеристики
| Диапазон защитного поля | 5,5 m |
| Диапазон сигнального поля | 40 m |
| Количество одновременно контролируемых защитных полей | ≤ 4 1) |
| Количество полей | 8 2) |
| Количество случаев контроля | 2 |
| Угол сканирования | 275° |
| Разрешение (конфигурируемое) | 30 mm, 40 mm, 50 mm, 70 mm, 150 mm, 200 mm |
| Оценка | ≥ 70 ms |
| Дополнение защитного поля | 65 mm |
- Параметры техники безопасности
| Тип | Тип 3 (IEC 61496-1) |
| Класс надежности | SIL2 (IEC 61508) SILCL2 (EN 62061) |
| Категория | Категория 3 (EN ISO 13849) |
| Уровень производительности | PL d (EN ISO 13849) |
| PFHd (средняя вероятность опасного отказа в час) | 8,0 x 10-8 (EN ISO 13849) |
| TM (заданная продолжительность работы) | 20 лет (EN ISO 13849) |
| Безопасное состояние в случае возникновения ошибки | В каждой паре OSSD находится по меньшей мере одно устройство переключения выходного сигнала в выключенном состоянии. |
- Функции
| Блокировка повторного запуска | ✔ |
| Контроль внешних устройств (EDM) | ✔ |
| Многократная оценка | ✔ |
| Переключение вида контроля | ✔ |
| Синхронный контроль | ✔ |
| Статическое переключение защитного поля | ✔ |
| Надежное распознавание контуров | ✔ |
| Контур как база | ✔ |
| Встроенное конфигурационное запоминающее устройство | ✔ |
- Интерфейсы
| Тип подключения | Штекер, M12, 8-контактный, A кодированный (общий штекер для источника напряжения и входов и выходов) |
|
| Универсальные входы/выходы | 3 |
|
| Тип конфигурации | ПК с Safety Designer (конфигурационное и диагностическое программное обеспечение) |
| Конфигурационный и диагностический интерфейс | USB 2.0, Mini-USB |
|
| Элементы индикации | Графический цветной дисплей, LEDs |
- Электрические данные
| Класс защиты | III (EN 61140) |
| Напряжение питания UV | 24 V DC (16,8 V DC ... 30 V DC) |
| Потребляемая мощность | 7 W (без выходной нагрузки) |
- Механические данные
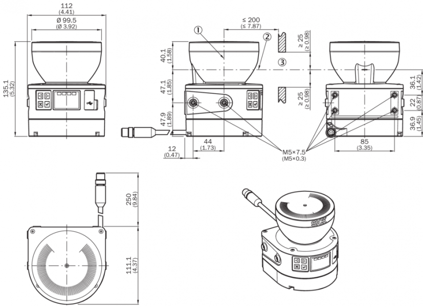
| Размеры (Ш x В x Г) | 112 mm x 135 mm x 111 mm |
| Вес | 1,15 kg |
| Материал корпуса | Алюминий |
| Цвет корпуса | RAL 1021 (ярко-желтый), RAL 9005 (черный) |
| Материал защитного экрана | Polycarbonat |
| Поверхность защитного экрана | Покрытие внешней стороны устойчиво к царапинам. |
- Данные окружающей среды
| Тип защиты | IP65 (IEC 60529) |
| Нечувствительность ко внешним источникам света | 3.000 lx (IEC 61496-3) |
| Диапазон рабочих температур | –10 °C ... +50 °C |
| Температура хранения | –25 °C ... +70 °C |
| Виброустойчивость | 0,35 mm, 10 Hz ... 60 Hz (IEC 60068-2-6, IEC 61496-1, CLC/TS 61496-3)5 g, 60 Hz ... 150 Hz (IEC 60068-2-6, IEC 61496-1, CLC/TS 61496-3) |
| Ударопрочность | 10 g, 16 ms (IEC 60068-2-27, IEC 61496-3) |
| ЭМС | IEC 61496-1 IEC 61000-6-2 IEC 61000-6-4 |
- Прочие данные
| Вид излучения | Пульсирующий лазерный диод |
| Длина волны | 845 nm |
| Фиксируемое диффузное отражение | 1,8 % ... более 1000 % |
| Класс лазера | 1M (21 CFR 1040.10 и 1040.11, IEC 60825-1) |
- Классификации
| ECl@ss 5.0 | 27272705 |
| ECl@ss 5.1.4 | 27272705 |
| ECl@ss 6.0 | 27272705 |
| ECl@ss 6.2 | 27272705 |
| ECl@ss 7.0 | 27272705 |
| ECl@ss 8.0 | 27272705 |
| ECl@ss 8.1 | 27272705 |
| ECl@ss 9.0 | 27272705 |
| ETIM 5.0 | EC002550 |
| ETIM 6.0 | EC002550 |
| UNSPSC 16.0901 | 39121528 |
Показать всё Скрыть всё Технические чертежи
Габаритный чертеж Лазерный сканер
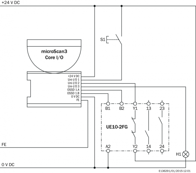
Пример схемы подключения microScan3 Core I/O с блокировкой повторного запуска и контролем контакторов в защитном реле UE10-2FG
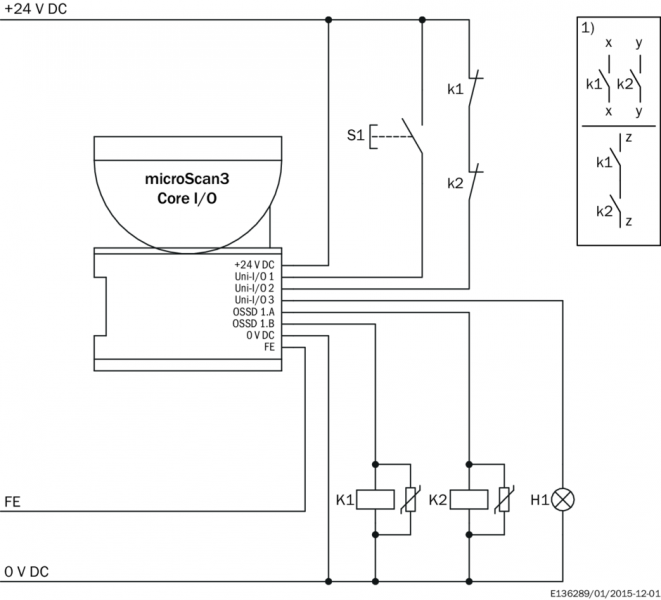
Пример схемы подключения microScan3 Core I/O с блокировкой повторного запуска и контролем контакторов
Вид: Галерея Список Показать всё Скрыть всё Показать всё Скрыть всё