0
ETI    SIEMENS    ABB    WIKA    IFM    ELKO EP    HYUNDAI    VEGA    KSR KUEBLER    Johnson Controls    Siemens IA/DT (CA01)    Bosch Rexroth    Alfa Laval    SICK    Others  

MLP1-SMMF0AC

Код: 1080321
Связатся с нами: 067 285 7770

В корзину

Показать всё Скрыть всё

  • Характеристики
    Принцип работы датчикаТранспондер
    Удерживающее усилие500 N
    Удерживающее усилие25 N
    Допуск на сдвиг≤ 5 mm
    Безопасное расстояние выключения Sar45 mm
    Только для защиты процесса
  • Параметры техники безопасности
    Класс надежностиSIL3 (IEC 61508), SILCL3 (EN 62061)
    КатегорияКатегория 4 (EN ISO 13849)
    Уровень производительностиPL e (EN ISO 13849) 1)
    PFHd (средняя вероятность опасного отказа в час)1,5 x 10-8 (EN ISO 13849) 2)
    TM (заданная продолжительность работы)20 лет (EN ISO 13849)
    Тип конструкцииТип конструкции 4 (EN ISO 14119)
    Степень кодирования пускателяНевысокая степень кодирования (EN ISO 14119)
    Безопасное состояние в случае возникновения ошибкиКак минимум один полупроводниковый выход безопасности (OSSD) находится в состоянии AUS (ВЫКЛ.).
    • 1) В одном каскаде уровень производительности каскада в целом уменьшается в зависимости от числа и вида устройств в этом каскаде. Применение РL e возможно только в каскадах с максимум 6 устройствами.
    • 2) При 40 °C и 1000 м исходной высоты над уровнем моря.
  • Функции
    Каскадное подключение✔ (возможность каскадирования с тавровым элементом или Flexi Loop)
  • Интерфейсы
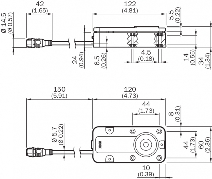
    Тип подключенияКабель с разъемом M12, 8-конт.
    Flexi-Loop-ready
    Длина кабеля150 mm
    Материал кабеляПВХ
    Длина кабеля подключения≤ 100 m
  • Электрические данные
    Класс защитыIII (IEC 61140)
    Степень загрязнения3 (EN 60947-1)
    Классификация по cULusКласс 2
    Категория потребленияDC-13 (IEC 60947-5-1)
    Расчетное напряжение на изоляции Ui32 V
    Максимально допустимое импульсное напряжение Uimp1.500 V
    Напряжение питания Uv при подключении отдельного аварийного выключателя
    Датчик24 V DC (19,2 V DC ... 28,8 V DC)
    Магнит24 V DC (19,2 V DC ... 28,8 V DC)
    Напряжение питания Uv при подключении каскада
    Датчик24 V DC (22,8 V DC ... 28,8 V DC)
    Магнит24 V DC (21,6 V DC ... 28,8 V DC)
    Потребление тока
    Блокирующее устройство активно350 mA
    Блокирующее устройство неактивно50 mA
    Частота переключения≤ 0,5 Hz
    Тип выходаПолупроводниковый выход (OSSD)
    Выходной ток (устройство переключения выходного сигнала OSSD)≤ 100 mA
    Диагностический выход≤ 25 mA, защищено от короткого замыкания
    Емкость провода400 nF (при OUT A и OUT B)
    Оценка50 ms 1)
    Время разблокировки100 ms 1)
    Время риска100 ms 1)
    Задержка включения2,5 s
    Принцип запиранияПринцип нормально разомкнутой цепи
    • 1) В одном каскаде это значение умножается на число предохранительных выключателей в каскаде.
  • Механические данные
    Вес
    Выключатель510 g
    Пускатель210 g
    Материал
    Корпус датчикаАнодированный алюминий
    Корпус пускателяПВХ с армированием стекловолокном
    Анкерная плитаНикелированная сталь
    Размеры (Ш x В x Г)
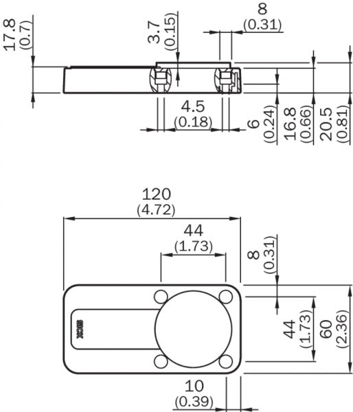
    Выключатель120 mm x 60 mm x 38,5 mm
    Пускатель120 mm x 60 mm x 20,5 mm
    Допуск на сдвиг
    Вертикально≤ 5 mm
    Горизонтальный≤ 5 mm
    Угол раскрытия≤ 3°
  • Данные окружающей среды
    Тип защитыIP67 (EN 60529)
    Диапазон рабочих температур–20 °C ... +55 °C
    Температура хранения–25 °C ... +70 °C
    Относительная влажность воздуха50 %, при 70 °C (IEC 60947-5-2)
    Виброустойчивость10 Hz ... 55 Hz, 1 mm (IEC 60068-2-6)
    Ударопрочность30 g, 11 ms (EN 60068-2-27)
    ЭМС

    EN IEC 61326-3-1

    EN IEC 60947-5-2

    EN IEC 60947-5-3

  • Классификации
    ECl@ss 5.027272603
    ECl@ss 5.1.427272603
    ECl@ss 6.027272603
    ECl@ss 6.227272603
    ECl@ss 7.027272603
    ECl@ss 8.027272603
    ECl@ss 8.127272603
    ECl@ss 9.027272603
    ETIM 5.0EC002593
    ETIM 6.0EC002593
    UNSPSC 16.090139122205
Показать всё Скрыть всё

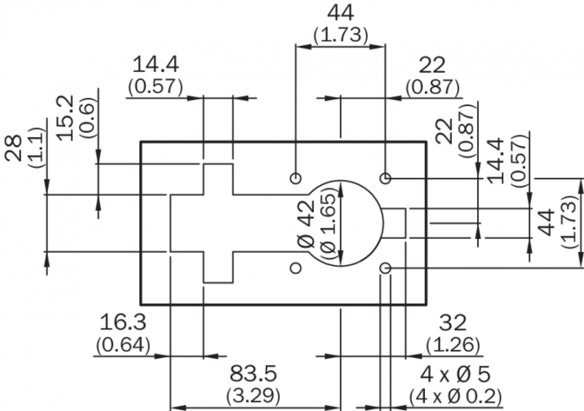
Технические чертежи

Габаритный чертеж Датчик со штекером M12 Габаритный чертеж Пускатель Габаритный чертеж Углубление для монтажа Последовательное подключение Подключение аварийных выключателей, соединенных через тройник Последовательное подключение Любая комбинация методов подключения Схема соединений Вид: Галерея Список Показать всё Скрыть всё
Показать всё Скрыть всё